电脑桌面
添加小米粒文库到电脑桌面
安装后可以在桌面快捷访问

人力资源-2022XXXX年广东省职业技能大赛韶关选拔赛VIP免费

人力资源-2022XXXX年广东省职业技能大赛韶关选拔赛_第1页
1/19
人力资源-2022XXXX年广东省职业技能大赛韶关选拔赛_第2页
2/19
人力资源-2022XXXX年广东省职业技能大赛韶关选拔赛_第3页
3/19
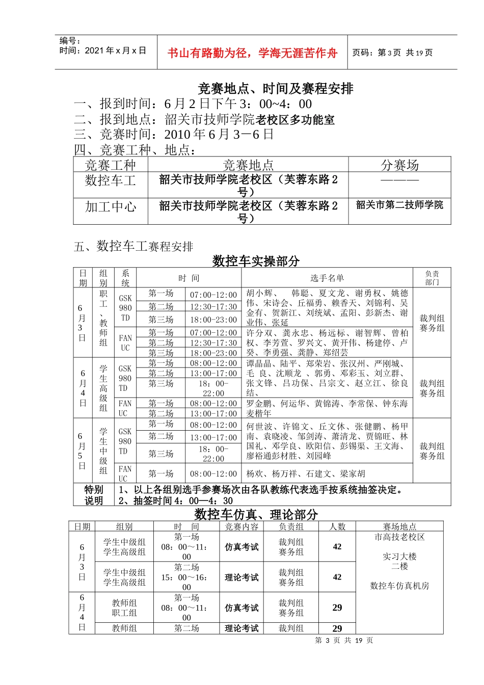
第1页共19页编号:时间:2021年x月x日书山有路勤为径,学海无涯苦作舟页码:第1页共19页2010年广东省职业技能大赛韶关选拔赛数控车竞赛组委会成员名单主任:刘雪庚市技师学院、高级技工学校党委书记、校长副主任:罗任群(市职业技能鉴定指导中心主任)宋小春(华南理工大学、省鉴定中心数控专家组组长)陈志强(市高级技校副校长)梁永深(市第二高级技校副校长)杨耀双(省工商技校校长)张祝强(省岭南工商第一高级技校副校长)成员:邓壬章(省工业高级技校)熊建彪(省南方高级技校)刘伟华(省岭南第一高级技校)沈孝强(省工商技校)龙新华(省华南技校)谢志强(市第二高级技校)林玉泉(市粤北技校)刘森盛(市机电技校)杨国安(CAXA公司)戴建国(CAXA公司)邓玲波(超软公司)巫定良(市高级技校)陈伟明(市高级技校)第2页共19页第1页共19页编号:时间:2021年x月x日书山有路勤为径,学海无涯苦作舟页码:第2页共19页2010年广东省职业技能大赛韶关选拔赛加工中心竞赛组委会成员名单主任:刘雪庚市技师学院、高级技工学校党委书记、校长副主任:罗任群(市职业技能鉴定指导中心主任)宋小春(华南理工大学、省鉴定中心数控专家组组长)陈志强(市高级技校副校长)梁永深(市第二高级技校副校长)杨耀双(省工商技校校长)张祝强(省岭南工商一高技副校长)成员:邓壬章(省工业高级技校)熊建彪(省南方高级技校)刘伟华(省岭南工商第一高级技校)沈孝强(省工商技校)宋新华(市第二高级技校)顾永康(省华南技校)林玉泉(市粤北技校)刘森盛(市机电技校)杨国安(CAXA公司)戴建国(CAXA公司)邓玲波(超软公司)陈伟明(市高级技校)陈洁训(市高级技校)苏宏宇(市高级技校)第3页共19页第2页共19页编号:时间:2021年x月x日书山有路勤为径,学海无涯苦作舟页码:第3页共19页竞赛地点、时间及赛程安排一、报到时间:6月2日下午3:00~4:00二、报到地点:韶关市技师学院老校区多功能室三、竞赛时间:2010年6月3-6日四、竞赛工种、地点:竞赛工种竞赛地点分赛场数控车工韶关市技师学院老校区(芙蓉东路2号)———加工中心韶关市技师学院老校区(芙蓉东路2号)韶关市第二技师学院五、数控车工赛程安排数控车实操部分日期组别系统时间选手名单负责部门6月3日职工、教师组GSK980TD第一场07:00-12:00胡小辉、韩聪、夏文龙、谢勇权、姚德伟、宋诗会、丘福勇、赖香天、刘锦利、吴金有、贺新江、刘统斌、孟阳、彭新杰、谢业伟、张延裁判组赛务组第二场12:30-17:30第三场18:00-23:00FANUC第一场07:00-12:00许分双、龚永忠、杨远标、谢智辉、曾柏权、李芳萱、罗兴文、黄开伟、杨建停、卢癸、李勇强、龚静、郑绍芸第二场12:30-17:30第三场18:00-23:006月4日学生高级组GSK980TD第一场08:00-12:00谭晶晶、陆平、郑荣岩、张汉州、严刚城、毛良、沈顺龙、郭勇、邓彩玉、刘立群、张文锋、吕功保、吕宗文、赵立江、徐良结、裁判组赛务组第二场13:00-17:00第三场18:00-22:00FANUC第一场08:00-12:00罗金鹏、何运华、黄锦涛、李常保、钟东海麦楷年第二场13:00-17:006月5日学生中级组GSK980TD第一场08:00-12:00何世波、许锦文、丘文休、张健鹏、杨甲南、袁晓凌、邹剑涛、萧清龙、贾锦旺、林国礼、邓学良、欧阳信、彭锡渠、王文海、廖裕通彭材胜、刘园峰裁判组赛务组第二场13:00-17:00第三场18:00-22:00FANUC第一场08:00-12:00杨欢、杨万祥、石建文、梁家胡特别说明1、以上各组别选手参赛场次由各队教练代表选手按系统抽签决定。2、抽签时间4:00—4:30数控车仿真、理论部分日期组别时间竞赛内容负责组人数赛场地点6月3日学生中级组学生高级组第一场08:00~11:00仿真考试裁判组赛务组42市高技老校区实习大楼二楼数控车仿真机房学生中级组学生高级组第二场15:00~16:00理论考试裁判组赛务组426月4日教师组职工组第一场08:00~11:00仿真考试裁判组赛务组29教师组第二场理论考试裁判组29第4页共19页第3页共19页编号:时间:2021年x月x日书山有路勤为径,学海无涯苦作舟页码:第4页共19页职工组15:00~16:00赛务组五、加工中心赛程安排加工中心实操部分第5页共19页第4页共19页编号:时间:2...

1、当您付费下载文档后,您只拥有了使用权限,并不意味着购买了版权,文档只能用于自身使用,不得用于其他商业用途(如 [转卖]进行直接盈利或[编辑后售卖]进行间接盈利)。
2、本站所有内容均由合作方或网友上传,本站不对文档的完整性、权威性及其观点立场正确性做任何保证或承诺!文档内容仅供研究参考,付费前请自行鉴别。
3、如文档内容存在违规,或者侵犯商业秘密、侵犯著作权等,请点击“违规举报”。

碎片内容

人力资源-2022XXXX年广东省职业技能大赛韶关选拔赛

确认删除?
VIP
微信客服
  • 扫码咨询
会员Q群
  • 会员专属群点击这里加入QQ群
客服邮箱
回到顶部