电脑桌面
添加小米粒文库到电脑桌面
安装后可以在桌面快捷访问

公司现场办公会议工作汇报VIP免费

公司现场办公会议工作汇报_第1页
1/7
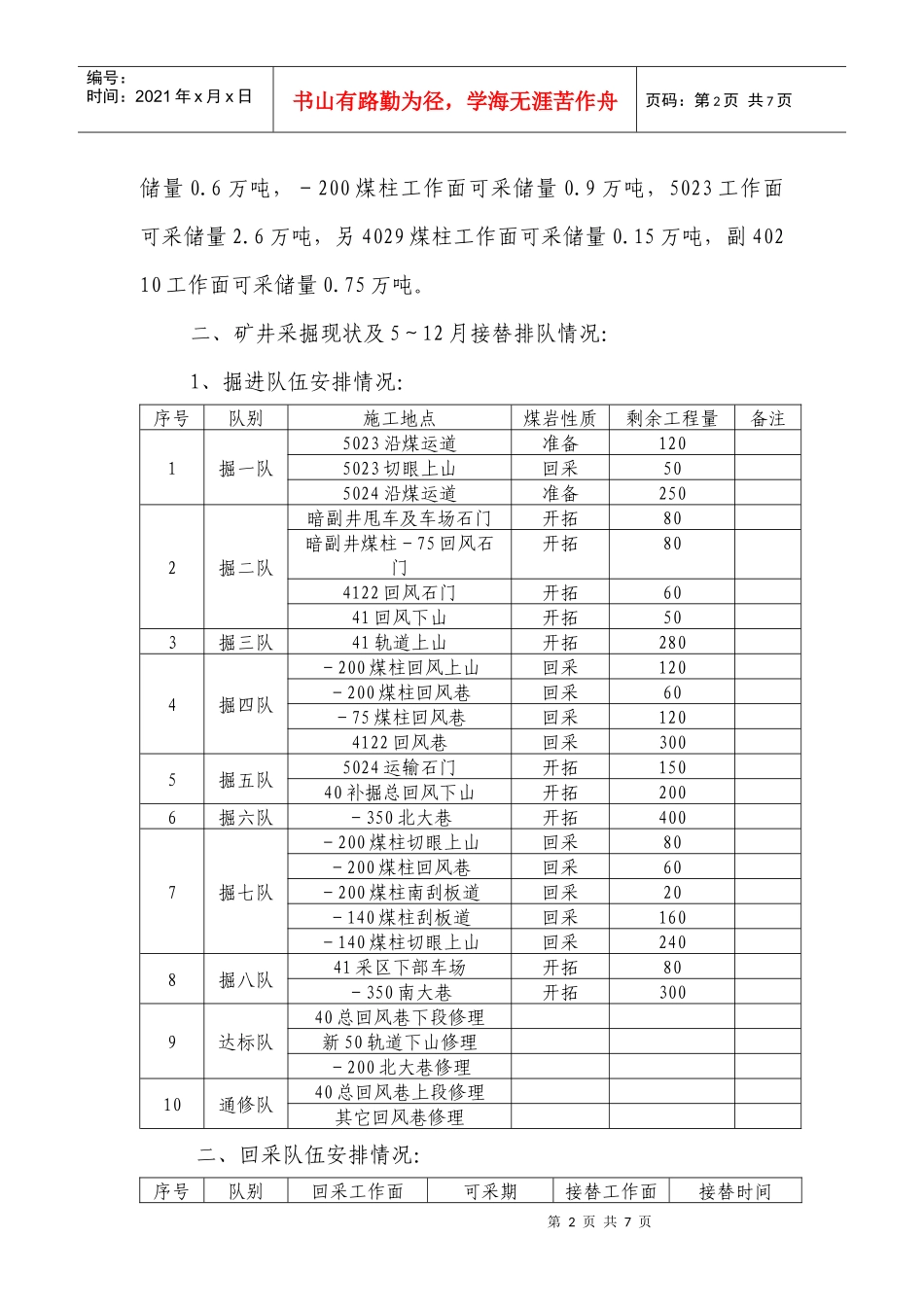
公司现场办公会议工作汇报_第2页
2/7
公司现场办公会议工作汇报_第3页
3/7
第1页共7页编号:时间:2021年x月x日书山有路勤为径,学海无涯苦作舟页码:第1页共7页...../...../现场办公会议工作汇报我矿在公司和集团公司的正确领导下,认真贯彻上级关于加强安全生产指示精神,正确处理采掘接替与安全生产的关系,始终将安全生产放在首要位置,进一步强化安全生产责任制,努力夯实安全工作基础,切实加强现场安全管理,认真抓好接替工作,积极推进安全标准化管理,安全生产管理水平进一步提高。一、矿井当前三量的分布情况:1、全矿到2010年末开拓煤量52.1万吨,可采期10.4年,准备煤量13.4万吨,可采期2.7年,回采煤量3.1万吨,可采期7.5个月。2、到4月底40210⑴工作面可采储量1.4万吨,40210⑵工作面可采储量0.1万吨,5022⑴工作面1.4万吨,5022⑵工作面可采第2页共7页第1页共7页编号:时间:2021年x月x日书山有路勤为径,学海无涯苦作舟页码:第2页共7页储量0.6万吨,-200煤柱工作面可采储量0.9万吨,5023工作面可采储量2.6万吨,另4029煤柱工作面可采储量0.15万吨,副40210工作面可采储量0.75万吨。二、矿井采掘现状及5~12月接替排队情况:1、掘进队伍安排情况:序号队别施工地点煤岩性质剩余工程量备注1掘一队5023沿煤运道准备1205023切眼上山回采505024沿煤运道准备2502掘二队暗副井甩车及车场石门开拓80暗副井煤柱-75回风石门开拓804122回风石门开拓6041回风下山开拓503掘三队41轨道上山开拓2804掘四队-200煤柱回风上山回采120-200煤柱回风巷回采60-75煤柱回风巷回采1204122回风巷回采3005掘五队5024运输石门开拓15040补掘总回风下山开拓2006掘六队-350北大巷开拓4007掘七队-200煤柱切眼上山回采80-200煤柱回风巷回采60-200煤柱南刮板道回采20-140煤柱刮板道回采160-140煤柱切眼上山回采2408掘八队41采区下部车场开拓80-350南大巷开拓3009达标队40总回风巷下段修理新50轨道下山修理-200北大巷修理10通修队40总回风巷上段修理其它回风巷修理二、回采队伍安排情况:序号队别回采工作面可采期接替工作面接替时间第3页共7页第2页共7页编号:时间:2021年x月x日书山有路勤为径,学海无涯苦作舟页码:第3页共7页(月)(月)1采一队40210⑵0.54029煤柱5-200煤柱75022⑴112采二队40210⑴副40210103采三队5022⑵50238三、存在的问题及解决办法㈠、存在的问题1、采掘接替依然紧张,5、6、7月采一队无正规工作面可采。2、巷道失修严重,返修率高,造成成本偏高。特别是回风系统不完善,通风阻力大,风量偏紧,安全生产压力大。3、运输环节多、线路长。机电设备老化,故障多,严重制约矿井的正常生产。4、掘进速度依然缓慢,各种影响因素多,造成职工思想波动大。5、井下工人素质差,年龄偏大,极少工人存在着老、弱、病、残现象。6、体制不健全,用工方式多样法,造成管理难度大。7、机运管理不对口,专业不对口,无专业设备维护、检修人员,设备出现故障不能及时处理,严重制约安全生产。第4页共7页第3页共7页编号:时间:2021年x月x日书山有路勤为径,学海无涯苦作舟页码:第4页共7页㈡、解决办法1、寻找可采煤柱,缓和接替局面,有望下半年7月份后有所好转。2、加强巷道修理,积极推进支护材料改革,减少失修率,组织精干队伍抢修回风系统,确保矿井有效风量。3、加大设备投入和更新,将淘汰设备、老设备及时更新。分步骤、分阶段对提升系统进行改造。4、努力改变陈旧的作业方式,改变陈旧思想观念和落后思想意思,积极引进煤矿机械设备,减轻劳动强度,减少误工环节,为掘进队伍营造一个宽松工作环境和政策,努力提高职工积极性,着实加快掘进速度,确保采掘接替。5、加强职工培训,利用“传、帮、带”提高职工素质。对全矿职工进行一次全面摸底,对不符合条件的职工一律清退,对新招的职工严格把好进人关、身体关、年龄关。采掘职工年龄必须在55岁以下,井辅人员控制在50岁以下。6、想办法把机运人员重新进行摸底清查,分专业,分工种进行重新分工,责任到队、到人,设备进行分专人管理,实行奖罚制度,激励职工去想做事、能做事,做好事。四、需要公司解决的问题:1、原昭阳能源公司在我矿的用人问题,要尽快解决。关系到全年的减人提效和...

1、当您付费下载文档后,您只拥有了使用权限,并不意味着购买了版权,文档只能用于自身使用,不得用于其他商业用途(如 [转卖]进行直接盈利或[编辑后售卖]进行间接盈利)。
2、本站所有内容均由合作方或网友上传,本站不对文档的完整性、权威性及其观点立场正确性做任何保证或承诺!文档内容仅供研究参考,付费前请自行鉴别。
3、如文档内容存在违规,或者侵犯商业秘密、侵犯著作权等,请点击“违规举报”。

碎片内容

公司现场办公会议工作汇报

确认删除?
VIP
微信客服
  • 扫码咨询
会员Q群
  • 会员专属群点击这里加入QQ群
客服邮箱
回到顶部