电脑桌面
添加小米粒文库到电脑桌面
安装后可以在桌面快捷访问

外墙保温工程方案VIP免费

外墙保温工程方案_第1页
1/12
外墙保温工程方案_第2页
2/12
外墙保温工程方案_第3页
3/12
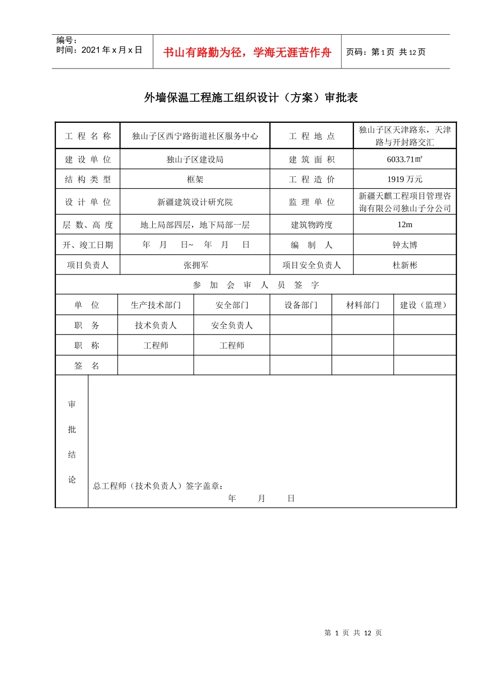
第1页共12页编号:时间:2021年x月x日书山有路勤为径,学海无涯苦作舟页码:第1页共12页外墙保温工程施工组织设计(方案)审批表工程名称独山子区西宁路街道社区服务中心工程地点独山子区天津路东,天津路与开封路交汇建设单位独山子区建设局建筑面积6033.71㎡结构类型框架工程造价1919万元设计单位新疆建筑设计研究院监理单位新疆天麒工程项目管理咨询有限公司独山子分公司层数、高度地上局部四层,地下局部一层建筑物跨度12m开、竣工日期年月日~年月日编制人钟太博项目负责人张拥军项目安全负责人杜新彬参加会审人员签字单位生产技术部门安全部门设备部门材料部门建设(监理)职务技术负责人安全负责人职称工程师工程师签名审批结论总工程师(技术负责人)签字盖章:年月日第2页共12页第1页共12页编号:时间:2021年x月x日书山有路勤为径,学海无涯苦作舟页码:第2页共12页建设︵监理︶单位审批签字盖章:年月日A2施工组织设计(方案)报审表工程名称:独山子区西宁路街道社区服务中心编号:致:新疆天麒工程项目管理咨询有限公司独山子分公司(监理单位)我方已根据施工合同的有关规定完成了独山子区西宁路街道社区服务中心外墙保温专项方案的编制,并经我单位上级技术负责人审查批准,请予以审查。附:外墙保温专项施工方案承包单位(章)项目经理日期第3页共12页第2页共12页编号:时间:2021年x月x日书山有路勤为径,学海无涯苦作舟页码:第3页共12页监理工程师审查意见:专业监理工程师日期总监理工程师审查意见:项目监理机构总监理工程师日期独山子区西宁路街道社区服务中心第4页共12页第3页共12页编号:时间:2021年x月x日书山有路勤为径,学海无涯苦作舟页码:第4页共12页外墙保温施工专项方案编制:审核:批准:通州建总集团有限公司新疆分公司二0一一年七月第5页共12页第4页共12页编号:时间:2021年x月x日书山有路勤为径,学海无涯苦作舟页码:第5页共12页外墙保温专项施工方案一、施工布置及组织机构:(一)为保证工程质量和工期要求,我方选派素质高、技术力量强的工人,管理人员配备齐全,责任心强。项目经理:张拥军技术负责人:钟太博施工员:王福中何想红质检员:陆顺章安全员:杜新彬本工程我方预计投入技术工人约30人,根据进度要求,分期分批逐次投入。(二)施工进度计划:本分项工程预计总施工天数为20天。1、基层处理7天;2、粘结苯板5天;3、修严整度3天;4、固定锚栓2天;5、抹网格布3天;二、施工准备(一)作业条件1、先剔除墙面原结构上的各种杂物,包括水泥浆及模板等。第6页共12页第5页共12页编号:时间:2021年x月x日书山有路勤为径,学海无涯苦作舟页码:第6页共12页2、用杠尺顺一下所要贴苯板的一整面墙的平整度及垂直度,用以确定所要贴板的厚度是否会对别的工序有其他的影响,确定是否要剔凿,如需要必须在聚苯板施工之前进行。3、在保温层施工前,外墙门窗框,各种进户管线及其他预埋件必须按设计和施工验收规范要求安装完毕并验收合格。4、施工环境温度和基层墙体表面温度均不低于+50C,大风和雨天不得施工,夏季高温时,不宜在强阳光直射下施工,应设遮阳防护网。(二)材料要求1、EPS聚苯板聚苯板尺寸:长×宽×厚=12OO×600×55mm。1200×600×95mm。1200×600×100mm。(1)可靠的阻燃性能。(2)良好的保温性能。(3)足够的抗拉和抗压强度以承受荷载的作用,抗弯强度以承受包括板自重在此内的垂直荷载作用。(4)满足非常严格的尺寸偏差的要求。(5)保证足够的养护时间,以确保其良好的尺寸稳定性。2、耐碱玻璃纤维网格布(1)不被面层砂浆所腐蚀,耐碱性要好。(2)极限延伸率低,便于铺装,不起皮皱裂。(3)抗拉强度高,保证抗开裂,抗冲击性能。3、聚苯板胶粘剂第7页共12页第6页共12页编号:时间:2021年x月x日书山有路勤为径,学海无涯苦作舟页码:第7页共12页拉伸粘接强度应符合设计要求及规范规定。4、聚合物抗裂砂浆5、掺合在粘结胶浆和抹面胶浆中的水泥,应符合国家标准的要求。6、掺合在粘接胶浆和抹面胶浆中的水,应符合施工用水。(三)施工机具杠尺及弹子板、抹子及开刀、橡皮锤等。三、质量要求(一)主控项目1、保...

1、当您付费下载文档后,您只拥有了使用权限,并不意味着购买了版权,文档只能用于自身使用,不得用于其他商业用途(如 [转卖]进行直接盈利或[编辑后售卖]进行间接盈利)。
2、本站所有内容均由合作方或网友上传,本站不对文档的完整性、权威性及其观点立场正确性做任何保证或承诺!文档内容仅供研究参考,付费前请自行鉴别。
3、如文档内容存在违规,或者侵犯商业秘密、侵犯著作权等,请点击“违规举报”。

碎片内容

外墙保温工程方案

您可能关注的文档

确认删除?
VIP
微信客服
  • 扫码咨询
会员Q群
  • 会员专属群点击这里加入QQ群
客服邮箱
回到顶部