电脑桌面
添加小米粒文库到电脑桌面
安装后可以在桌面快捷访问

人力资源-2022TJ1标预制梁架设施工方案培训资料VIP免费

人力资源-2022TJ1标预制梁架设施工方案培训资料_第1页
1/50
人力资源-2022TJ1标预制梁架设施工方案培训资料_第2页
2/50
人力资源-2022TJ1标预制梁架设施工方案培训资料_第3页
3/50
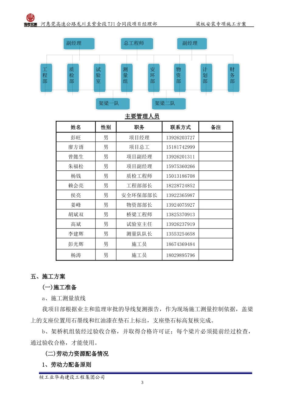
河惠莞高速公路龙川至紫金段TJ1合同段项目经理部梁板安装专项施工方案一、工程概况河(源)惠(州)(东)莞高速公路龙川至紫金段采用双向四车道高速公路标准,整体式路基宽度26m,分离式路基宽度13m,桥梁宽度采用12.5m。设计速度100km/h。TJ1合同段起点桩号-K0+060,终点桩号K6+800,路线全长6.86km,总工期26个月,总造价2.3344亿元。本合同段桥梁有大桥1469.8m/4座,40mT梁230片,25m小箱梁168片。预制梁桥分布和梁片种类、数量详见下表:桥名中心桩号预制梁类型数量(片)备注金龙大桥K2+20325m箱梁80梁场预制回龙1号大桥K5+10525m箱梁40梁场预制回龙2号大桥K5+43125m箱梁+40mT梁48+30梁场预制三溪大桥K6+34540mT梁200梁场预制合同段合计25m预制小箱梁168片,40m预制T梁230片。25m预制小箱梁设计梁底宽1.0m,梁高1.4m;40m预制T梁设计梁底宽0.6m,梁高2.5m;预制梁均采用C50混凝土预制,25m预制小箱梁最重的外侧边梁起吊重80.1t,最轻的内侧边梁74.4t;40m预制T梁最重的外侧边梁起吊重131.8t、最轻的中梁128.1t。二、编制依据1、《公路工程质量检验评定标准》(JTGF80/1—2004);2、《公路工程施工安全技术规范与施工规范》(JTGF90—2015);3、《公路桥涵施工技术规范》(JTG/TF50-2011);4、河惠莞高速公路龙川至紫金段TJ1合同段施工合同。5、河惠莞高速公路龙川至紫金段TJ1合同段招标文件及投标文件;6、河惠莞高速公路龙川至紫金段TJ1合同段两阶段施工图设计(2015年10月);7、河(源)惠(州)(东)莞高速公路龙川至紫金段《工地建设标准化管理手册(试行)》;8、河惠莞高速公路龙川至紫金段TJ1标实施性施工组织设计文件;9、业主及监理有关文件要求。三、施工组织安排(一)总体计划安排核工业华南建设工程集团公司1河惠莞高速公路龙川至紫金段TJ1合同段项目经理部梁板安装专项施工方案2017年3月1日开始架梁,计划进场架桥机2台,分两条线路架梁,第一条架梁主线路为1#架桥机(160T)先架设回龙2号大桥第9~4跨,然后掉头架设三溪大桥第1~20跨。第二条架梁主线为2#架桥机(100T)先架设回龙2号大桥第3~1跨,再架设回龙1号大桥第5~1跨,最后架设金龙大桥第10~1跨。架梁具体工期安排计划见下表:桥名中心桩号预制梁类型数量(片)开始时间结束时间架桥机编号备注金龙大桥K2+20325m箱梁802017/8/62017/10/152#梁场预制回龙1号大桥K5+10525m箱梁402017/6/62017/7/52#梁场预制回龙2号大桥K5+43125m箱梁482017/3/122017/5/51#梁场预制40mT梁302017/4/62017/4/151#梁场预制三溪大桥K6+34540mT梁2002017/6/62018/2/51#梁场预制(二)运架设备组装安排1、2017年2月12日~2017年3月11日在回龙2号大桥桥头路基上拼装调试1#架桥机,2017年3月12日开始正常架设循环。2、2017年5月6日~2017年6月5日在回龙1号大桥桥头路基上拼装调试2#架桥机,2017年6月6日开始正常架设循环。3、2017年7月6日~2017年8月5日在金龙大桥桥头路基上拼装调试2#架桥机,2017年8月6日开始正常架设循环。4、2017年5月6日~2017年6月5日在三溪大桥桥头路基上拼装调试从回龙2号大桥撤回的1#架桥机,2017年6月6日开始正常架设循环。(三)单幅梁架设时间分析以架桥机与运梁车对接→架桥机提梁、喂梁、落梁→架桥机过孔完毕作为一施工循环,单幅T梁桥为5片梁,架桥机过孔为30分钟,梁片纵移为30分钟,横移平均为10分钟,提梁、喂梁、落梁为20分钟,完成一孔梁架设理论时间取480分钟。四、施工组织机构我项目部专门成立由项目总工程师、工程部长、质检部长和两名技术员组成的技术小组,负责对架梁施工进行技术指导,并成立专门的组织机构。核工业华南建设工程集团公司2项目经理河惠莞高速公路龙川至紫金段TJ1合同段项目经理部梁板安装专项施工方案主要管理人员五、施工方案(一)施工准备a、施工测量放线我项目部根据业主和监理审批的导线复测报告,作为现场施工测量控制依据,盖梁上的支座位置用石墨线和红油漆在垫石上标出,支座垫石标高复核完成。b、架桥机组装经过验收合格,并取得合格许可证;每个梁片必须提前经过检查,通过验收合格,才能使用。(二)劳动力资源配备情况1、劳动力配备原则核工业华南建设工程集团公司3副经理...

1、当您付费下载文档后,您只拥有了使用权限,并不意味着购买了版权,文档只能用于自身使用,不得用于其他商业用途(如 [转卖]进行直接盈利或[编辑后售卖]进行间接盈利)。
2、本站所有内容均由合作方或网友上传,本站不对文档的完整性、权威性及其观点立场正确性做任何保证或承诺!文档内容仅供研究参考,付费前请自行鉴别。
3、如文档内容存在违规,或者侵犯商业秘密、侵犯著作权等,请点击“违规举报”。

碎片内容

人力资源-2022TJ1标预制梁架设施工方案培训资料

您可能关注的文档

确认删除?
VIP
微信客服
  • 扫码咨询
会员Q群
  • 会员专属群点击这里加入QQ群
客服邮箱
回到顶部