电脑桌面
添加小米粒文库到电脑桌面
安装后可以在桌面快捷访问

净环水泵工岗位说明书VIP免费

净环水泵工岗位说明书_第1页
1/1
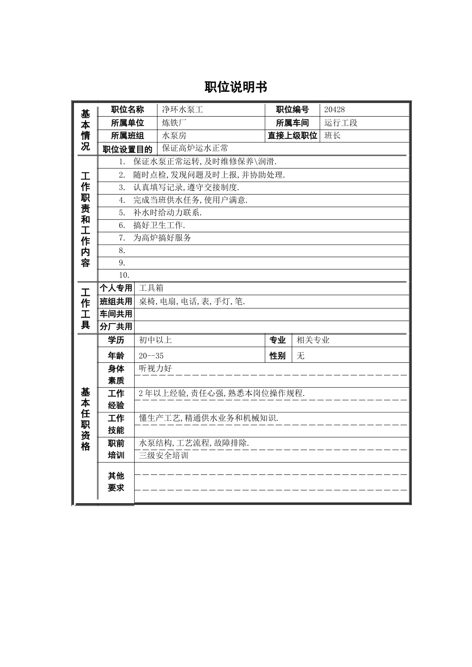
职位说明书基本情况职位名称净环水泵工职位编号20428所属单位炼铁厂所属车间运行工段所属班组水泵房直接上级职位班长职位设置目的保证高炉运水正常工作职责和工作内容1.保证水泵正常运转,及时维修保养\润滑.2.随时点检,发现问题及时上报,并协助处理.3.认真填写记录,遵守交接制度.4.完成当班供水任务,使用户满意.5.补水时给动力联系.6.搞好卫生工作.7.为高炉搞好服务8.9.10.工作工具个人专用工具箱班组共用桌椅,电扇,电话,表,手灯,笔.车间共用分厂共用基本任职资格学历初中以上专业相关专业年龄20--35性别无身体素质听视力好工作经验2年以上经验,责任心强,熟悉本岗位操作规程.工作技能懂生产工艺,精通供水业务和机械知识.职前培训水泵结构,工艺流程,故障排除.三级安全培训其他要求

1、当您付费下载文档后,您只拥有了使用权限,并不意味着购买了版权,文档只能用于自身使用,不得用于其他商业用途(如 [转卖]进行直接盈利或[编辑后售卖]进行间接盈利)。
2、本站所有内容均由合作方或网友上传,本站不对文档的完整性、权威性及其观点立场正确性做任何保证或承诺!文档内容仅供研究参考,付费前请自行鉴别。
3、如文档内容存在违规,或者侵犯商业秘密、侵犯著作权等,请点击“违规举报”。

碎片内容

净环水泵工岗位说明书

您可能关注的文档

确认删除?
VIP
微信客服
  • 扫码咨询
会员Q群
  • 会员专属群点击这里加入QQ群
客服邮箱
回到顶部