电脑桌面
添加小米粒文库到电脑桌面
安装后可以在桌面快捷访问

幕墙工程施工方案培训资料VIP免费

幕墙工程施工方案培训资料_第1页
1/36
幕墙工程施工方案培训资料_第2页
2/36
幕墙工程施工方案培训资料_第3页
3/36
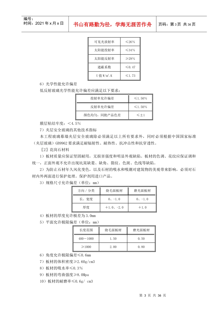
第1页共36页编号:时间:2021年x月x日书山有路勤为径,学海无涯苦作舟页码:第1页共36页幕墙工程施工方案1.总则1.1工程概况本工程外立面全部采用石材幕墙与玻璃幕墙装饰。其中,主楼与南北两个辅楼的玻璃幕墙采用全隐框中空玻璃幕墙,面积约6800㎡;二区圆弧餐厅的玻璃幕墙采用单钢化点式玻璃幕墙,面积约322㎡;玻璃幕墙中间用石材幕墙点缀装饰,面积约10800㎡;外立面所有门窗均采用铝合金门窗,共计约20樘。1.2适用范围本施工方案适用于工业与民用建筑隐框玻璃幕墙、单钢化点式玻璃幕墙以及石材幕墙的施工。1.3编制依据的标准及规范*《玻璃幕墙工程技术规范》JGJ102-2013*《高层民用建筑设计防火规范》GB50045-95(2005)*《建筑抗震设计规范》GB50011-2010*《建筑防雷设计规范》GB50057-2010*建筑工业行业《建筑幕墙》JG3035*《建筑幕墙物理性能分级》GB/T15225*《铝合金建筑型材》GB/T5237*《变形铝及铝合金化学成分》GB/T3190*《玻璃幕墙工程质量检验标准》JGJ/T139*《金属与石材幕墙工程技术规范》JGJ133*《建筑结构荷载规范》GB50009-2012*《建筑玻璃应用技术规程》JGJ113-2003*上海市标准《建筑玻璃工程技术规程》(玻璃幕墙分册)*《建筑装饰装修工程质量验收规范》GB50210-2001*《天然花岗石板材》GB/T18601-2001*《中空玻璃》GB11944-2002*《钢化玻璃》GB/T9963*《夹层玻璃》GB9962*《浮法玻璃》GB/T11614*《着色玻璃》GB/T18701*《镀膜玻璃》GB/T18915.1-2002第一部分,阳光控制镀膜玻璃*《镀膜玻璃》GB/T18915.2-2002第二部分,低辐射镀膜玻璃2.施工准备2.1技术准备(1)施工前应进行图纸会审,并编制幕墙工程施工技术措施。(2)做好室外构件堆放、拼装场地的平整;落实材料检验,幕墙性能测试单位、报业主和设第2页共36页第1页共36页编号:时间:2021年x月x日书山有路勤为径,学海无涯苦作舟页码:第2页共36页计研究院批准。(3)复查主体结构的施工质量。因为主体结构的施工质量如何,对幕墙工程影响较大。特别是墙面的垂直度、平整度偏差,将影响到整个幕墙的水平位置安装。(4)放线前,要检查主体结构的施工质量,特别是钢筋混凝土结构,预埋件偏差尤其要仔细、严格地复查。另外,对主体结构的预留孔洞及表面的缺陷,应做好检查记录,并及时提请有关单位注意。(5)根据主体结构的施工质量,最后调整主体结构与幕墙之间的间隔距离,以保证安装工作顺利进行,基本做到准确无误。(6)幕墙工程施工时,应建立各道工序的自检、交接检和专职人员检查的“三检”制度,并有完整的检验记录。每道工序完成,应经监理单位检查验收,合格后方可进行下道工序的施工。2.2材料准备〖1〗玻璃1)承包商提供的所有玻璃产品必须是同一生产厂家的产品。该生产厂家必须具有原片生产、加工、镀膜一体化的能力。2)玻璃的运输、贮存和包装应严格按玻璃制造上的标准进行。3)玻璃外观质量及尺寸偏差要求:*玻璃在外观上不允许存在夹胶层气泡、裂痕、爆边、叠差、磨伤、脱胶等缺陷。*玻璃长度、宽度和对角线尺寸允许偏差为±2mm。*玻璃弯曲度不得超过0.3%。4)玻璃膜层质量要求:*玻璃镀膜需在成熟可靠、质量稳定的镀膜线上进行,并保证镀膜均匀。*在稳定光线下检测,玻璃膜层不得有大于1.6mm的针眼,在玻璃四周75mm范围内膜层允许有大于1.2mm,小于1.6mm针眼,但每平方米不能超过3处。中部膜层在直径为100mm的面积内出现小于1.2mm的针眼不能超过20个。*每平方米允许8处1.6mm≤d≤5.0的斑点。5)阳光镀膜控制性能低反射中空度模玻璃应具有以下阳光控制性能可见光透射率≥58%可见光放射率≤32%太阳能投射率≤55%太阳能反射率≥22%遮蔽系数≤0.55U值W/m2.K≤2.8低反射Low-E中空玻璃应具有以下阳光控制性能可见光透射率≥55%第3页共36页第2页共36页编号:时间:2021年x月x日书山有路勤为径,学海无涯苦作舟页码:第3页共36页可见光放射率≤26%太阳能投射率≤34%太阳能反射率≥29%遮蔽系数≤0.47U值W/m2.K≤1.736)光学性能允许偏差低反射玻璃光学性能允许偏差应满足以下要求:投射率允许偏差≤1.50%反射率允许偏差≤1.50%颜色均匀,同批产品色差≤±1膜层粘结牢度:<4.5%7)夹层安全玻璃的...

1、当您付费下载文档后,您只拥有了使用权限,并不意味着购买了版权,文档只能用于自身使用,不得用于其他商业用途(如 [转卖]进行直接盈利或[编辑后售卖]进行间接盈利)。
2、本站所有内容均由合作方或网友上传,本站不对文档的完整性、权威性及其观点立场正确性做任何保证或承诺!文档内容仅供研究参考,付费前请自行鉴别。
3、如文档内容存在违规,或者侵犯商业秘密、侵犯著作权等,请点击“违规举报”。

碎片内容

幕墙工程施工方案培训资料

您可能关注的文档

确认删除?
VIP
微信客服
  • 扫码咨询
会员Q群
  • 会员专属群点击这里加入QQ群
客服邮箱
回到顶部