电脑桌面
添加小米粒文库到电脑桌面
安装后可以在桌面快捷访问

人力资源-2022(市政)废水回用环评报告表CXLVIP免费

人力资源-2022(市政)废水回用环评报告表CXL_第1页
1/32
人力资源-2022(市政)废水回用环评报告表CXL_第2页
2/32
人力资源-2022(市政)废水回用环评报告表CXL_第3页
3/32
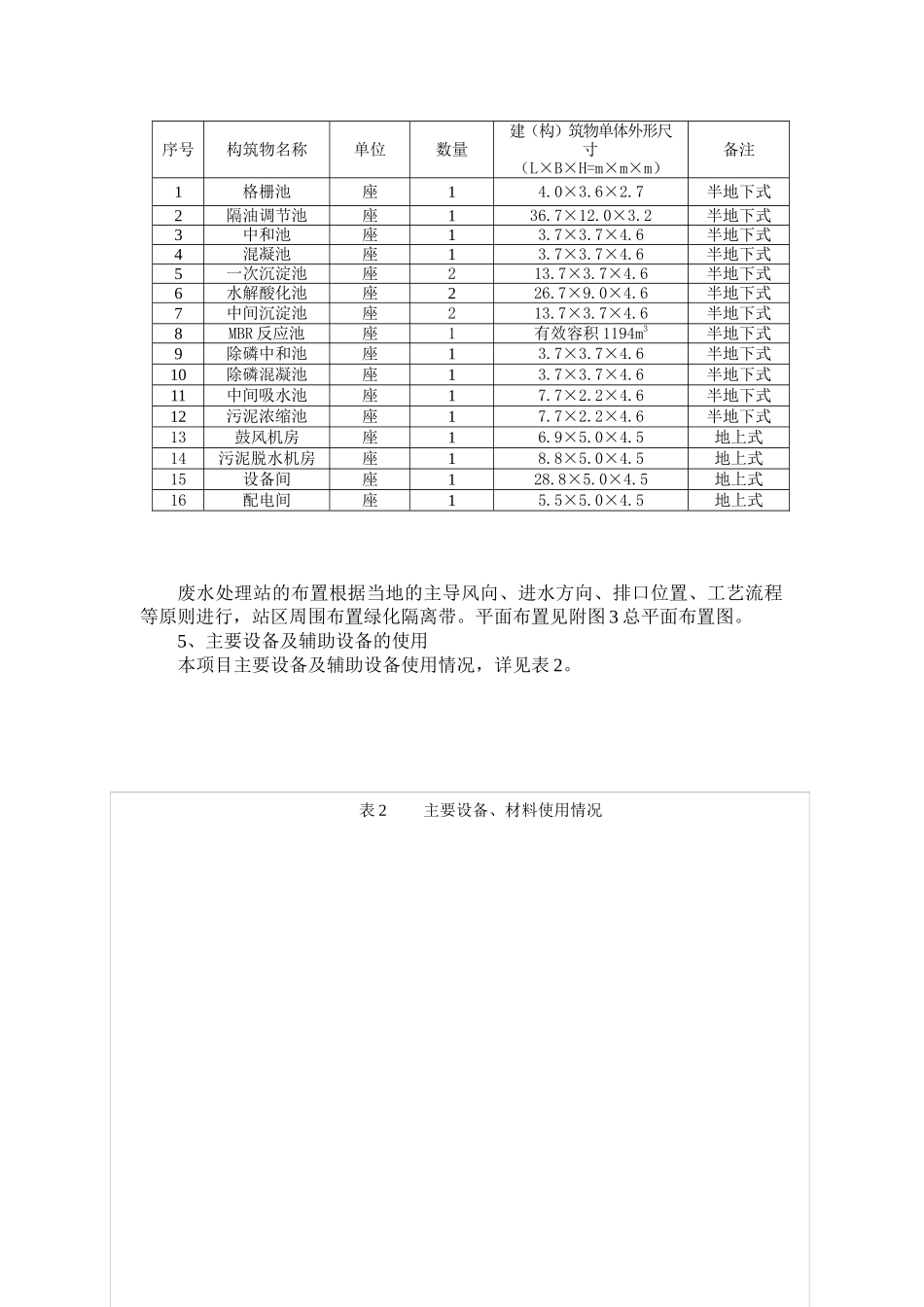
建设项目基本情况项目名称废水治理回用工程建设单位法人代表联系人通讯地址联系电话传真邮政编码建设地点立项审批部门批准文号建设性质改扩建行业类别及代码4620污水处理占地面积(平方米)绿化面积(平方米)总投资(万元)环保投资占总投资比例评价经费(万元)预期投产日期工程内容及规模:1、项目背景及基本情况产过程中污水主要有磷酸酸性污水和碱性污水,在采取对挥发性有机物无组织排放的水吸收手段后,含挥发性有机物的水冲泵污水将成为污水的主体。该公司现有的污水处理设施,主要用于工艺废水的生化处理,现有废水处理设施的处理能力为50m3/d,且达标运行还不够稳定,也无法满足中水回用。本次改造对吸收尾气的水冲泵污水进行生化处理,全部循环使用,实现污水的零排放。本项目将现有50m3/d废水处理设施进行改扩建为2000m3/d的污水处理回用工程,项目的核心目的是将治理后的污水回用,实现节水效能,降低无组织排放的气态有机物,减少其对环境的影响,从而实现综合治理和稳定达标运行。2、建设性质及建设规模本项目属于改扩建项目,设计规模:2000m3/d。3、服务范围污水处理站收水针对该公司产生的生产和生活污水,设计处理能力为2000m3/d。工厂的污水主要由三部分组成:工艺污水、水冲泵污水、生活污水。4、建、构筑物单元设计本项目建筑物及构筑物,详见表1。表1建筑物及构筑物一览表废水处理站的布置根据当地的主导风向、进水方向、排口位置、工艺流程等原则进行,站区周围布置绿化隔离带。平面布置见附图3总平面布置图。5、主要设备及辅助设备的使用本项目主要设备及辅助设备使用情况,详见表2。表2主要设备、材料使用情况序号构筑物名称单位数量建(构)筑物单体外形尺寸(L×B×H=m×m×m)备注1格栅池座14.0×3.6×2.7半地下式2隔油调节池座136.7×12.0×3.2半地下式3中和池座13.7×3.7×4.6半地下式4混凝池座13.7×3.7×4.6半地下式5一次沉淀池座213.7×3.7×4.6半地下式6水解酸化池座226.7×9.0×4.6半地下式7中间沉淀池座213.7×3.7×4.6半地下式8MBR反应池座1有效容积1194m3半地下式9除磷中和池座13.7×3.7×4.6半地下式10除磷混凝池座13.7×3.7×4.6半地下式11中间吸水池座17.7×2.2×4.6半地下式12污泥浓缩池座17.7×2.2×4.6半地下式13鼓风机房座16.9×5.0×4.5地上式14污泥脱水机房座18.8×5.0×4.5地上式15设备间座128.8×5.0×4.5地上式16配电间座15.5×5.0×4.5地上式序号设备名称规格型号数量单位厂家或产地1回转式格栅1.5m宽,栅宽20mm2套2提升泵KCL75052H-nan-ccn45m3/h,H=5m3.7kw3台自耦合系统3套3中和、混凝搅拌器0.75KW4套附属系统4套4水解酸化设备潜水搅拌机QJB1.5/8-4001.5kw6套提升装置1.5t6套5平流池刮泥机跨度3.7m2台附属系统2套6MBR处理系统膜8400m2膜配套系统40套出水系统4套消毒系统1套反冲洗系统1套电动提升装置2套7污泥预浓缩设备1套附属搅拌机0.75KW1套8污泥脱水成套设备带宽1.0m1套9鼓风机组SSR1505套噪声治理1套10自动控制系统1套6、主要经济技术指标本项目主要经济技术指标,见表3。表3主要技术经济指标序号名称数量比例1用地面积2435100%2建筑物占地面积28211.6%3构筑物面积147060.4%4道路面积38815.9%5绿化29512.1%7、资金筹措本项目估算总投资1371.3万元,资金来源为企业自筹561.3万元,地方财政支持260万元,申请环保专项资金补助550万元。8、公用工程及辅助设施(1)给水、排水厂区废水包括生产废水、各种冲洗水和生活污水。以上废水经厂内废水处理设施处理后全部回用,厂区雨水排入市政雨水管网。(2)采暖本工程的供热依托现有8t/h燃煤锅炉。(3)供电厂内变压器引380V工业交流电源供处理工程用电。8、工作制度及定员本项目劳动定员9人,三班制,年工作365天。本项目水平衡图如图1所示。图1本项目水平衡图208t/d补充新鲜水253m3/dm3/d208m3/d回用水入口水量1703m3/dm3/dm3/dm3/dm3/dm3/dm3/dm3/dm3/dm3/dm3/dm3/dm3/dm3/dm3/dm3/dm3/dm3/d与本项目有关的原有污染情况及主要环境问题:1.现状污染物排放情况:(1)工艺废气表4厂界大气监测数据最大值监测点位氯化氢氯气苯厂界西南(厂址上风向)0.510.0360.013厂界北(下风...

1、当您付费下载文档后,您只拥有了使用权限,并不意味着购买了版权,文档只能用于自身使用,不得用于其他商业用途(如 [转卖]进行直接盈利或[编辑后售卖]进行间接盈利)。
2、本站所有内容均由合作方或网友上传,本站不对文档的完整性、权威性及其观点立场正确性做任何保证或承诺!文档内容仅供研究参考,付费前请自行鉴别。
3、如文档内容存在违规,或者侵犯商业秘密、侵犯著作权等,请点击“违规举报”。

碎片内容

人力资源-2022(市政)废水回用环评报告表CXL

您可能关注的文档

确认删除?
VIP
微信客服
  • 扫码咨询
会员Q群
  • 会员专属群点击这里加入QQ群
客服邮箱
回到顶部