电脑桌面
添加小米粒文库到电脑桌面
安装后可以在桌面快捷访问

压力管道涂漆防腐工艺导则VIP免费

压力管道涂漆防腐工艺导则_第1页
1/8
压力管道涂漆防腐工艺导则_第2页
2/8
压力管道涂漆防腐工艺导则_第3页
3/8
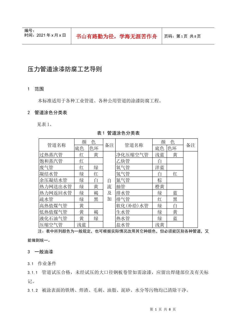
第1页共8页编号:时间:2021年x月x日书山有路勤为径,学海无涯苦作舟页码:第1页共8页压力管道涂漆防腐工艺导则1范围本标准适用于各种工业管道、各种公用管道的涂漆防腐工程。2管道涂色分类表见表1。表1管道涂色分类表管道名称颜色备注管道名称颜色备注底色色环底色色环过热蒸汽管红黄自流及加净化压缩空气管浅蓝黄饱和蒸汽管红乙炔管白废气管红绿氧气管洋蓝凝结水管绿红氢气管白红余压凝结水管绿白氮气管棕热力网送出水管绿黄抽管橙黄热力网返回水管绿褐排水管绿蓝疏水管绿黑排气管红黑高热值煤气管黄软化(补给)水管绿白低热值煤气管黄褐生水管绿黄液化石油气管黄绿热水管绿蓝压缩空气管浅蓝盐水管浅黄注:表中所列颜色为一般规定,也可根据实际情况改用其它种颜色,但必须能区别各种管道,又能做到统一。3一般油漆3.1作业条件3.1.1管道试压合格,未经试压的大口径钢板卷管如需涂漆,应留出焊缝部位及有关标记。3.1.2被涂表面的铁锈、焊渣、毛刺、油脂、泥砂、水分等污物均已清除干净。第2页共8页第1页共8页编号:时间:2021年x月x日书山有路勤为径,学海无涯苦作舟页码:第2页共8页3.1.3环境温度宜在15—35℃之间,相对湿度在70%以下,并有防火、防冻、防雨措施。涂漆的环境空气必须清洁,无煤烟、灰尘及水汽。室外涂漆遇雨、降雾时应停止施工。3.1.4管道安装后不易涂漆的部位,应预先涂漆。3.2表面处理涂料施工前,应将管道表面的油垢及氧化物等消除。焊缝处不得有焊渣、毛刺。表面个别部分凹凸不平的长度不得超过5mm。管材表面的锈层可用下列方法消除:3.2.1手工处理用锤、刮刀、挫刀、钢丝刷或砂纸等将金属表面的锈层、氧化皮、铸砂等除掉。金属表面浮锈较厚时,先用锤等敲掉锈层,但不得损伤金属表面;锈蚀不厚时,直接用钢丝刷、砂纸擦拭表面,直至露出金属本色,再用棉纱擦干净。3.2.2机械处理采用金钢砂轮打磨或同压缩空气喷石英砂(喷砂法)吹打金届表面,将金属表面的锈层、氧化皮、铸砂等污物除净。喷砂除锈:3.2.2.1喷砂除锈工作应在专设的砂场内进行。3.2.2.2喷砂所用砂子必须坚硬、带棱、粒径在1—3mm之间;用前应经水洗、筛选、烘干,使其不合泥土杂物,含水率<1%。3.2.2.3操作程序:合格砂装入砂罐内(到容积2/3为限)→砂罐和贮气罐的出口阀及管路上的阀门全部关闭十开动空压机(使表压保持在0.49MPa左右)→打开各个阀门及喷嘴(迅速将风压调至0.4Mpa)→喷砂(喷嘴与被喷砂表面呈50°—70°夹角,并尽可能保持100—200mm间距)→均匀移动喷嘴→被喷砂表面出现银灰色金属光泽即达到喷砂合格。3.2.2.4对管子内壁喷砂所用的喷嘴应为铸铁浇注的或用45号钢制作的锥形喷嘴,嘴端呈椭圆形(长轴10mm,短轴5mm)。3.2.2.5如喷嘴喷不出砂,应立即关闭空气阀,并从以下三方面找原因:出砂阀门开启度不够;出砂阀门受堵:砂罐内无砂。3.2.3化学处理用酸洗的方法清除金属表面的锈层、氧化皮。采用浓度10—20%、温度18—60℃的稀硫酸溶液,浸泡被涂物件15—60分钟;也可用10—15%的盐酸在室温下进行酸洗。为第3页共8页第2页共8页编号:时间:2021年x月x日书山有路勤为径,学海无涯苦作舟页码:第3页共8页使酸洗时不损伤金属,在酸溶液中加入缓蚀剂。酸洗后要用清水洗涤,并用50%浓度的碳酸钠溶液中和,最后用热水冲洗2—3次,用热空气干燥。3.2.4旧涂料的处理在旧涂料上重新涂漆时,可根据旧漆膜的附着情况,确定是否全部清除或部分清除。如旧漆膜附着良好,铲刮不掉可不必清除;如旧漆膜附着不好,则必须清除重新涂刷。3.3涂漆准备根据被涂工件的要求,选择合适的涂料品种,并考虑以下各项:3.3.1在使用前,必须先熟悉涂料的性能、用途、技术条件等,再根据规定正确使用。所用涂料必须有合格证书。3.3.2涂料不可乱混合,否则会产生不良现象。3.3.3色漆开桶后必须搅拌才能使用。如不搅拌均匀,对色漆的遮盖力和漆膜性能都有影响。3.3.4漆中如有漆皮和粒状物,要用120目钢丝网过滤后再使用。3.3.5涂料有单包装,也有多包装,多包装在使用时应按技术规定的比例进行调配。3.3.6根据选用的涂漆方式的要求,采用与涂料配套的稀释剂,调配到合适的施工粘度才能使用。3.4涂漆施工3.4.1...

1、当您付费下载文档后,您只拥有了使用权限,并不意味着购买了版权,文档只能用于自身使用,不得用于其他商业用途(如 [转卖]进行直接盈利或[编辑后售卖]进行间接盈利)。
2、本站所有内容均由合作方或网友上传,本站不对文档的完整性、权威性及其观点立场正确性做任何保证或承诺!文档内容仅供研究参考,付费前请自行鉴别。
3、如文档内容存在违规,或者侵犯商业秘密、侵犯著作权等,请点击“违规举报”。

碎片内容

压力管道涂漆防腐工艺导则

您可能关注的文档

确认删除?
VIP
微信客服
  • 扫码咨询
会员Q群
  • 会员专属群点击这里加入QQ群
客服邮箱
回到顶部