电脑桌面
添加小米粒文库到电脑桌面
安装后可以在桌面快捷访问

塔吊安装施工方案培训资料VIP专享VIP免费

塔吊安装施工方案培训资料_第1页
1/37
塔吊安装施工方案培训资料_第2页
2/37
塔吊安装施工方案培训资料_第3页
3/37
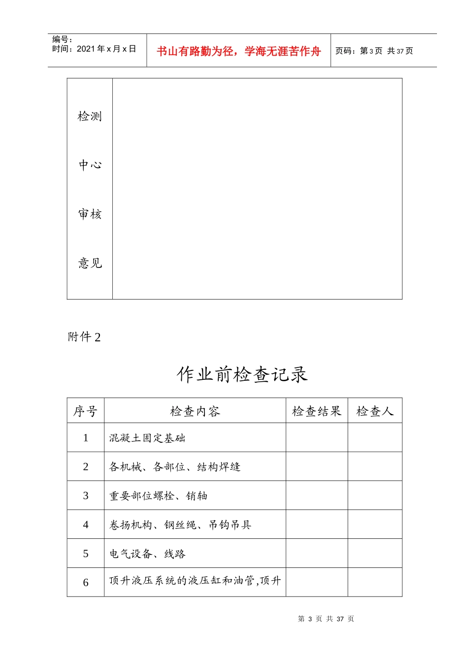
第1页共37页编号:时间:2021年x月x日书山有路勤为径,学海无涯苦作舟页码:第1页共37页虹桥商务区主功能区物流片区02地块北区2#、4#QTZ63塔吊安装施工方案江苏省苏中建设集团股份有限公司二0一六年九月第2页共37页第1页共37页编号:时间:2021年x月x日书山有路勤为径,学海无涯苦作舟页码:第2页共37页QTZ63安装资料申报表工地名称星月虹桥中心项目02地块北区工地地址闵行区丰虹路、申昆路交叉路口装拆单位江苏省苏中建设集团股份有限公司施工单位江苏省苏中建设集团股份有限公司机械型号产权编号序号资料名称资料情况1安装单位资质证书2安装合同书或任务书3安装方案4安装前的零部件检验记录5安装作业人员上岗证6预计安装日期第3页共37页第2页共37页编号:时间:2021年x月x日书山有路勤为径,学海无涯苦作舟页码:第3页共37页检测中心审核意见附件2作业前检查记录序号检查内容检查结果检查人1混凝土固定基础2各机械、各部位、结构焊缝3重要部位螺栓、销轴4卷扬机构、钢丝绳、吊钩吊具5电气设备、线路6顶升液压系统的液压缸和油管,顶升套架结构、导向轮、挂靴爬爪第4页共37页第3页共37页编号:时间:2021年x月x日书山有路勤为径,学海无涯苦作舟页码:第4页共37页7作业人员的工具、安全帽、安全带8电源闸箱及供电线路9作业场地、运输道路10安全岗设置及安全措施的落实1112131415塔式起重机安装任务书根据生产计划安排,要求你项目部于2016年9月在工地组织安装型号为QTZ63塔吊2台。并落实专人指挥,操作人员持证上岗,加强安全监护,严格按规程操作,安装完备自检合格后报工程公司。签发部门:江苏省苏中建设集团股份有限公司第三工程公司第5页共37页第4页共37页编号:时间:2021年x月x日书山有路勤为径,学海无涯苦作舟页码:第5页共37页签发人:签发日期:年月日目录一、工程概况………………………………………………………4第6页共37页第5页共37页编号:时间:2021年x月x日书山有路勤为径,学海无涯苦作舟页码:第6页共37页二、编制依据:……………………………………………………4三、塔式起重机安装位置平面和安装作业范围平面图4四、作业人员组织和职责…………………………………………5五、塔式起重机技术参数、主要零部件重量和吊点位置………第7页共37页第6页共37页编号:时间:2021年x月x日书山有路勤为径,学海无涯苦作舟页码:第7页共37页6六、安装(拆卸)辅助设备的型号、性能及布置位置…………6七、吊索具的配置、安装与拆卸工具及仪器……………………7八、施工条件及安装前的准备……………………………………7九、塔式起重机的安装……………………………………………9第8页共37页第7页共37页编号:时间:2021年x月x日书山有路勤为径,学海无涯苦作舟页码:第8页共37页十、安装(拆卸)安全技术措施…………………………………21十一、安全保证体系……………………………………………23十二、文明施工及环境保护………………………………………23十三、塔式起重机的拆卸…………………………………………23十四、安全装置的调整……………………………………………第9页共37页第8页共37页编号:时间:2021年x月x日书山有路勤为径,学海无涯苦作舟页码:第9页共37页24十五、塔机附着的安装……………………………………………26十六、其他事项……………………………………………………26十七、方案附件:附件一:塔式起重机基础图附件二:塔式起重定位平面图附件二:塔式起重机安装位置平面图塔式起重机安装、拆卸施工方案第10页共37页第9页共37页编号:时间:2021年x月x日书山有路勤为径,学海无涯苦作舟页码:第10页共37页一、工程概况1、本工程为上海市虹宇物流有限公司开发的虹桥商务区主功能区物流片区02地块北区项目,包括1#、2#、3#、4#、5#楼及地下室,位于上海市闵行区丰虹路与申昆路交叉路口。2、1#、2#、3#、4#、5#楼,高度为42.1米,总建筑面积为76588.40㎡。结构为框架剪力墙结构体系。建筑安全等级均为二级,结构设计年限50年。建筑抗震设防为丙类,设防烈度为七度。防火等级为二级,地下室防水等级为二级。二、编制依据:1、业主提供的由上海天华...

1、当您付费下载文档后,您只拥有了使用权限,并不意味着购买了版权,文档只能用于自身使用,不得用于其他商业用途(如 [转卖]进行直接盈利或[编辑后售卖]进行间接盈利)。
2、本站所有内容均由合作方或网友上传,本站不对文档的完整性、权威性及其观点立场正确性做任何保证或承诺!文档内容仅供研究参考,付费前请自行鉴别。
3、如文档内容存在违规,或者侵犯商业秘密、侵犯著作权等,请点击“违规举报”。

碎片内容

塔吊安装施工方案培训资料

确认删除?
VIP
微信客服
  • 扫码咨询
会员Q群
  • 会员专属群点击这里加入QQ群
客服邮箱
回到顶部