电脑桌面
添加小米粒文库到电脑桌面
安装后可以在桌面快捷访问

培训教材(初级版)VIP专享VIP免费

培训教材(初级版)_第1页
1/6
培训教材(初级版)_第2页
2/6
培训教材(初级版)_第3页
3/6
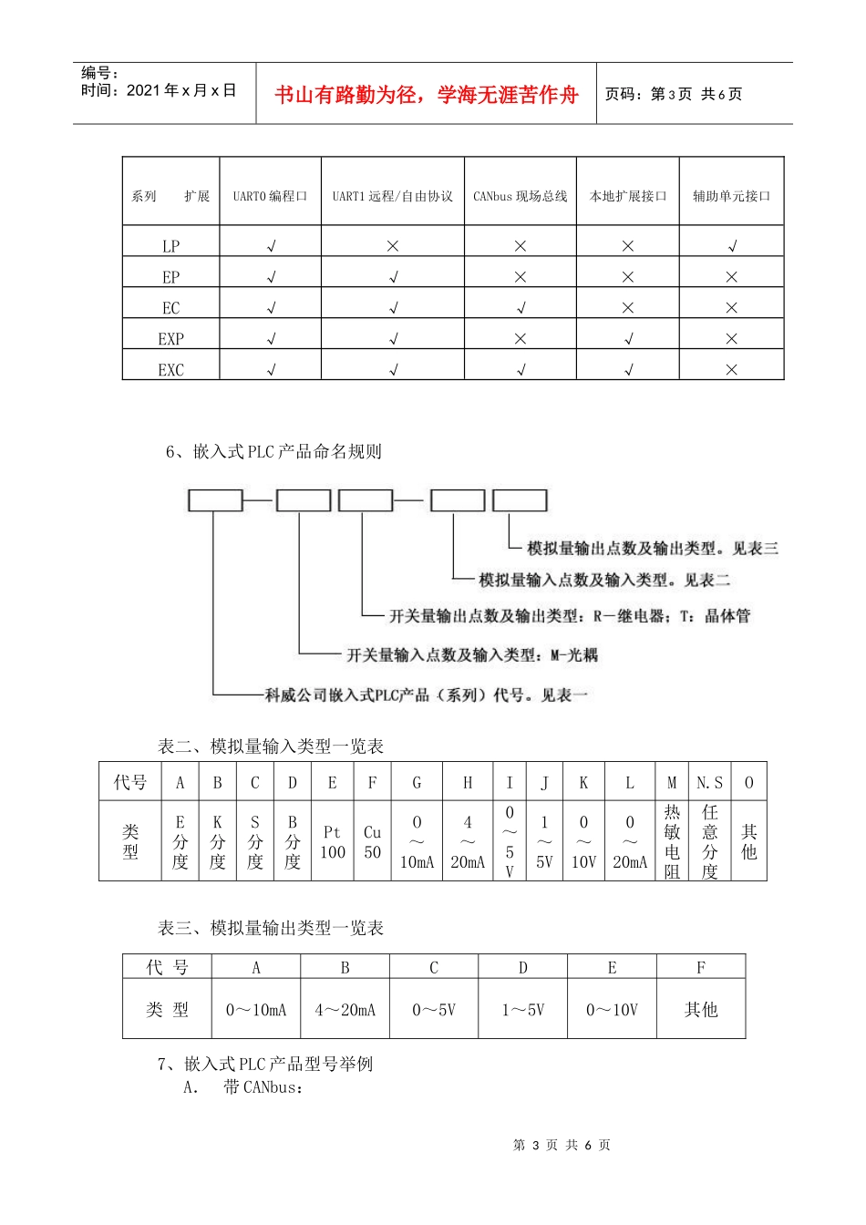
第1页共6页编号:时间:2021年x月x日书山有路勤为径,学海无涯苦作舟页码:第1页共6页黄石市科威自控有限公司——EC/EP系列嵌入式PLC培训教材(初级版)前言电控技术日新月异,市场需求日趋苛刻。作为一家“以振兴民族自动化工业为已任”的科技型企业,仅仅学习、消化、吸收、实践他人的产品和技术是远远不够的,必须有自己独创的产品,才能在没有硝烟的战场上取得胜利。在董事长龚云生同志的得力领导下,公司集团骨干始终朝着“创新是一个民族的灵魂,是国家兴旺发达的不竭动力”的方向奋进。十余年来,克服了重重困难,坚定不移地走自己的路。发场团队精神,认真积累和总结经验;自主创新与借“脑袋”并举。天道酬勤,科威公司的科技成果不断涌现,尤其是2005年,EC/EP系列嵌入式PLC在黄石市科威自控有限公司研发成功了!为我国的自动化工业增添了光彩。自嵌入式PLC的成果在网上发布后,感兴趣的同仁与日俱增,渴求了解其技术性能。正因为嵌入式PLC刚刚问世,知者甚少,为此,科威公司决定开办嵌入式PLC培训班。这是符合“科学发展观”的要求的。培训班的教材内容,由表及里,由浅入深。因受时间和要求所限,不系统,侧重实践。但愿对初学者,有所补益。卫工08年5月一、嵌入式PLC简介1、开发背景工控系统有大系统和小系统,尤其是小系统,范围广,几乎覆盖了所有行业,而且要求是千差万别的。控制器件有DCS、IPC和PLC等。广大工控设计人员在器件选型时十分困惑。在数据处理上要求像IPC,在可靠性上要求达到或超过PLC,在价位上力争低廉,如同单片机;在二次开发(应用程序)方面要求语言大众化、易学易懂易掌握。谁都梦想有一款新型的工控产品能替代、包含IPC、PLC和单片机。第2页共6页第1页共6页编号:时间:2021年x月x日书山有路勤为径,学海无涯苦作舟页码:第2页共6页经过艰苦的努力,嵌入式PLC在科威公司问世了。嵌入式PLC已列入国家科技攻关计划项目的阶段成果。项目代号为2005BA206C。2、什么是嵌入式PLC?嵌入式PLC是将通用的PLC梯形图语言、CANbus现场总线协议嵌入到单片机中,使其更具个性化、差异化,应用更广泛、更灵活,对用户更方便。因此,嵌入式PLC亦称客制式PLC。简言之:嵌入式PLC是以单片机为载体,以梯形图为编程工具的芯片组。3、嵌入式PLC的技术性能核心器件是C8051F040;能用梯形图编程序,程序步可到8K;能与多家人机界面连线;例如:HITECH、台达、EView等;能支持多家工控组态软件:例如:Fameview、MCGS、Kingview等;能支持CANbus网络结构;能与通用型PLC并联运行;具有多种工控经验函数;PLC的编程程序保密性较好(经过D8254加密);指令集86条,另增加一条专家指令;4、嵌入式PLC产品简介(1)主机;LP系列(单机)EXP系列EP系列EXC系列EC系列(2)辅助单元(适合LP系列);(3)本地扩展单元;(4)远程扩展单元;(5)专用PLC;圆网印花、电梯、收放卷张力、多轴同步、混合型、采集等。5、嵌入式PLC产品造型一览表:表一:第3页共6页第2页共6页编号:时间:2021年x月x日书山有路勤为径,学海无涯苦作舟页码:第3页共6页6、嵌入式PLC产品命名规则表二、模拟量输入类型一览表表三、模拟量输出类型一览表7、嵌入式PLC产品型号举例A.带CANbus:系列扩展UART0编程口UART1远程/自由协议CANbus现场总线本地扩展接口辅助单元接口LP√×××√EP√√×××EC√√√××EXP√√×√×EXC√√√√×代号ABCDEFGHIJKLMN.SO类型E分度K分度S分度B分度Pt100Cu50O~10mA4~20mA0~5V1~5V0~10V0~20mA热敏电阻任意分度其他代号ABCDEF类型0~10mA4~20mA0~5V1~5V0~10V其他第4页共6页第3页共6页编号:时间:2021年x月x日书山有路勤为径,学海无涯苦作舟页码:第4页共6页B、不带CANbus:8、外部接线端子(1)接线端子说明:表四端子代号名称说明L、N交流电源输入端50Hz,85~265V第三接地端接PE线+24V,COM0输出DC24V给接近开关或传感器提供DC24V,≦300mA电源X00~X27,COM0开关量输入端八进制数00~27,由具体机型而定,COM0为公共端Y00~Y03,COM1;Y04~Y07,COM2;Y10~Y13,COM3;Y14~Y17,COM4;Y20~Y23,COM5;Y24~Y27,COM6开关量...

1、当您付费下载文档后,您只拥有了使用权限,并不意味着购买了版权,文档只能用于自身使用,不得用于其他商业用途(如 [转卖]进行直接盈利或[编辑后售卖]进行间接盈利)。
2、本站所有内容均由合作方或网友上传,本站不对文档的完整性、权威性及其观点立场正确性做任何保证或承诺!文档内容仅供研究参考,付费前请自行鉴别。
3、如文档内容存在违规,或者侵犯商业秘密、侵犯著作权等,请点击“违规举报”。

碎片内容

培训教材(初级版)

确认删除?
VIP
微信客服
  • 扫码咨询
会员Q群
  • 会员专属群点击这里加入QQ群
客服邮箱
回到顶部