电脑桌面
添加小米粒文库到电脑桌面
安装后可以在桌面快捷访问

桥梁专项施工方案[1]VIP免费

桥梁专项施工方案[1]_第1页
1/40
桥梁专项施工方案[1]_第2页
2/40
桥梁专项施工方案[1]_第3页
3/40
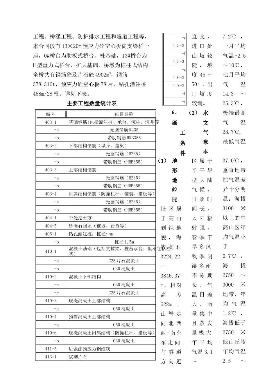
桥梁工程专项施工方案第一部分工程概况1、编制依据(1)招投标文件、设计图纸等有关资料。(2)部颁现行《设计规范》、《施工规范》、《公路工程质量验收评定标准》等文件。(3)交通部《公路工程国内招标文件范本》(2003年版本)、《专用技术规范》。(4)现场调查资料。(5)本项目部施工管理水平、技术、装备及同类或类似工程施工经验。2、交通部颁发现行公路工程标准、规范、规程(1)《公路桥涵施工技术规范》JTJ041-2000(2)《公路桥涵钢结构与木结构设计规范》JTJ025-86(3)《公路工程施工安全技术规程》JTJ076-95(4)《公路工程质量验收评定标准》(土建工程)JTGF80/1-2004(5)《公路工程技术标准》JTGB01-20033、编制原则(1)认真履行中标承诺,严格执行技术规范。(2)实事求是,施工方案可行、适用、经济。(3)推行全面质量管理,执行ISO9002质量管理标准和程序。(4)采用项目法组织施工,推行标准化管理达到安全文明高效。(5)坚持技术创新推广和应用“四新”成果。4、工程概况我公司承建的青海省西久公路拉脊山隧道A合同段工程,位于青海省东部的湟中县境内,属于海拔严寒地区,海拔3200-4041m,起点桩号K15+535,位于大南川河南岸接湟中至贵德二期工程骟马台大桥末端;终点桩号K19+850,位于新建右副拉脊山隧道的中部桥梁涵洞设计荷载等级为公路-Ⅰ级,桥面宽:净-10+2×0.5m防撞护栏,设计行车速度:60km/h,设计洪水频率:大中桥1/100,小桥涵1/50,抗震设防措施:测区基本地震加速度0.05g,按Ⅶ度区设防。5、主要工程数量我合同段主要工程内容包括路基工程、桥涵工程、防护排水工程和隧道工程等,本合同段有13×20m预应力砼空心板简支梁桥一座,0#桥台为肋板式桥台、桩基础,13#桥台为U型重力式桥台、扩大基础,桥墩为桩柱式结构。全桥共有钢筋砼及片石砼4902m3,钢筋378.316t,预应力砼空心板78片,钻孔灌注桩458m/28根。详见下表。主要工程数量统计表编号细目名称403-1基础钢筋(包括灌注桩、承台、沉柱、沉井等-a光圆钢筋R235-b带肋钢筋HRB355403-2下部结构钢筋(墩身、盖梁)-a光圆钢筋(R235)-b带肋钢筋(HRB355)403-3上部结构钢筋-a光圆钢筋(R235)-b带肋钢筋(HRB355)403-4附属结构钢筋(防撞栏杆、铺装、搭板等)-a光圆钢筋(R235)-b带肋钢筋(HRB355)404-1干处挖土方404-5砂砾石回填(锥坡、台背等)405-1钻孔灌注桩;桩径…m-b桩径1.5m410-1混凝土基础(包括支撑梁、桩基承台;但不包括桩基)-aC25片石混凝土-bC30混凝土410-2混凝土下部结构-cC30混凝土-eC25片石混凝土410-3现浇混凝土上部结构-aC50混凝土410-4预制混凝土上部结构-aC50混凝土410-6现浇混凝土附属结构(防撞栏杆、搭板等)-bC30混凝土411-5后张法预应力钢绞线413-1浆砌片石-a415-2-b415-3-a416-2417-2-b-c6、施工条件(1)地形地貌隧址区属于高山剥蚀地貌,海拔高程3224.22-3846.37m,相对高差622m。山脊走向北西西-南东东走向与隧道方向近直交,进口处山坡较陡,坡度45~50°.出口坡度较缓。(2)水文气象本区属于半干旱型大陆气候,日照时间长,太阳辐射强,春季干旱多风秋季阴湿多雨不冻期长、气温日差大、雨量集中且蒸发量极大年平均气温3.1~7.2℃,一月平均气温-2.5~10℃,七月平均气温14.3~25.3℃,极端最高气温28.7℃,最低气温-37.0℃,垂直地带性气温差异十分明显:海拔3100米以上的中高山区年均气温小于0.7℃,海拔2750~3000米地带,年均气温1.2℃,海拔低于2750米低山丘陵年均气温2.5~4.2℃,年将水量258.8~533.4mm,最大日降水量52.3~62.2mm,年蒸发量1344~2094mm;风向以西南为主,其次为东北风,年均风速1.8~2.1m/s;最大风速达20m/s;最大冻土深度为111~130cm;最大积雪厚度为23mm,降雪初终期为十月中旬至来年五月上旬。拉脊山平均海拔为3400m左右,气温低,降水丰富,多为雪区。根据有关地质资料和经验推算,拉脊山地区最冷月平均气温-16.0~-16.7℃,境内相对湿度小,年均相对湿度为49%,最大在七月,平均为64%,最小在3、4月,平均为34%;年均气压为722毫巴,一般不会引起高山反应。(3)地层岩性隧址区出漏地层为第四系,晚古年代(δ...

1、当您付费下载文档后,您只拥有了使用权限,并不意味着购买了版权,文档只能用于自身使用,不得用于其他商业用途(如 [转卖]进行直接盈利或[编辑后售卖]进行间接盈利)。
2、本站所有内容均由合作方或网友上传,本站不对文档的完整性、权威性及其观点立场正确性做任何保证或承诺!文档内容仅供研究参考,付费前请自行鉴别。
3、如文档内容存在违规,或者侵犯商业秘密、侵犯著作权等,请点击“违规举报”。

碎片内容

桥梁专项施工方案[1]

您可能关注的文档

黄金阁书苑+ 关注
实名认证
内容提供者

热爱教学事业,对互联网知识分享很感兴趣

确认删除?
VIP
微信客服
  • 扫码咨询
会员Q群
  • 会员专属群点击这里加入QQ群
客服邮箱
回到顶部