电脑桌面
添加小米粒文库到电脑桌面
安装后可以在桌面快捷访问

钢筋施工方案1范本VIP免费

钢筋施工方案1范本_第1页
1/20
钢筋施工方案1范本_第2页
2/20
钢筋施工方案1范本_第3页
3/20
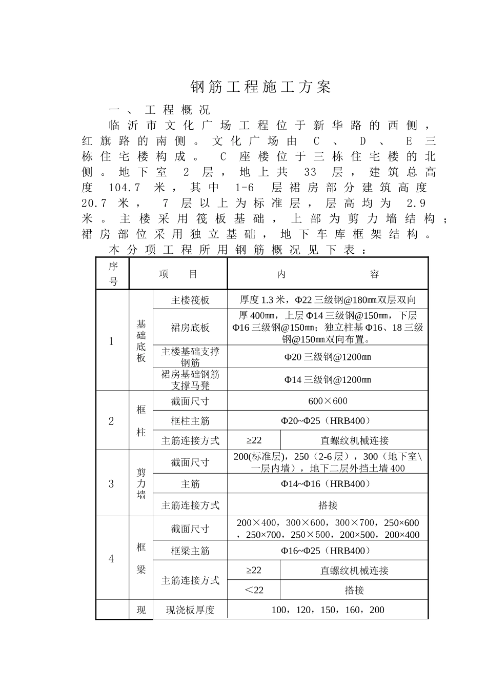
钢筋工程施工方案一、工程概况临沂市文化广场工程位于新华路的西侧,红旗路的南侧。文化广场由C、D、E三栋住宅楼构成。C座楼位于三栋住宅楼的北侧。地下室2层,地上共33层,建筑总高度104.7米,其中1-6层裙房部分建筑高度20.7米,7层以上为标准层,层高均为2.9米。主楼采用筏板基础,上部为剪力墙结构;裙房部位采用独立基础,地下车库框架结构。本分项工程所用钢筋概况见下表:序号项目内容1基础底板主楼筏板厚度1.3米,Φ22三级钢@180㎜双层双向裙房底板厚400㎜,上层Φ14三级钢@150㎜,下层Φ16三级钢@150㎜;独立柱基Φ16、18三级钢@150㎜双向布置。主楼基础支撑钢筋Φ20三级钢@1200㎜裙房基础钢筋支撑马凳Φ14三级钢@1200㎜2框柱截面尺寸600×600框柱主筋Φ20~Φ25(HRB400)主筋连接方式≥22直螺纹机械连接3剪力墙截面尺寸200(标准层),250(2-6层),300(地下室\一层内墙),地下二层外挡土墙400主筋Φ14~Φ16(HRB400)主筋连接方式搭接4框梁截面尺寸200×400,300×600,300×700,250×600,250×700,250×500,200×500,200×400框梁主筋Φ16~Φ25(HRB400)主筋连接方式≥22直螺纹机械连接<22搭接现现浇板厚度100,120,150,160,2005浇楼板板主筋Φ8~Φ14(HRB400)连接方式搭接二、编制依据1、《图纸会审纪要》;2、《施工组织设计》;3、《混泥土结构工程施工质量验收规范》;4、《钢筋焊接及验收规程》;5、《钢筋焊接接头试验方法》;6、《建筑安装工程资料管理规程》;7、《施工现场临时用电安全技术规程》;8、《建筑机械使用安全技术规程》三、施工准备1、技术准备(1)审图:要认真核对图纸,对有疑问之处应及时和甲方、设计单位取得联系,以得到解决。(2)配筋:由钢筋翻样按照设计图纸和相关的施工规范进行翻样,钢筋配料单经工程技术负责人审核签字后用于钢筋加工和绑扎。(3)对进厂的原材料钢筋,用于剪力墙和地下一层的框架结构钢筋为二级抗震必须进行屈强比和强屈比验算。(4)加强区做法按设计图纸要求:本工程14.1米以下(5层平台以下)为剪力墙底部加强部位,加强区钢筋布置参照图集03G101-1中49页分别为:剪力墙转角处、丁字墙、无约束端部暗柱、约束边缘端柱等四种情况下按图集及设计要求加强。2、材料准备(1)按照施工进度计划的需要组织钢筋进场。(2)每批钢筋进场都必须具有出厂质量证明,并按规格分类码放整齐,离地200mm以上,以免钢筋受到锈蚀和污染。场地宜坚硬、场地排水流畅。(3)钢筋进场后要及时按照规范要求进行外观检验和进行分批复试。钢筋进场后同炉号、同批量、同规格每60t为一验收批,不足60t也按一批计算,取样数量:二根拉力试验,二根冷弯试验。低碳钢热轧园盘条,每批重量不大于60T,每批中截取一个试件做拉力试验,二根试件做冷弯试验。(4)所有进场钢筋必须按照钢筋的检验状态即进场待检验、已检验合格、已检验不合格三种检验状态进行标识。(5)已检验合格的钢筋方可进行加工使用。已检验不合格钢筋严禁用于工程上,并尽快请甲方(钢筋甲供)做退场处理,同时要做好不合格品的处理记录。(6)垫块:垫块用1:2水泥砂浆制作,黄砂为中粗砂,水泥强度等级PO.32.5,30×30mm见方,厚度同保护层厚度,底板10cm保护层垫块用C20细石砼制作100×80×80mm,垫块内预埋铁丝,垫块厚度允许误差3mm。要注意对垫块的养护,确保其强度。钢筋保护层3、机具准备钢筋加工机具器具名称规格单位数量闪光对焊机UN1-100/150台一台钢筋弯曲机GW-40/50台各1台钢筋切断机GQ-40/50台各1台直螺纹攻丝LBG-40D型台4构件名称外墙迎水面基础底板下部基础底板上部梁柱板墙保护层35402525301515机调直切断机只1电焊机BX-500只34、连接接头(1)接头形式基础底板水平、框架梁钢筋、墙体、柱(包括暗柱)竖向钢筋的连接:当钢筋直径≥22mm的钢筋采用直螺纹机械连接,钢筋直径<22mm时采用搭接接头。为节约成本对于切断后的短料采用闪光对焊焊接加工成成品钢筋。当采用机械连接或闪光对焊时应先做工艺检验,待工艺检验合格后方可大批量进行加工。(2)搭接长度要求钢筋的锚固长度见下表:备注:本工程所有剪力墙结构为二级抗震;框架结构中地下一...

1、当您付费下载文档后,您只拥有了使用权限,并不意味着购买了版权,文档只能用于自身使用,不得用于其他商业用途(如 [转卖]进行直接盈利或[编辑后售卖]进行间接盈利)。
2、本站所有内容均由合作方或网友上传,本站不对文档的完整性、权威性及其观点立场正确性做任何保证或承诺!文档内容仅供研究参考,付费前请自行鉴别。
3、如文档内容存在违规,或者侵犯商业秘密、侵犯著作权等,请点击“违规举报”。

碎片内容

钢筋施工方案1范本

确认删除?
VIP
微信客服
  • 扫码咨询
会员Q群
  • 会员专属群点击这里加入QQ群
客服邮箱
回到顶部