电脑桌面
添加小米粒文库到电脑桌面
安装后可以在桌面快捷访问

第一节 模板工程VIP免费

第一节 模板工程_第1页
1/36
第一节 模板工程_第2页
2/36
第一节 模板工程_第3页
3/36
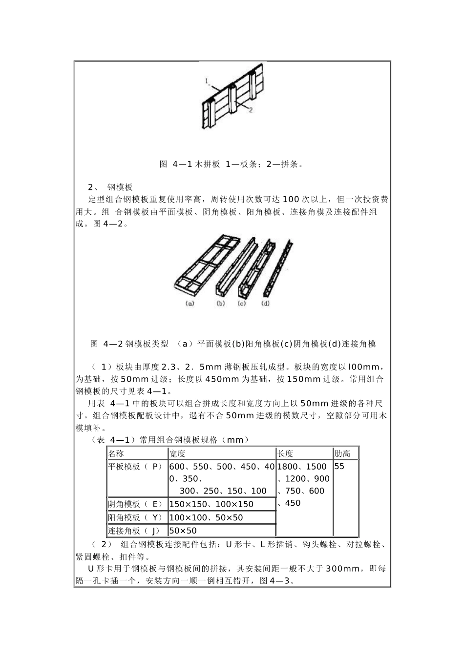
第四章钢筋混凝土工程第一节模板工程[目的要求]了解:模板的作用组成及基本要求,大模板和滑升模板构造、施工工艺。熟悉:现行规范对模板分项工程的有关规定。掌握:模板的构造与安装。[讲授重点]模板的构造与安装。[讲授难点]大模板和滑升模板构造、施工工艺。[讲授内容]一、模板的作用组成及基本要求1、作用①保证混凝土浇筑后,混凝土的位置、形状、尺寸符合要求。②避免混凝土损坏。2、组成主要由模板系统和支承系统组成。模板系统:与混凝土直接接触,它主要使混凝土具有构件所要求的体积。支撑系统:则是支持模板,保证模板位置正确和承受模板、混凝土等重量的结构。3、基本要求①形状尺寸准确;②足够的强度、刚度及稳定性;③构造简单、装拆方便,能多次周转使用;④接缝严密,不得漏浆;⑤用料经济。二、模板分类模板按所用的材料不同,分为木模板、钢木模板、胶合板模板、钢竹模板、钢模板、塑料模板、玻璃模板、铝合金模板等。1、木模板木模板的主要优点是制作拼装随意,尤适用于浇筑外形复杂、数量不多的混凝土结构或构件。此外,因木材导热系数低,混凝土冬期施工时,木模板有一定的保温养护作用。木模板的木材主要采用松木和杉木,其含水率不宜过高,以免干裂,一般含水率应低于19%,木模板的基本元件为拼板(图4—1),由板条与拼条钉成。板条的宽度不宜大于200mm,以免受潮翘曲。拼条的间距取决于板条面受荷大小以及板条厚度,一般为400~500mm。图4—1木拼板1—板条;2—拼条。2、钢模板定型组合钢模板重复使用率高,周转使用次数可达100次以上,但一次投资费用大。组合钢模板由平面模板、阴角模板、阳角模板、连接角模及连接配件组成。图4—2。图4—2钢模板类型(a)平面模板(b)阳角模板(c)阴角模板(d)连接角模(1)板块由厚度2.3、2.5mm薄钢板压轧成型。板块的宽度以l00mm,为基础,按50mm进级;长度以450mm为基础,按150mm进级。常用组合钢模板的尺寸见表4—1。用表4—1中的板块可以组合拼成长度和宽度方向上以50mm进级的各种尺寸。组合钢模板配板设计中,遇有不合50mm进级的模数尺寸,空隙部分可用木模填补。(表4—1)常用组合钢模板规格(mm)名称宽度长度肋高平板模板(P)600、550、500、450、400、350、300、250、150、1001800、1500、1200、900、750、600、45055阴角模板(E)150×150、100×150阳角模板(Y)100×100、50×50连接角板(J)50×50(2)组合钢模板连接配件包括:U形卡、L形插销、钩头螺栓、对拉螺栓、紧固螺栓、扣件等。U形卡用于钢模板与钢模板间的拼接,其安装间距一般不大于300mm,即每隔一孔卡插一个,安装方向一顺一倒相互错开,图4—3。图4—3钢模板连接件•U形卡连接(b)L形插销连接(c)钩头螺拴连接•(d)紧固螺栓连接(e)对拉螺栓连接1—圆钢管钢楞;2—“3”形扣件;3—钩头螺拴;4—内卷边槽钢钢楞;5—蝶形扣件;6—紧固螺栓;7—对拉螺栓;8—塑料套管;9—螺母;L形插销用于两个钢模板端肋与端肋连接。将L形插销插入钢模板端部横肋的插销孔内图4-3b。当需将钢模板拼接成大块模板时,除了用U形卡及L形插销外,在钢模板外侧要用钢楞(圆形钢管、矩形钢管、内卷边槽钢等)加固,钢楞与钢模板间用钩头螺栓及3形扣件、蝶形扣件连接。浇筑钢筋混凝土墙体时,墙体两侧模板间用对拉螺栓连接,对拉螺栓截面应保证安全承受混凝土的侧压力。见图4-3c、d、e。(3)组合钢模板的支承工具组合钢模板的支承件包括柱箍、钢楞、支柱、卡具、斜撑、钢桁架等。①钢管卡具及柱箍图4—4所示钢管卡具适用于矩形梁,用于固定侧模板。卡具可用于把侧模固定在底模板上,此时卡具安装在梁下部;卡具也可用于梁侧模上口的卡固定位,此时卡具安装在梁上方。图4—4梁钢管卡具1—Φ32钢管;2—Φ25钢管;3—Φ10圆孔;4—Φ9钢销;5—螺栓;6—螺母;7—钢筋环柱模板四周设角钢柱箍。角钢柱箍由两根互相焊成直角的角钢组成,用弯角螺栓及螺母拉紧,如图4—5;也可用60X5扁钢制成扁钢柱箍,如图4—5或槽钢柱箍,如图4—5。图4—5(a)角钢柱箍(b)扁钢柱箍(c)槽钢柱箍②钢管支柱钢管支柱由内外两节钢管组成,可以伸缩以调节支柱高度。在内外钢管上每隔100mm钻...

1、当您付费下载文档后,您只拥有了使用权限,并不意味着购买了版权,文档只能用于自身使用,不得用于其他商业用途(如 [转卖]进行直接盈利或[编辑后售卖]进行间接盈利)。
2、本站所有内容均由合作方或网友上传,本站不对文档的完整性、权威性及其观点立场正确性做任何保证或承诺!文档内容仅供研究参考,付费前请自行鉴别。
3、如文档内容存在违规,或者侵犯商业秘密、侵犯著作权等,请点击“违规举报”。

碎片内容

第一节 模板工程

确认删除?
VIP
微信客服
  • 扫码咨询
会员Q群
  • 会员专属群点击这里加入QQ群
客服邮箱
回到顶部