电脑桌面
添加小米粒文库到电脑桌面
安装后可以在桌面快捷访问

电视机的原理及维修实训VIP免费

电视机的原理及维修实训_第1页
1/28
电视机的原理及维修实训_第2页
2/28
电视机的原理及维修实训_第3页
3/28
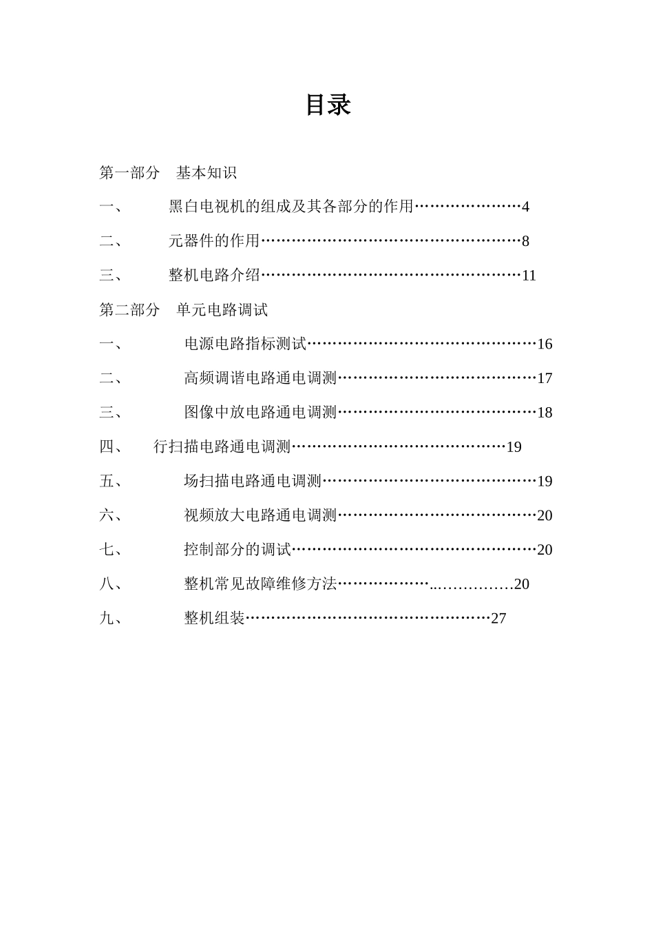
目录第一部分基本知识一、黑白电视机的组成及其各部分的作用…………………4二、元器件的作用……………………………………………8三、整机电路介绍……………………………………………11第二部分单元电路调试一、电源电路指标测试………………………………………16二、高频调谐电路通电调测…………………………………17三、图像中放电路通电调测…………………………………18四、行扫描电路通电调测……………………………………19五、场扫描电路通电调测……………………………………19六、视频放大电路通电调测…………………………………20七、控制部分的调试…………………………………………20八、整机常见故障维修方法………………..……………20九、整机组装…………………………………………27第一部分基本知识电视机工作原理1)电视发射机发送电视图象信号和伴音信号的设备叫。它一般由图象发射机(发射图象信号)和伴音发射机(发射伴音信号)组成。从电视中心来的图象信号和伴音信号分别送到两部发射机中,进行图象和伴音调制放大,然后经过双工器共用一付发射天线将已调制的高频电视信号发射出去。双工器的作用是保证两部发射机能共用一付发射天线,而互不干扰。即图象机的信号不倒入伴音机,伴音机的信号也不倒入图象机,如图1所示。此外,发射机还包括各种测试设备,可以随时监视与检测整个发射系统的工作状态。2)电视接收机简称电视机,是广播电视系统的中端设备,它的主要作用是把电视台发出的高频信号进行放大、解调,并将放大的图像信号加至显像管栅机极或阴极间,使图像在屏幕上重现,将伴音信号放大,推动扬声器放出声音。另外,在同步信号作用下产生与发送端同步的行、场扫描电流,供给显像管偏转线圈,使屏幕重现图像。目前电视机大都采用超外差内载波方式。电视信号传送过程2.黑白电视接收机的组成黑白电视接收机主要由信号通道(包括高频头,中放,视放和伴音通道),扫描电路(包括同步分离,场、行扫描电路)和电源三部分组成。如图3所示信号通道的任务是将天线接收到的高频电视信号变换成视频亮度信号和音频伴音信号。亮度信号激励显像管产生黑白图像,伴音信号推动扬声器产生电视伴音。扫描电路的任务是为显像管提供场、行扫描电流和各种电压,使显像管产生与电视台摄像管同步扫描的光栅。电源部分的任务是将交流市电转变成电视机所需要的各种直流电压。(1)高频调谐器高频调谐器俗称高频头,其功能是变频与选台,即在变频过程中选择某一频道的电视台节目,黑白电视机多数采用机械式高频调谐器,它由高放级、本机振荡级和混频级组成,并封装在一个金属屏蔽盒中,安装在电视机机壳前板,供用户选择频道。由天线接收到的或有线传输的高频电视信号,先送入高频调谐器,经高频放大后,在混频级中与本机振荡器产生的高频振荡信号进行混频,产生载频为38MHz的图像中频信号及31.5MHz的伴音中频信号输出,也就是将欲观看频道的高频电视信号变换成中频电视信号,这就是变频。改变本机振荡的频率就可以实现选择频道。(2)中频放大级功能是选频与放大,中频放大器一般由三级放大组成,它用于放大高频调谐器输出的微弱的中频电视信号。中频放大器的增益一般为60~80dB,电视机的接收灵敏度主要取决于中频放大器的增益,电视机的选择性主要取决于中频放大器的选择性。(3)视频检波级有两个功能,一是从38MHz图像信号调幅波中检出视频信号,二是将31.5Mhz伴音中频信号与38MHz图像中频信号进行一次混频,以产生6.5MHz的差频信号,此信号又称为第二伴音中频信号,它仍然是一个调频信号。(4)视频放大级包括预视放级和视频输出放大级。预视放级的功能是对检波级输出的视频信号进行缓冲放大,并将第二伴音中频信号与视频信号相互分离。视放输出级的功能是将视频信号放大到几十伏峰-峰的幅度,然后加到显像管的阴极,以控制电子束电流的强弱,使荧光屏重现图像。另外、视频放大级常设置对比度调整(视频信号幅度调整)和亮度调整(显像管阴极静态电压调整)及消隐电路。(5)伴音通道由伴音中频放大级、鉴频级、音频放大级组成。伴音中频放大级的功能是对6.5MHz伴音第...

1、当您付费下载文档后,您只拥有了使用权限,并不意味着购买了版权,文档只能用于自身使用,不得用于其他商业用途(如 [转卖]进行直接盈利或[编辑后售卖]进行间接盈利)。
2、本站所有内容均由合作方或网友上传,本站不对文档的完整性、权威性及其观点立场正确性做任何保证或承诺!文档内容仅供研究参考,付费前请自行鉴别。
3、如文档内容存在违规,或者侵犯商业秘密、侵犯著作权等,请点击“违规举报”。

碎片内容

电视机的原理及维修实训

黄金阁书苑+ 关注
实名认证
内容提供者

热爱教学事业,对互联网知识分享很感兴趣

确认删除?
VIP
微信客服
  • 扫码咨询
会员Q群
  • 会员专属群点击这里加入QQ群
客服邮箱
回到顶部