电脑桌面
添加小米粒文库到电脑桌面
安装后可以在桌面快捷访问

高层建筑结构方案设计( 38)VIP免费

高层建筑结构方案设计( 38)_第1页
1/33
高层建筑结构方案设计( 38)_第2页
2/33
高层建筑结构方案设计( 38)_第3页
3/33
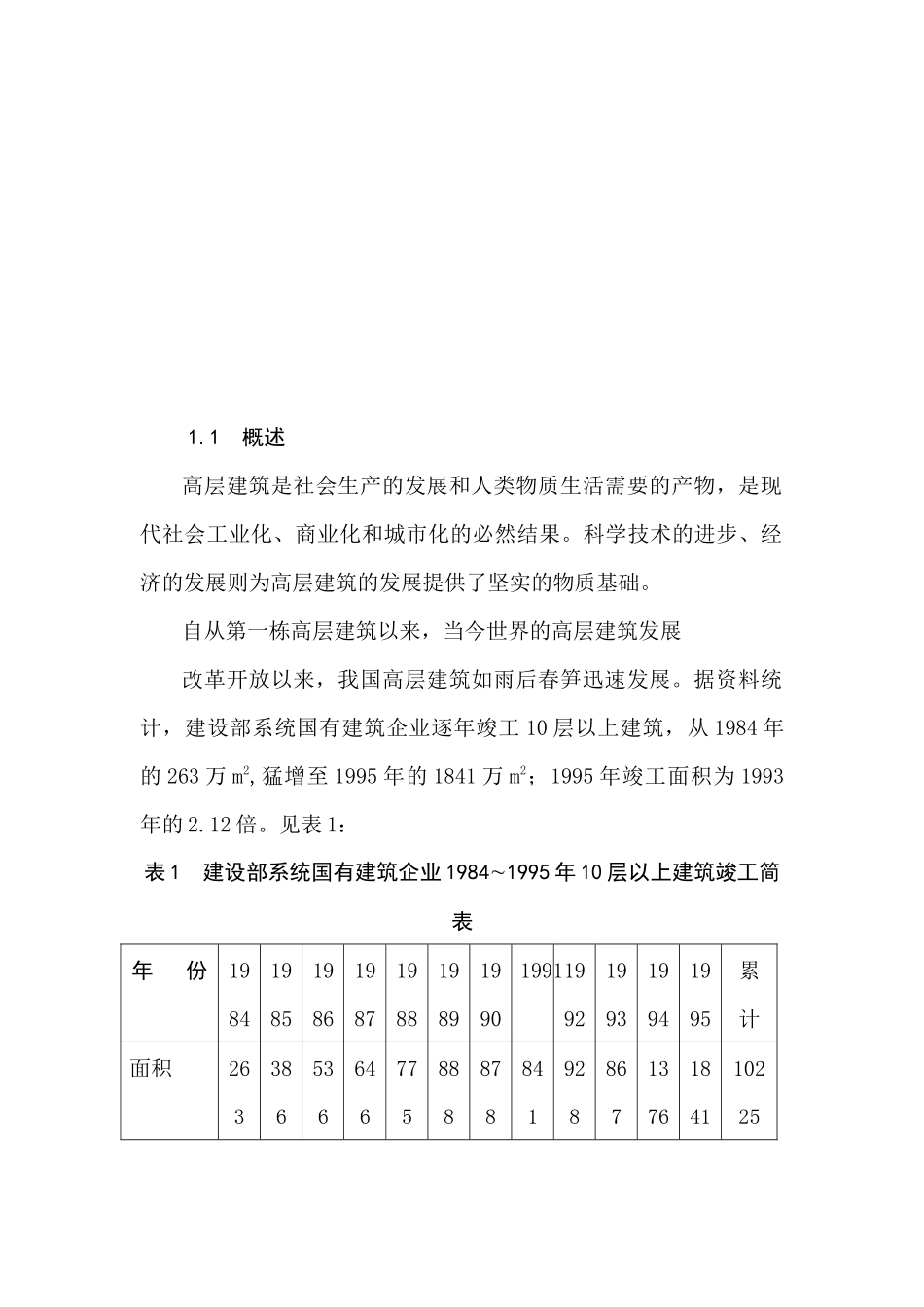
高层建筑结构方案设计1.1概述高层建筑是社会生产的发展和人类物质生活需要的产物,是现代社会工业化、商业化和城市化的必然结果。科学技术的进步、经济的发展则为高层建筑的发展提供了坚实的物质基础。自从第一栋高层建筑以来,当今世界的高层建筑发展改革开放以来,我国高层建筑如雨后春笋迅速发展。据资料统计,建设部系统国有建筑企业逐年竣工10层以上建筑,从1984年的263万m2,猛增至1995年的1841万m2;1995年竣工面积为1993年的2.12倍。见表1:表1建设部系统国有建筑企业19841995年10层以上建筑竣工简表年份198419851986198719881989199019911992199319941995累计面积2633865366467758888788419288671376184110225栋数303381514618711702655590653828102112598235占全部面积%5.16.59.110.513.215.514.714.113.110.915.720.112.4到1999年末,全国国有和集体建筑企业累计建成10层以上建筑估计在3亿m2左右(不包括香港、澳门、台湾地区)。当今国内最高100栋建筑中,1985年建成的仅1栋(深圳国贸大厦,159m,50层),19891995年建成的有14栋,而19961998年建成的有85栋。1990年建成的北京京广中心是我国大陆首栋突破200m的超高层建筑,1996年的深圳地王大厦其高度已达325m、81层,1998年的上海金茂大厦又有突破,达421m、88层。国内已建成最高100栋建筑见附录(截至1998年末)。对高层建筑的界定,目前全世界还没有一个统一标准。例根据联合国科教文组织所属的世界高层建筑委员会的建议,一般将9层以上(含9层)称为高层建筑,并划分为以下四类:916层,高度不超过50m;1725层,高度不超过75m;2640层,高度不超过100m;40层以上,高度超过100m;我国«高层建筑混凝土结构技术规程(JGJ3-2002)»第1.0.2条规定10层及10层以上或房屋高度超过27m为高层建筑;«高层民用建筑设计防火规范(GB50045-95)»2001年版规定10层及10层以上的居住建筑、建筑高度超过24m的公共建筑为高层建筑;1.2高层建筑结构作用效应的特点1.2.1高层建筑结构的受力特点建筑结构所受的外力(作用)主要来自垂直方向和水平方向。在低、多层建筑中,由于结构高度低、平面尺寸较大,其高宽比很小,而结构的风荷载和地震作用也很小,故结构以抵抗竖向荷载为主。也就是说,竖向荷载往往是结构设计的主要控制因素。建筑结构的这种受力特点随着高度的增大而逐渐发生变化。在高层建筑中,首先,在竖向荷载作用下,由图1.2.1-1所示的框架可知,各楼层竖向荷载所产生的框架柱轴力为:边柱N=wlH/2h中柱N=wlH/h即框架柱的轴力和建筑结构的层数成正比;边柱轴力较中柱小,基本上与其受荷面积成正比。就是说,由各楼层竖向荷载所产生的累积效应很大,建筑物层数越多,底层柱轴力越大;顶、底层柱轴力差异越大;中柱、边柱轴力差异也越大。其次,在水平荷载作用下,作为整体受力分析,如果将高层建筑结构简化为一根竖向悬臂梁,那么由图1.2.1-2、图1.2.1-3所示其底部产生的倾复弯矩为:水平均布荷载Mmax=qH2/2倒三角形水平荷载Mmax=Qh3/3即结构底部产生的倾复弯矩与楼层总高度的平方成正比。就是说,建筑结构的高度越大,由水平作用对结构产生的弯矩就更大,较竖向荷载对结构所产生的累积效应增加更快,其产生的结构内力占总结构内力的比重越大,从而成为结构强度设计的主要控制因素。1.2.2高层建筑结构的变形特点在竖向荷载作用下,高层建筑结构的变形主要是竖向构件的压缩变形。由于各竖向构件的应力大小不同,因而其压缩变形大小也不同。在钢筋混凝土结构中,由于在施工过程中的找平,同时由于各竖向构件的基底轴力大小不同,若不对基底应力进行调整,也可能导致基础产生不均匀沉降。在水平荷载作用下,高层建筑结构最大的顶点位移为:水平均布荷载△max=qH4/8EI倒三角形水平荷载△max=11qH4/120EI式中EI为结构的从以上可看出,结构顶点位移与其总高度的四次方成正比。则又比水平荷载作用下的内力累积效应增加更快,这就说明,高层建筑结构对结构的水平侧移是相当敏感的。水平荷载作用下所引起的结构内力及侧移是高层建筑结构设计的主要控制因素。结构应具备较大的抗侧刚度,而不仅仅满足强度...

1、当您付费下载文档后,您只拥有了使用权限,并不意味着购买了版权,文档只能用于自身使用,不得用于其他商业用途(如 [转卖]进行直接盈利或[编辑后售卖]进行间接盈利)。
2、本站所有内容均由合作方或网友上传,本站不对文档的完整性、权威性及其观点立场正确性做任何保证或承诺!文档内容仅供研究参考,付费前请自行鉴别。
3、如文档内容存在违规,或者侵犯商业秘密、侵犯著作权等,请点击“违规举报”。

碎片内容

高层建筑结构方案设计( 38)

您可能关注的文档

确认删除?
VIP
微信客服
  • 扫码咨询
会员Q群
  • 会员专属群点击这里加入QQ群
客服邮箱
回到顶部