电脑桌面
添加小米粒文库到电脑桌面
安装后可以在桌面快捷访问

人力资源-20222、设计技术部岗位说明书VIP免费

人力资源-20222、设计技术部岗位说明书_第1页
1/38
人力资源-20222、设计技术部岗位说明书_第2页
2/38
人力资源-20222、设计技术部岗位说明书_第3页
3/38
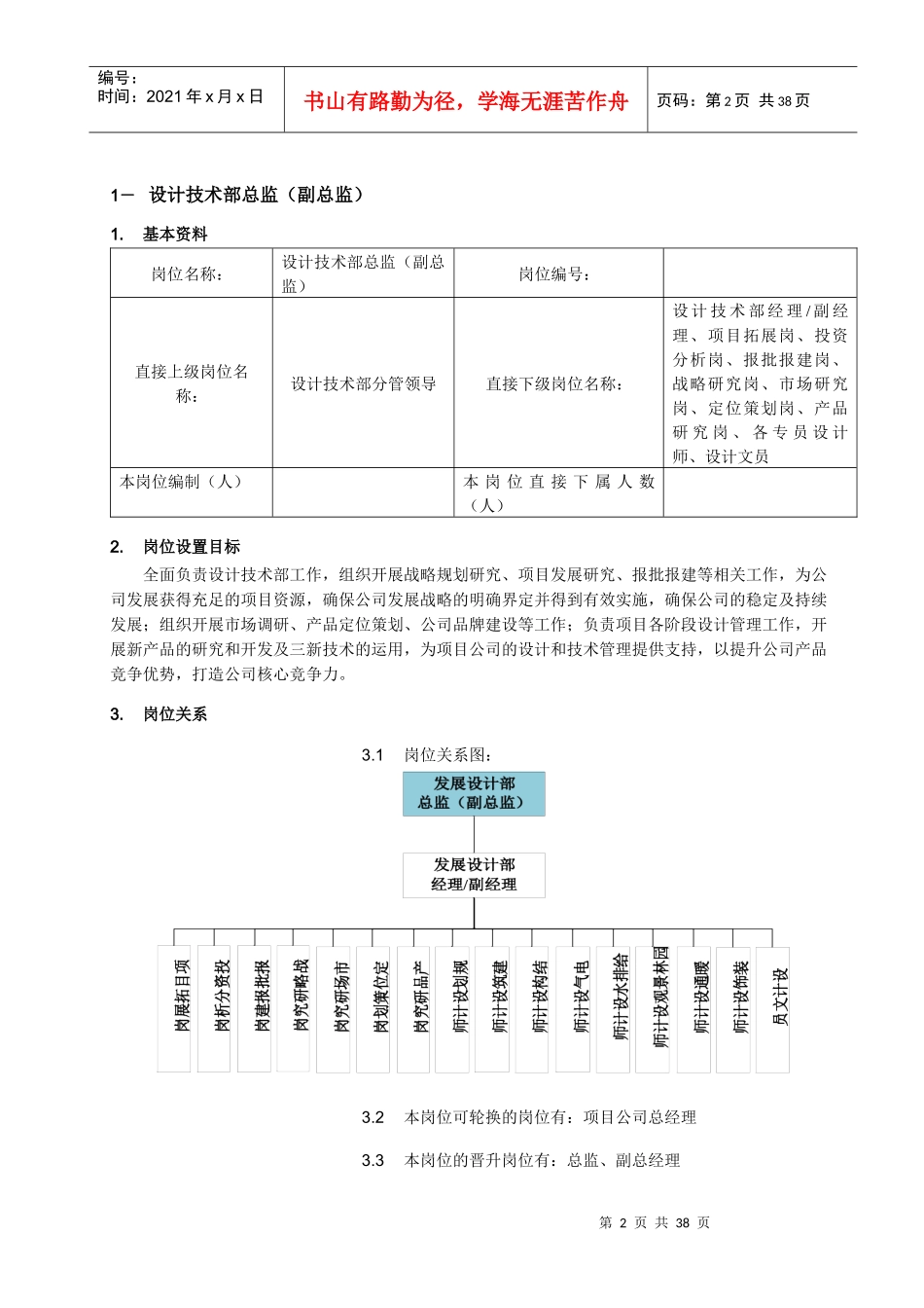
第1页共38页编号:时间:2021年x月x日书山有路勤为径,学海无涯苦作舟页码:第1页共38页设计技术部岗位说明书(讨论版)一、部门架构图二、岗位清单1-设计技术部总监(副总监).............................................................................................................22-设计技术部经理.................................................................................................................................63-产品研究岗.......................................................................................................................................244-规划设计师.......................................................................................................................................265-建筑设计师.......................................................................................................................................296-结构设计师.......................................................................................................................................327-电气设计师.......................................................................................................................................358-给排水设计师...................................................................................................................................389-园林景观设计师...............................................................................................................................4110-暖通设计师......................................................................................................................................4411-装饰设计师.......................................................................................................................................4712-设计文员..........................................................................................................................................50三、各岗位说明书第2页共38页第1页共38页编号:时间:2021年x月x日书山有路勤为径,学海无涯苦作舟页码:第2页共38页1-设计技术部总监(副总监)1.基本资料岗位名称:设计技术部总监(副总监)岗位编号:直接上级岗位名称:设计技术部分管领导直接下级岗位名称:设计技术部经理/副经理、项目拓展岗、投资分析岗、报批报建岗、战略研究岗、市场研究岗、定位策划岗、产品研究岗、各专员设计师、设计文员本岗位编制(人)本岗位直接下属人数(人)2.岗位设置目标全面负责设计技术部工作,组织开展战略规划研究、项目发展研究、报批报建等相关工作,为公司发展获得充足的项目资源,确保公司发展战略的明确界定并得到有效实施,确保公司的稳定及持续发展;组织开展市场调研、产品定位策划、公司品牌建设等工作;负责项目各阶段设计管理工作,开展新产品的研究和开发及三新技术的运用,为项目公司的设计和技术管理提供支持,以提升公司产品竞争优势,打造公司核心竞争力。3.岗位关系3.1岗位关系图:3.2本岗位可轮换的岗位有:项目公司总经理3.3本岗位的晋升岗位有:总监、副总经理第3页共38页第2页共38页编号:时间:2021年x月x日书山有路勤为径,学海无涯苦作舟页码:第3页共38页4.岗位职责岗位通用职责1、负责部门相关管理流程、工作标准及操作规范的建立、完善和执行监控;2、根据公司战略规划和运营目标,编制本部门的业务规划、工作计划,并组织实施;3、拟定本部门的人力资源规划需求;4、负责本部门员工的工作安排,并进行工作指导、监督;5、组织开展本部门的绩效管理工作;6、组织开展部门内的培训工作,并组织参与公司的培训项目;7、参与公司会议,并向本部门员工传达公司的相关政策或决议;8、完成上级领导交办...

1、当您付费下载文档后,您只拥有了使用权限,并不意味着购买了版权,文档只能用于自身使用,不得用于其他商业用途(如 [转卖]进行直接盈利或[编辑后售卖]进行间接盈利)。
2、本站所有内容均由合作方或网友上传,本站不对文档的完整性、权威性及其观点立场正确性做任何保证或承诺!文档内容仅供研究参考,付费前请自行鉴别。
3、如文档内容存在违规,或者侵犯商业秘密、侵犯著作权等,请点击“违规举报”。

碎片内容

人力资源-20222、设计技术部岗位说明书

您可能关注的文档

确认删除?
VIP
微信客服
  • 扫码咨询
会员Q群
  • 会员专属群点击这里加入QQ群
客服邮箱
回到顶部