电脑桌面
添加小米粒文库到电脑桌面
安装后可以在桌面快捷访问

人力资源-2022KPIII-ME-EA-007-04VIP专享VIP免费

人力资源-2022KPIII-ME-EA-007-04_第1页
1/7
人力资源-2022KPIII-ME-EA-007-04_第2页
2/7
人力资源-2022KPIII-ME-EA-007-04_第3页
3/7
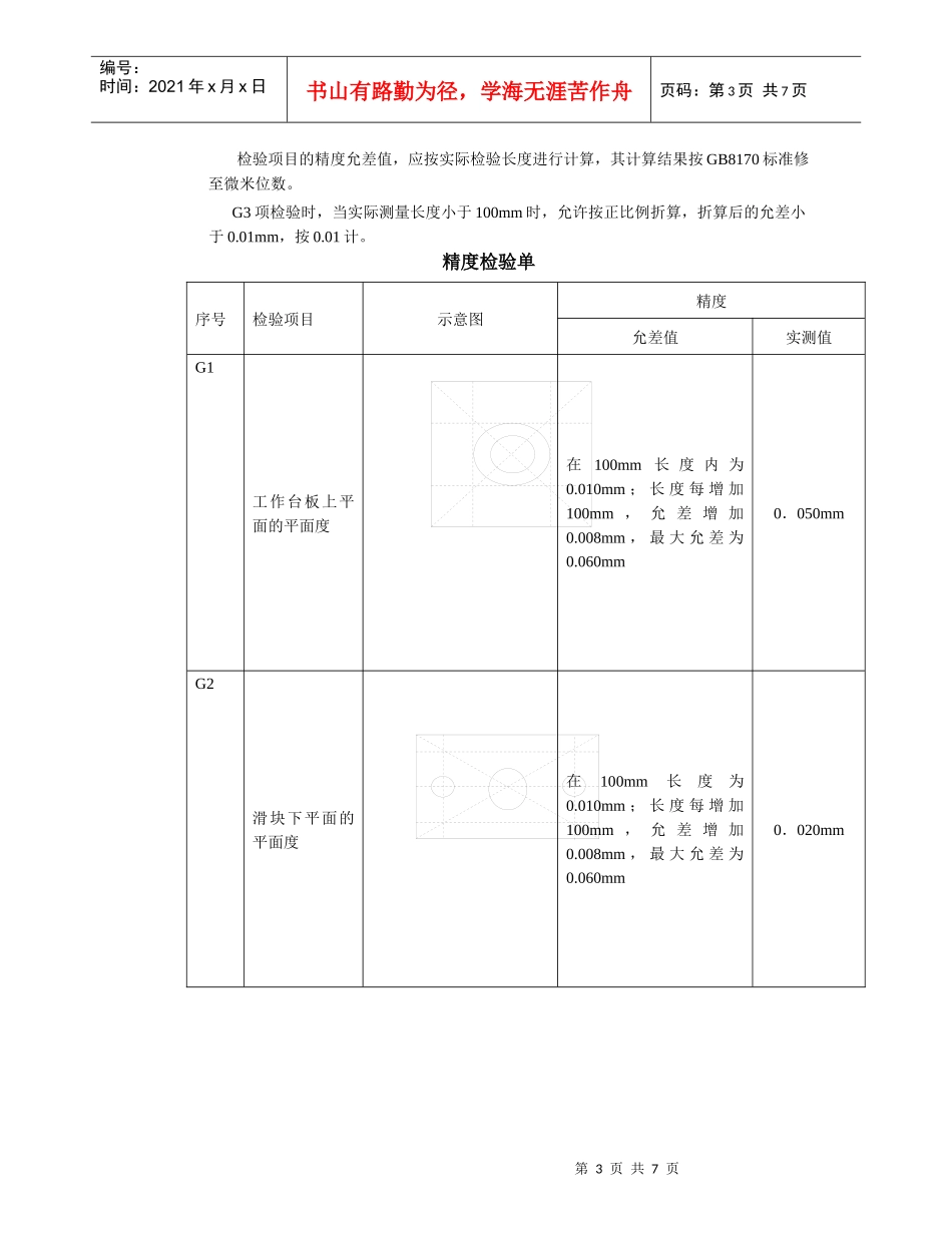
第1页共7页编号:时间:2021年x月x日书山有路勤为径,学海无涯苦作舟页码:第1页共7页主题:JB23-63A型开式倾压力机认可报告文件编号:KP3-ME-EA-007-04致:Prod3#/PUR3#/MPPC由:罗杰/杜红兵发出:杨帆/邓荣均影送:曹玉祥先生/刘艳小姐/周功元先生日期:01-15-2004一、目的:测试上海第二锻压机床生产的63吨啤机各项性能是否满足三公司外形加工的要求。第2页共7页第1页共7页编号:时间:2021年x月x日书山有路勤为径,学海无涯苦作舟页码:第2页共7页二、机械简介:2.1制造商供应商均为上海第二锻压机床厂2.2工作原理:该设备是以曲柄连杆机构实现滑块的往复运动,对板料进行冲压的通用性压力机。在本公司该设备用于PCB板外围及坑槽的切断、成形。2.3主要技术参数:公称力:630千牛滑块行程:110mm最大封闭高度:390mm注:最大封闭高度即当连杆长度最短,滑块处于下死点时,滑块底面到工作台的距离,啤机所能安装啤模的最大高度不能超过啤机的最大封闭高度。封闭高度调节量:80mm工作台尺寸:左右:860mm前后:570mm滑块底面尺寸:左右:400mm前后:360mm模柄孔尺寸:直径:50mm深度:70mm电动机功率:7.5KW重量:5500KG三、机械精度评估1、工作台平面为精度检验的基准面(若压力机不带工作台板,则以机身工作台面为精度检验的基准面)。2、精度检验前应调整压力机的安装水平,在工作台板中间位置,沿压力纵向和横向放置水平仪,水平仪的读数均不应超过0.20/1000。3、允差值的确定:第3页共7页第2页共7页编号:时间:2021年x月x日书山有路勤为径,学海无涯苦作舟页码:第3页共7页检验项目的精度允差值,应按实际检验长度进行计算,其计算结果按GB8170标准修至微米位数。G3项检验时,当实际测量长度小于100mm时,允许按正比例折算,折算后的允差小于0.01mm,按0.01计。精度检验单序号检验项目示意图精度允差值实测值G1工作台板上平面的平面度在100mm长度内为0.010mm;长度每增加100mm,允差增加0.008mm,最大允差为0.060mm0.050mmG2滑块下平面的平面度在100mm长度为0.010mm;长度每增加100mm,允差增加0.008mm,最大允差为0.060mm0.020mm第4页共7页第3页共7页编号:时间:2021年x月x日书山有路勤为径,学海无涯苦作舟页码:第4页共7页G3滑块下平面的平面对工作台板上平行度a左右b前后公称力≤630KNa每100mm测量长度上为0.015mmb每100mm测量长度上为0.020mm公称力>630~2500KNa每100mm测量长度上为0.020mmb每100mm测量长度上为0.030mm(滑块的前端只许向下偏)A0.020/100B0.018/100G4模柄孔对滑块下平面的垂直度a左右b前后a和b0.05/100注:100mm为检验体长度0.050/100四,设备运行品质评估4.1稳定性评估在考察期间(2003年7月1日~2003年12月31日),啤机运行一切正常,啤板精度合乎要求,稳定性符合要求。4.2可操作性评估1)已发出临时工作指示,详见文件13541-25-006根据临时工作指示可正常操作。2)已进行临时工作指示培训及其操作考核。3)已进行工业安全培训。ABAB第5页共7页第4页共7页编号:时间:2021年x月x日书山有路勤为径,学海无涯苦作舟页码:第5页共7页小结:可操作性合乎要求。4.3安全性评估设备装有紧急开关,并加装光电感应安全装置,当人体部分处于危险区域时,啤机马上自动禁止运行,有效防止工业意外。小结:安全性合乎要求。4.4啤板生产精度测试根据生产需要,选取板号P24200为测试对象。测试标准为孔到边+/-4mil,边到边+/-8mil,每天取样数为10set,取样范围为1个工作周。测试数据分析如下,实测数据详见附录。边对边精度(长边):(单位:mil)第一天6522.56512.56521.56515.56518.5第二天6521.56519.56517.06521.06516.5第三天6528.56517.56521.065206519.5第四天6522.06515.06522.56520.56521.5第五天6519.56517.56522.06520.06523.0第六天6518.56522.06520.56520.56522.0第七天6518.06515.06517.56518.56519.0标准值:6519.5mil最大值:6528mil最小值:6515mil平均值:6519.6milPPK=1.71>1.67边对边精度(短边):(单位:mil)第一天2846.02840.52843.02845.02847.0第二天2843.52844.02842.02841.02844.5第三天2843.52844.02846.52843.02843.0第四天2846.0...

1、当您付费下载文档后,您只拥有了使用权限,并不意味着购买了版权,文档只能用于自身使用,不得用于其他商业用途(如 [转卖]进行直接盈利或[编辑后售卖]进行间接盈利)。
2、本站所有内容均由合作方或网友上传,本站不对文档的完整性、权威性及其观点立场正确性做任何保证或承诺!文档内容仅供研究参考,付费前请自行鉴别。
3、如文档内容存在违规,或者侵犯商业秘密、侵犯著作权等,请点击“违规举报”。

碎片内容

人力资源-2022KPIII-ME-EA-007-04

确认删除?
VIP
微信客服
  • 扫码咨询
会员Q群
  • 会员专属群点击这里加入QQ群
客服邮箱
回到顶部