电脑桌面
添加小米粒文库到电脑桌面
安装后可以在桌面快捷访问

泾县琴溪河琴溪段防洪工程施工方案VIP免费

泾县琴溪河琴溪段防洪工程施工方案_第1页
1/55
泾县琴溪河琴溪段防洪工程施工方案_第2页
2/55
泾县琴溪河琴溪段防洪工程施工方案_第3页
3/55
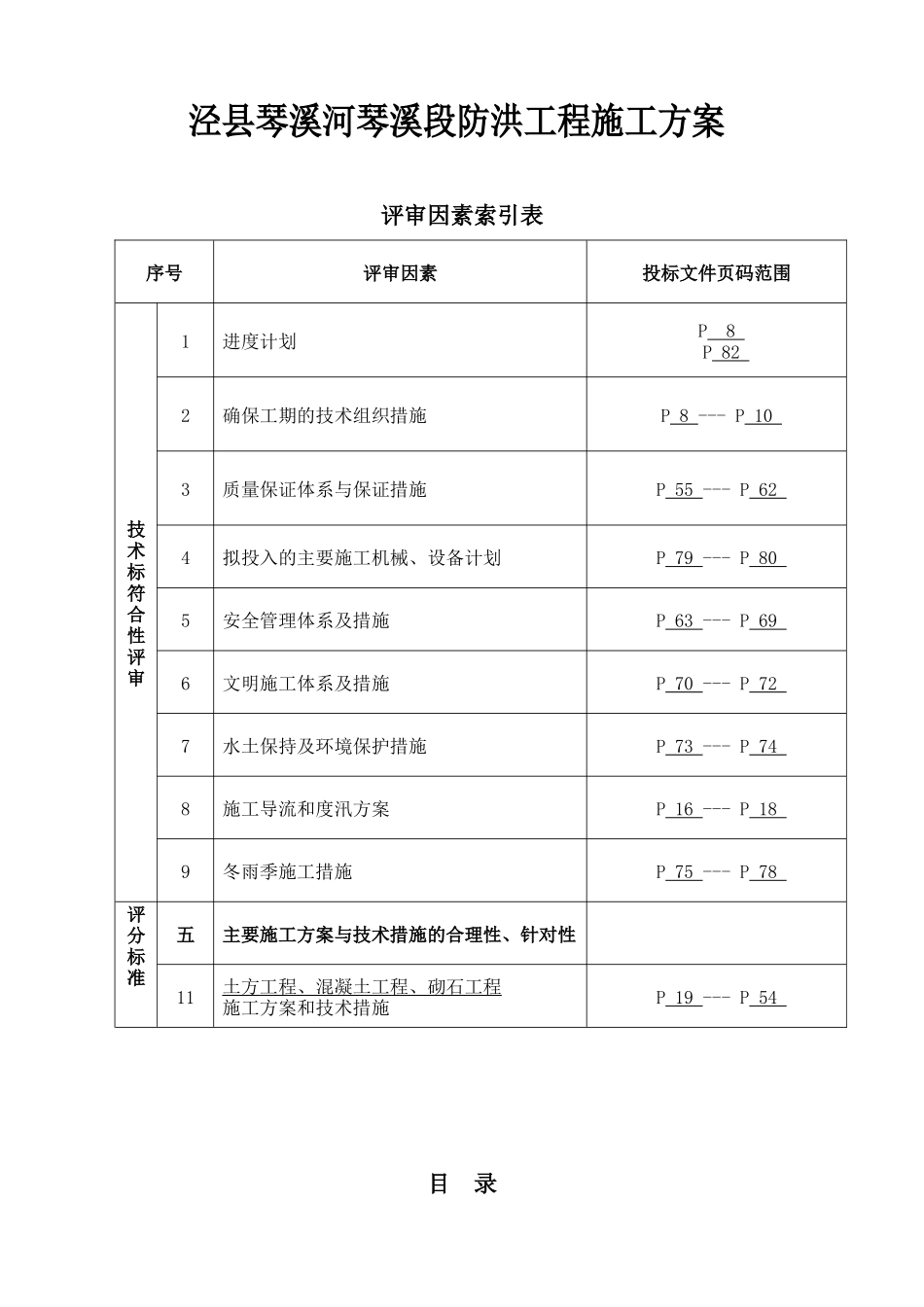
泾县琴溪河琴溪段防洪工程施工方案评审因素索引表序号评审因素投标文件页码范围技术标符合性评审1进度计划P8P822确保工期的技术组织措施P8---P103质量保证体系与保证措施P55---P624拟投入的主要施工机械、设备计划P79---P805安全管理体系及措施P63---P696文明施工体系及措施P70---P727水土保持及环境保护措施P73---P748施工导流和度汛方案P16---P189冬雨季施工措施P75---P78评分标准五主要施工方案与技术措施的合理性、针对性11土方工程、混凝土工程、砌石工程施工方案和技术措施P19---P54目录第一章对工程的认识与理解...................................................................................................................-1-1.1一般规定..............................................................................................................................................-1-1.2对工程施工重点、技术关键点的理解和认识.................................................................................-1-1.3承担本工程施工的总体设想.............................................................................................................-2-1.4我公司承建本工程的优势.................................................................................................................-3-1.5对招标文件、合同主要条款的承诺.................................................................................................-3-第二章施工总布置...................................................................................................................................-4-2.1施工总平面布置图及说明书............................................................................................................-4-2.2水电、通讯及交通工具布置............................................................................................................-4-2.3施工道路............................................................................................................................................-4-2.4材料采购............................................................................................................................................-4-2.5临时用房............................................................................................................................................-5-2.6机械布置及机械停放场....................................................................................................................-5-2.7施工排水............................................................................................................................................-5-2.8施工照明............................................................................................................................................-5-2.9总体施工工序安排............................................................................................................................-5-第三章施工总进度计划与工期保证措施...............................................................................................-7-3.1施工工序............................................................................................................................................-7-3.2施工进度安排原则............................................................................................................................-7-3.3施工总工期..............................................................................................................

1、当您付费下载文档后,您只拥有了使用权限,并不意味着购买了版权,文档只能用于自身使用,不得用于其他商业用途(如 [转卖]进行直接盈利或[编辑后售卖]进行间接盈利)。
2、本站所有内容均由合作方或网友上传,本站不对文档的完整性、权威性及其观点立场正确性做任何保证或承诺!文档内容仅供研究参考,付费前请自行鉴别。
3、如文档内容存在违规,或者侵犯商业秘密、侵犯著作权等,请点击“违规举报”。

碎片内容

泾县琴溪河琴溪段防洪工程施工方案

您可能关注的文档

黄金阁书苑+ 关注
实名认证
内容提供者

热爱教学事业,对互联网知识分享很感兴趣

确认删除?
VIP
微信客服
  • 扫码咨询
会员Q群
  • 会员专属群点击这里加入QQ群
客服邮箱
回到顶部