电脑桌面
添加小米粒文库到电脑桌面
安装后可以在桌面快捷访问

工业园区规划基础资料调查内容VIP专享VIP免费

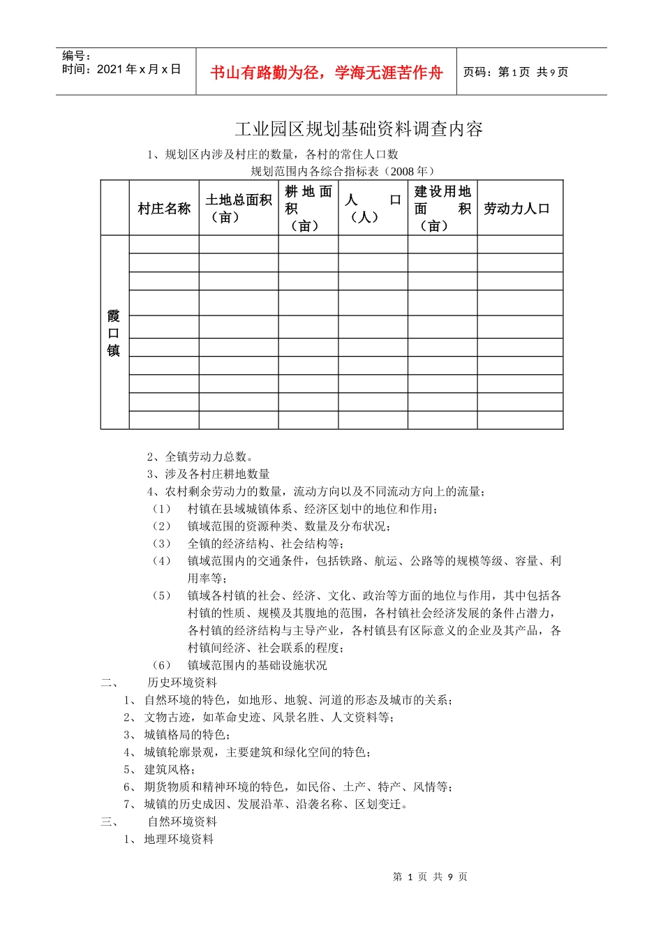
工业园区规划基础资料调查内容_第1页
1/9
工业园区规划基础资料调查内容_第2页
2/9
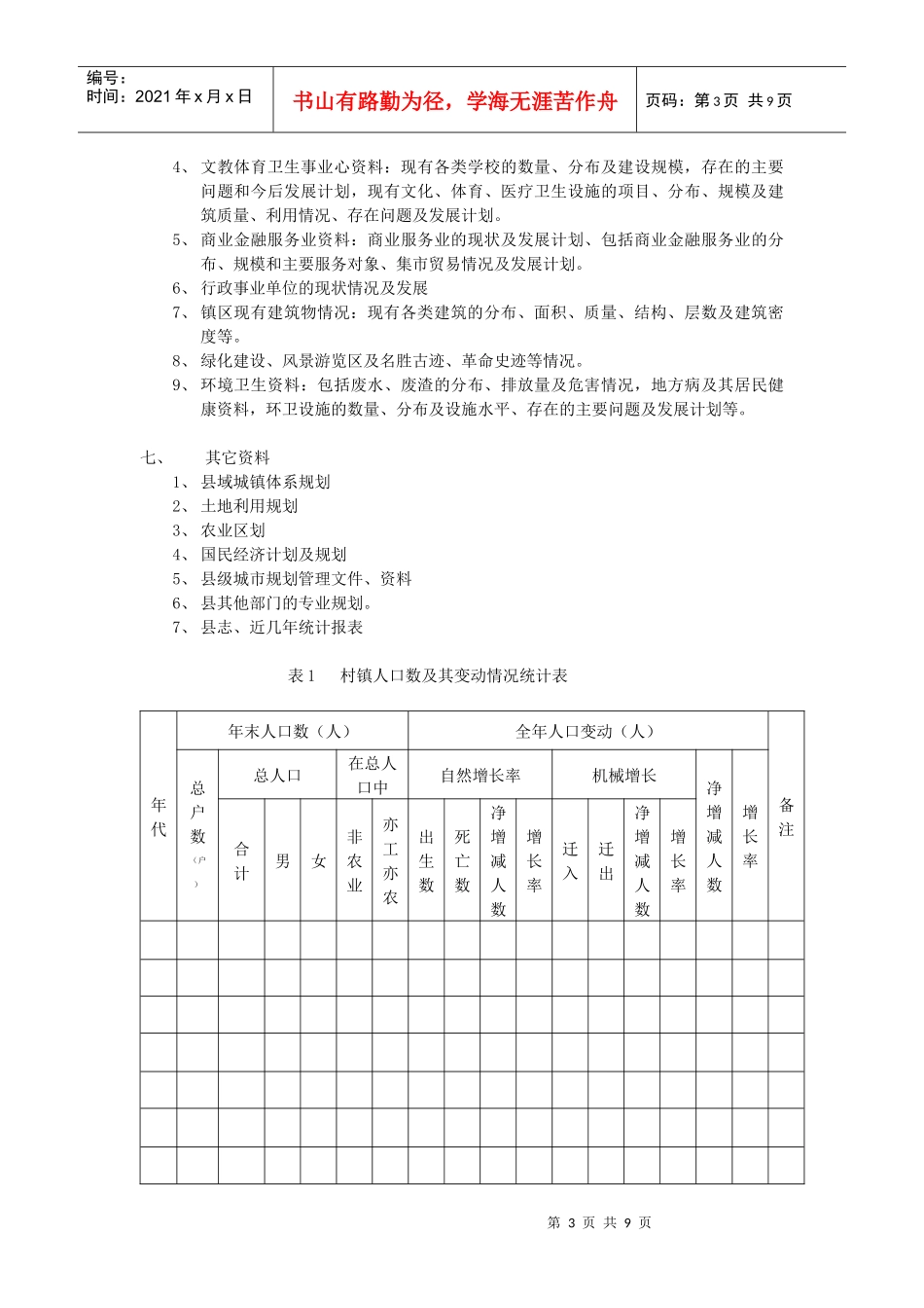
工业园区规划基础资料调查内容_第3页
3/9
第1页共9页编号:时间:2021年x月x日书山有路勤为径,学海无涯苦作舟页码:第1页共9页工业园区规划基础资料调查内容1、规划区内涉及村庄的数量,各村的常住人口数规划范围内各综合指标表(2008年)村庄名称土地总面积(亩)耕地面积(亩)人口(人)建设用地面积(亩)劳动力人口霞口镇2、全镇劳动力总数。3、涉及各村庄耕地数量4、农村剩余劳动力的数量,流动方向以及不同流动方向上的流量;(1)村镇在县域城镇体系、经济区划中的地位和作用;(2)镇域范围的资源种类、数量及分布状况;(3)全镇的经济结构、社会结构等;(4)镇域范围内的交通条件,包括铁路、航运、公路等的规模等级、容量、利用率等;(5)镇域各村镇的社会、经济、文化、政治等方面的地位与作用,其中包括各村镇的性质、规模及其腹地的范围,各村镇社会经济发展的条件占潜力,各村镇的经济结构与主导产业,各村镇县有区际意义的企业及其产品,各村镇间经济、社会联系的程度;(6)镇域范围内的基础设施状况二、历史环境资料1、自然环境的特色,如地形、地貌、河道的形态及城市的关系;2、文物古迹,如革命史迹、风景名胜、人文资料等;3、城镇格局的特色;4、城镇轮廓景观,主要建筑和绿化空间的特色;5、建筑风格;6、期货物质和精神环境的特色,如民俗、土产、特产、风情等;7、城镇的历史成因、发展沿革、沿袭名称、区划变迁。三、自然环境资料1、地理环境资料第2页共9页第1页共9页编号:时间:2021年x月x日书山有路勤为径,学海无涯苦作舟页码:第2页共9页地理位置:经纬度、时区、气候区;地形地貌:坡态、坡度、坡向、标高、地貌;工程地质:地质构造、地质现象、地震、地基承载力、地一矿藏;水文和水文地质:江河流量、流速、流向、水位(常年水位、最高水位)、水质、地下水储量和可开采量、地下水质、水位、湖泊和水库的容量以及洪水淹没范围。2、自然气象资料风象:盛行风向、风向频率、风速(平均风速、最大风速)、静风频率;气温:年和月平均温度,最高和最低气温、昼夜平均温差、霜期、冰冻期及最大冻土深度;降雨:包括降雨量、暴雨及降雨(雪、雹)强度、掌握暴雨量公式;日照:日照时数、太阳高度与日照方位的关系。四、社会环境资料1、镇域的人口资料:全镇总人口、总户数、非农业户数、非农业人口数、人口的自然增长率和机械增长与发展趋势,劳动力总量及剩余劳力数及转移方向和今后的发展趋势。2、各村镇人口资料:总人口、总户数、人口构成情况(常住人口、流动人口、通勤人口的数量与比例)、年龄结构、性别构成、职业、文化程度及人口的民族和宗教等构成情况,户均人口数及其发展趋势,农业与非农业人口的民族和宗教等构成情况,户均人口数及其发展趋势,农业与非农业人口构成情况,当地人均耕地面积及其劳动力剩余和利用情况及发展趋势,外来或外出人口的构成情况及发展趋势。五、经济环境资料1、镇级各待业的生产建设现状及发展计划,全镇经济部量及其在县(市)经济中的地位。全镇整体的产业结构,三次产业的产值及比例。工农业总产值及各自的比重,以及就当地资源状况而言的优势产业与未来发展状况,公积金、公益金及人均收入等情况。2、镇各产业部门的经济状况:工业经济状况、产业构成以及主导产业(支柱产业)、主要工业产品的地区优势,农业、商业、交通运输、房地产业、基础设施等经济状况。3、村镇土地经济方面的状况:主要为土地使用权的分布,土地价格、土地供应方式及管制,土地天发利用的一级市场与二级市场用它们的动作特征与相互之间的关系,房地产市场的概况等。4、村镇建设资金的筹措,安排与分配。历年村镇公共设施和市政公用设施的资金来源、投资总量,以及各单项的资金量、资金安排的程序与分布等。六、镇区建设资料1、镇区建设用地利用情况:镇区现状用地情况,各类建设用地布局结构及百分比,人均指标,并列入镇区建设用地计算表,分析镇区建设用地的存在问题及利用潜力。2、镇区交通运输资料:所在地区村镇之间的运输方式及主要流向,公路、铁路、水运的分布及利用情况,当前存在的主要问题及发展计划。3、市政基础设施情况:包括道路、桥涵、供水、供电、...

1、当您付费下载文档后,您只拥有了使用权限,并不意味着购买了版权,文档只能用于自身使用,不得用于其他商业用途(如 [转卖]进行直接盈利或[编辑后售卖]进行间接盈利)。
2、本站所有内容均由合作方或网友上传,本站不对文档的完整性、权威性及其观点立场正确性做任何保证或承诺!文档内容仅供研究参考,付费前请自行鉴别。
3、如文档内容存在违规,或者侵犯商业秘密、侵犯著作权等,请点击“违规举报”。

碎片内容

工业园区规划基础资料调查内容

确认删除?
VIP
微信客服
  • 扫码咨询
会员Q群
  • 会员专属群点击这里加入QQ群
客服邮箱
回到顶部