电脑桌面
添加小米粒文库到电脑桌面
安装后可以在桌面快捷访问

贝雷梁桥施工方案VIP免费

贝雷梁桥施工方案_第1页
1/10
贝雷梁桥施工方案_第2页
2/10
贝雷梁桥施工方案_第3页
3/10
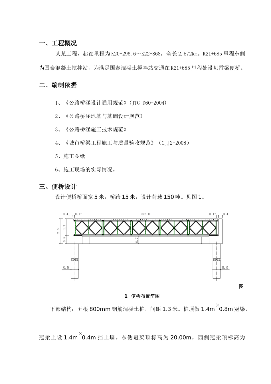
15米贝雷梁桥施工方案编制:审核:批准:一、工程概况某某工程,起讫里程为K20+296.6~K22+868,全长2.572km。K21+685里程东侧为国泰混凝土搅拌站,为满足国泰混凝土搅拌站交通在K21+685里程处设贝雷梁便桥。二、编制依据1、《公路桥涵设计通用规范》(JTGD60-2004)2、《公路桥涵地基与基础设计规范》3、《公路桥涵施工技术规范》4、《城市桥梁工程施工与质量验收规范》(CJJ2-2008)5、施工图纸6、施工现场的实际情况。三、便桥设计设计便桥桥面宽5米,桥跨15米,设计荷载150吨。见图1。图1便桥布置简图下部结构:五根800mm钢筋混凝土桩,间距1.3米。桩顶做1.4m0.8m冠梁,冠梁上设1.4m0.4m挡土墙。东侧冠梁顶标高为20.00m,西侧冠梁顶标高为19.70m。东西侧冠梁之间设0.75m0.8m钢筋混凝土撑,撑内设0.7m0.5m联系梁。上部结构:12排贝雷片,贝雷片排间距为0.45m(5.12m=110.45m+0.17m);贝雷架上设0.220.16枕木满铺,枕木用扒钉钉成整体。栏杆为48钢管:1.2米立柱间距为1.5米,横向设3排钢管,并设安全网,安全标志。四、便桥受力分析(一)、上部结构计算(采用简支梁计算)1、荷载恒载:贝雷片(包含支撑架和销子):12(15/3)287Kg=17220kg枕木:5.120.160.226kN=73.728kN活载:设计车重:=1500kN(150t)人群荷载=5.12153kN=230.4kN综合以上:集中荷载=1500kN,均布荷载=31.76kN/m。2、弯矩:(当集中荷载作用于跨中,见图2)图2弯矩计算荷载布置图=<满足要求。3、剪力:(当集中荷载作用于支座附近,见图3)图3剪力计算荷载分布图=1738.2<满足要求。4、强度计算:本桥由12排贝雷片组成承重梁:。上、下弦杆:。本便桥贝雷片弦杆为16Mn钢材料,钢材设计应力为:。此便桥贝雷片从外租赁。考虑贝雷片可能为较早的产品,多次重复利用,上、下弦杆容许应力取为。上下弦杆应力均小于容许应力,5、挠度:贝雷片结构参数:(1)自重挠度:(2)活载挠度:则有:总挠度=3.48+20.26=23.74mm=2.4cm<2.5cm,满足要求。(二)、下部结构计算1、桩承载力计算此里程桩埋深为=6.5米,桩周土为粘土。粘土液限系数为=0.393,由此可由规范查得桩极限侧摩阻力标准值,极限端阻力标准值。则有:桩侧总极限摩阻力:桩端总极限端阻力:桩的根数,应考虑群桩效应。则桩基承载力设计值为:查规范表格有:,,,;不考虑承台土阻力群桩效应,则。考虑此桩基础原设计为工程围护桩,冠梁以下有10米为挡土作用,对桩基承载力是不利因素,同时考虑桩施工中的不利因素:取单桩承载力设计值。桩和钢筋混凝土支撑自重最大竖向荷载满足设计要求。2、支撑梁配筋按构造布置。(见图4、5)图4支撑梁侧面图图5支撑梁配筋图五、主要施工方法(一)、施工准备工程开工前,首先组织有关施工技术人员认真熟悉施工图,进行技术交底,施工技术人员在查对图纸文件资料和技术交底的基础上,进行现场核对,发现问题应及时根据有关程序提出修改意见,并做好记录,以便为施工做好准备。本便桥所需要的贝雷片我项目部计划从外租赁,由自卸汽车分批运至施工现场,由吊车和工人配合的方式进行组装。表1贝雷梁便桥材料数量序号物资名称规格单位计划总量1贝雷片321片602支撑架(45)45个663销子与贝雷片配套个1004撑架螺栓与支撑架配套个1505枕木2500x220x160根1406扒钉\个3207钢管1.2m根458钢管\米1509铁丝10号米15010铁丝网\米3211C30混凝土方3812钢筋马钢吨4.3(二)、施工工艺流程:测量放线桩头凿除浇注冠梁和支撑梁贝雷架安装桥面枕木铺装栏杆设置。六、质量保证措施1、项目部成立由经理任组长,技术负责人任副组长的全面质量管理领导小组,实施对建设项目的全面管理,专职质检工程师负责具体日常工作。2、分析工程检查验收制度:坚持工程的自检、互检、交接检查制度。3、深入开展全面质量管理,从项目部到每一个工序,人人把关、层层管理、责任到人。4、大力组织机械化、专业化施工,提高劳动生产率。5、由业主、监理、项目经理部质保部门共同完成对工程质量的控制。6、“把六关”:把施工方案关;材料进场关;技术交底关;检测计量关;工程交接关;质量验收关。7、“五不准”:无施工组织设计不准施工;不合格的原材料、半成品不准使...

1、当您付费下载文档后,您只拥有了使用权限,并不意味着购买了版权,文档只能用于自身使用,不得用于其他商业用途(如 [转卖]进行直接盈利或[编辑后售卖]进行间接盈利)。
2、本站所有内容均由合作方或网友上传,本站不对文档的完整性、权威性及其观点立场正确性做任何保证或承诺!文档内容仅供研究参考,付费前请自行鉴别。
3、如文档内容存在违规,或者侵犯商业秘密、侵犯著作权等,请点击“违规举报”。

碎片内容

贝雷梁桥施工方案

您可能关注的文档

黄金阁书苑+ 关注
实名认证
内容提供者

热爱教学事业,对互联网知识分享很感兴趣

确认删除?
VIP
微信客服
  • 扫码咨询
会员Q群
  • 会员专属群点击这里加入QQ群
客服邮箱
回到顶部