电脑桌面
添加小米粒文库到电脑桌面
安装后可以在桌面快捷访问

工业废水处理剩余污泥的燃烧试验VIP免费

工业废水处理剩余污泥的燃烧试验_第1页
1/9
工业废水处理剩余污泥的燃烧试验_第2页
2/9
工业废水处理剩余污泥的燃烧试验_第3页
3/9
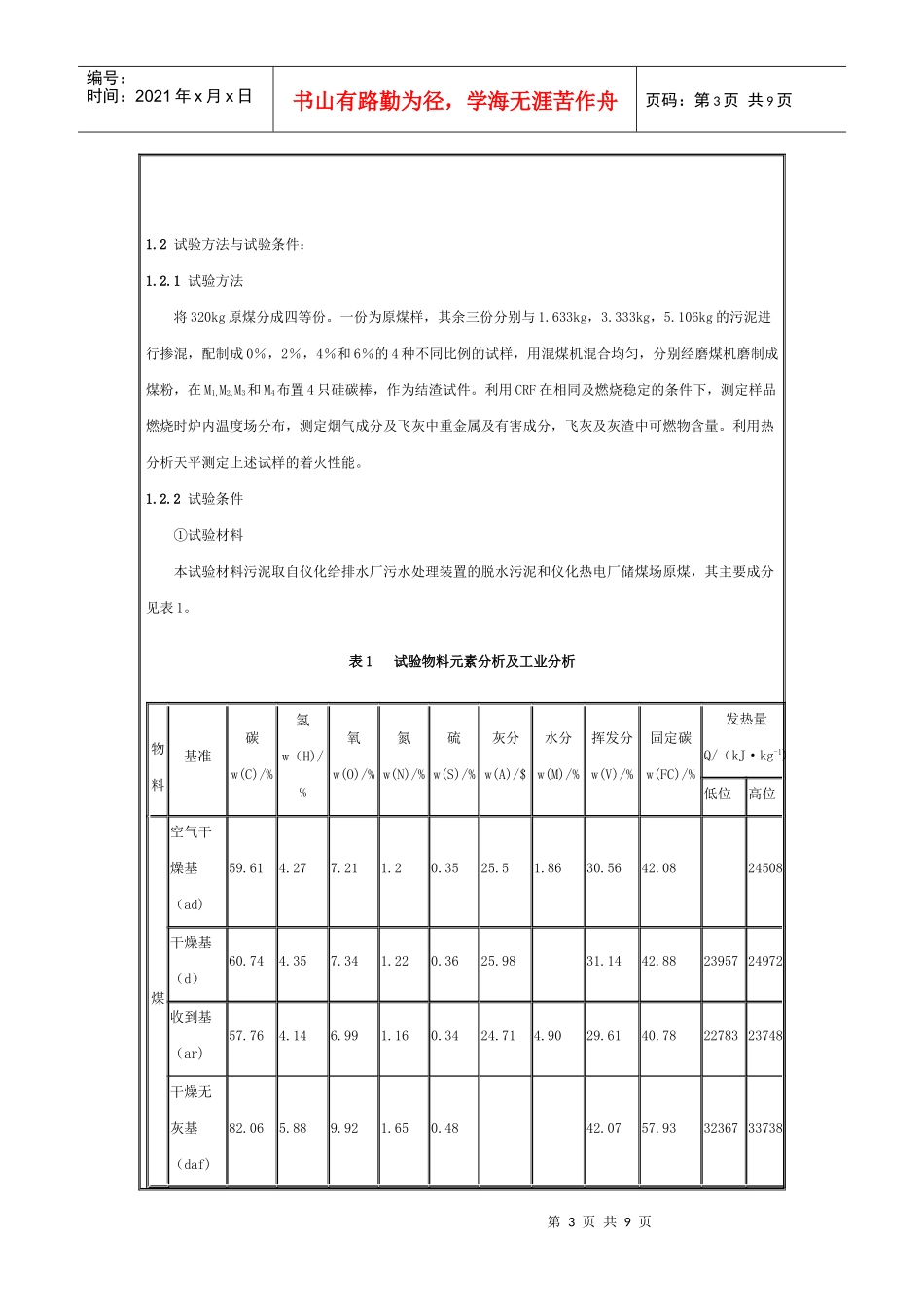
第1页共9页编号:时间:2021年x月x日书山有路勤为径,学海无涯苦作舟页码:第1页共9页工业废水处理剩余污泥的燃烧试验[作者:魏昆生1,徐品虎1,丁大勇1,芮新红2,周强黍3,张宁生3]转贴自:工业用水与废水摘要:将脱水后含水率为85%的化工污水处理的剩余污泥,按不同的比例掺混在燃煤中,通过CRF半工业化热态试验台的模拟燃烧,研究了污泥掺混后对锅炉受热面的工作安全性、燃烧稳定性、燃烧效率以及烟气排放、灰渣成分的变化情况。污泥掺混比例不大于6%,对煤粉锅炉受热面工作安全性不会产生不良影响,掺混比例不大于2%时,排放的烟气能够满足环保要求。最佳掺混比例为2%。关键词:污水处理;污泥处置;煤粉锅炉;燃烧试验中图分类号:X703文献标识码:A文章编号:1009-2455(2003)05-0047—04ACombustionTestofResidualSludgefromIndustrialWastewaterTreatmentWEIKun-sheng1,XUPin-hu1,DINGDa-yong1,RUIXin-hong2,ZHOUQiang-tai3,ZHANGNing-sheng3(1.TheWaterSupplyandDrainagePlantofSINOPECYizhengChemicalFibreCO.,Ltd.,yizheng211900,China;2.ThePowerEngineeringDepartmentofNanjingEngineeringInstitute,Nanjing210013,Chin;3.ThePowerEngineeringDepartmentofSoutheastUniversity,Nanjing210018,China)Abstract:Thedehydratedresidualsludgewithawatercontentof85%fromthetreatmentofchemicalwastewaterwasmixedintofuelcoalindifferentproportions.Then,ananalogcombustionofthemixturewasperformedinaCRFsemi-industrialthermalcombustiontestrigtotestworkingsafetyoftheheatedsurfaceoftheboiler,thestabilityandefficiencyofthecombustionandthechangesofoffgasdischargingandofdregscomposition.Whenthemixingratioofsludgewasbelow6percent,thecombustiondidnotproduceharmfuleffecttotheworkingsafetyoftheheatedsurfaceofthepulverizedcoalboiler;andwhenthemixingratiowas≤2percent,theoffgasdischargingcouldmeettheenvironmentalprotectionrequirements,theoptimummixingratiobeing2percent.Keywords:wastewatertreatment;s1udgedisposal;pulverizedcoalboiler;combustiontest第2页共9页第1页共9页编号:时间:2021年x月x日书山有路勤为径,学海无涯苦作舟页码:第2页共9页污水处理产生的污泥是一种不稳定的、含水率较高的废弃物。根据固体废弃物的鉴别标准,城市污水处理厂产生的污泥属于一般废弃物,而精对苯二甲酸(PTA)化工污水处理装置产生的污泥属于危险废弃物,其综合利用途径更为狭窄。目前同类企业的污水处理厂对脱水后的污泥进行无害化处理的主要方法是干化或焚烧,主要设备基本上是引进国外的干化或焚烧设备,引进的设备一次性投资较大,处理85%含水率的污泥一般吨投资在25-40万元之间,吨运,行费用在100-200元之间,如此高昂的费用一般企业难以承受。结合企业的实际,提出了污泥与热电厂煤粉锅炉燃煤掺混燃烧的污泥处理方法。煤粉锅炉掺混工业废水处理脱水污泥燃烧,目前国内尚无先例,要利用热电厂锅炉对污泥进行掺混燃烧,需了解煤掺混污泥后燃烧的稳定性、燃烧效率、排放特性、结渣特性以及煤泥掺混燃烧对锅炉受热面的影响情况,确保锅炉系统的安全稳定运行。1实验装置、试验方法及试验条件1.1试验装置及工艺流程本试验是在辽宁省燃烧工程技术中心从加拿大引进的CRF(CombustionResearchFacility)试验台和引进德国NETZSCH公司的STA409型热分析天平上进行的[1],试验装置工艺流程见图1。CRF是一套模拟电厂煤粉锅炉燃烧的半工业化热态试验台,最大给煤量为30kg/h,燃烧热功率为1000MJ/h。主要由制粉、燃烧、除尘、压缩空气和水冷却、数据采集和控制、烟气在线取样分析系统等六部分组成。炉膛分为5节,从上到下依次标记为M1,M2,M3,M4,M5,为5台在线烟气分析仪分别连续测量烟气中的O2,CO2,CO,SO2及NOx。STA409型热分析天平式样最大重量20g,测量重量变化范围0-5000mg,最大升温速率100℃/min,最高炉温为1500℃,利用少量样品,在恒定升温速率下,对样品进行重量变化的热重分析(TC)、样品与惰性气体之间的差热分...

1、当您付费下载文档后,您只拥有了使用权限,并不意味着购买了版权,文档只能用于自身使用,不得用于其他商业用途(如 [转卖]进行直接盈利或[编辑后售卖]进行间接盈利)。
2、本站所有内容均由合作方或网友上传,本站不对文档的完整性、权威性及其观点立场正确性做任何保证或承诺!文档内容仅供研究参考,付费前请自行鉴别。
3、如文档内容存在违规,或者侵犯商业秘密、侵犯著作权等,请点击“违规举报”。

碎片内容

工业废水处理剩余污泥的燃烧试验

教育教学文库+ 关注
实名认证
内容提供者

本店有大量的教育教学资料,课件

确认删除?
VIP
微信客服
  • 扫码咨询
会员Q群
  • 会员专属群点击这里加入QQ群
客服邮箱
回到顶部