电脑桌面
添加小米粒文库到电脑桌面
安装后可以在桌面快捷访问

清水砼施工方案VIP免费

清水砼施工方案_第1页
1/28
清水砼施工方案_第2页
2/28
清水砼施工方案_第3页
3/28
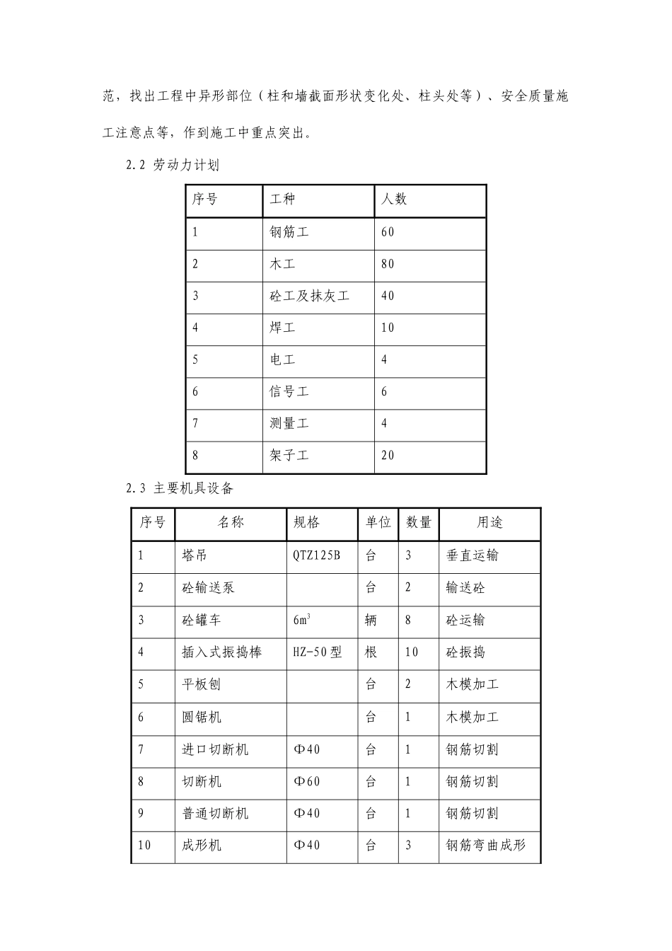
第一章概况1.1编制依据设计图纸和设计说明及相关文件及有关规范。1.2工程概况为达到设计要求及建筑效果,本工程4300个座位看台、四个楼梯墙、四个桅杆柱为清水砼,施工完毕后其表面不做任何装修,看台分四个区,最长为67200mm。1.3施工条件1.3.1现场三台塔吊正常运转。1.3.2材料准备就绪(木模板、钢模板、架料等)。1.3.3现场道路畅通,保证大型车辆出入。1.3.4施工管理人员及操作人员准备就绪。1.3.5认真熟悉施工图纸、施工方案审批及方案交底、技术交底。第二章施工总体安排2.1施工准备2.1.1测量准备根据平面控制网线,在各楼层底板上放出轴线、梁、柱控制轴线。板砼浇注完成、支设竖向模板前,在楼板上放出该层平面控制轴线并放出所有看台台阶分段投影线,待竖向钢筋绑扎完成后,在每层竖向钢筋上部标出标高控制点。2.1.2材料随工程进度计划提前20天进场。2.1.3审图施工前认真查阅图纸(包括与建筑图对应情况)、方案、相关安全质量规范,找出工程中异形部位(柱和墙截面形状变化处、柱头处等)、安全质量施工注意点等,作到施工中重点突出。2.2劳动力计划序号工种人数1钢筋工602木工803砼工及抹灰工404焊工105电工46信号工67测量工48架子工202.3主要机具设备序号名称规格单位数量用途1塔吊QTZ125B台3垂直运输2砼输送泵台2输送砼3砼罐车6m3辆8砼运输4插入式振捣棒HZ-50型根10砼振捣5平板刨台2木模加工6圆锯机台1木模加工7进口切断机Ф40台1钢筋切割8切断机Ф60台1钢筋切割9普通切断机Ф40台1钢筋切割10成形机Ф40台3钢筋弯曲成形11进口成形机Ф40台2钢筋弯曲成形12套丝机Ф16台1套丝13套丝机Ф20台1套丝14卷扬机5T台1拉钢筋15对焊机100台1钢筋焊接16电焊机台5钢筋焊接17钢筋镦粗设备及螺纹加工设备套1钢筋直螺纹连接2.4施工进度计划安排详见四月份进度计划安排(表一)。2.5项目管理人员组织机构详见项目管理人员组织机构(表二)。第三章施工方法3.1钢筋工程3.1.1本工程采用Ⅰ(光圆)和Ⅱ级(月牙纹)III级(月牙纹)钢筋及冷轧带肋钢筋焊接网,必须选国家大型钢厂作为供货渠道,钢筋采购严格执行ISO9002质量标准和相关程序文件。3.1.2配筋3.1.2.1配筋的要求除满足下列要求外,还应符合相关规范要求。1)、依据结构图纸,本工程受力筋保护层按下表执行(单位:mm)序号构件类别受力层1梁、柱252楼梯间墙253看台上表面及侧面152)、钢筋的锚固(la)依据图纸,受拉钢筋的最小锚固长度为:钢筋类型C30lalaEⅠ级钢筋20d25dⅡ级钢筋d≤2530d35dd>2535d40d3)、钢筋的接头及搭接长度(ld)本工程≥Φ22钢筋均采用电渣压力焊或直螺纹连接的方式,〈Φ22钢筋均采用绑扎或对焊连接,特殊情况除处。依据结构图纸,钢筋最小搭接长度为:钢筋类型C30ldldEⅠ级钢筋24d29dⅡ级钢筋d≤2036d41d注:在任何情况下,受拉钢筋的搭接长度不应小于300mm。3.1.3梁配筋、加工及安装3.1.3.1纵向受力钢筋:上筋净距≥30mm或1.5d(d为钢筋中最大直径),下筋净距≥25mm或d;下部纵向钢筋配置≥两层时,钢筋水平方向中距比下面两层中距增大一倍;3.1.3.2箍筋:从距墙或梁边5cm开始配置,箍筋间距及肢数见图纸;3.1.3.3梁的下部钢筋不在跨中1/3范围搭接或连接,上部钢筋不在支座1/3范围连接;底板梁上部钢筋不在跨中1/3范围连接,下部钢筋不在支座1/3范围连接;3.1.3.4当采用模内绑扎时,先在主梁模板上按设计图纸划好箍筋的间距,然后按以下次序进行绑扎。3.1.3.5梁中箍筋应与主筋垂直,箍筋的接头应交错设置,箍筋转角与纵向钢筋的交叉点均应扎牢。3.1.3.6梁板钢筋上层弯钩朝下,下层弯钩朝上。板、次梁与主梁交叉处,板筋在上,次梁筋在中层,主梁筋在下。相同箍筋接头交错布置在两根纵向架立筋上。纵向受力筋为多层时,层间垫以短钢筋保证其间距。挑板的上部负筋及构造筋不能漏放。3.1.4柱配筋、加工及安装3.1.4.1柱箍筋在角部弯钩为135o,在中部弯钩应与模板成90o;箍筋接头上、下错开,框架梁应放在柱筋内侧。严禁在柱根、顶部设置端头。3.1.4.2柱纵向钢筋接头连接时,在楼板面以上每隔一根错开接头,第一次接头距楼板面800mm,第二次接头距第一次接头1000mm且应大于35d(d为柱纵向钢筋直径)。3.1.4.3柱...

1、当您付费下载文档后,您只拥有了使用权限,并不意味着购买了版权,文档只能用于自身使用,不得用于其他商业用途(如 [转卖]进行直接盈利或[编辑后售卖]进行间接盈利)。
2、本站所有内容均由合作方或网友上传,本站不对文档的完整性、权威性及其观点立场正确性做任何保证或承诺!文档内容仅供研究参考,付费前请自行鉴别。
3、如文档内容存在违规,或者侵犯商业秘密、侵犯著作权等,请点击“违规举报”。

碎片内容

清水砼施工方案

确认删除?
VIP
微信客服
  • 扫码咨询
会员Q群
  • 会员专属群点击这里加入QQ群
客服邮箱
回到顶部