电脑桌面
添加小米粒文库到电脑桌面
安装后可以在桌面快捷访问

企业内训纲要(1)VIP专享VIP免费

企业内训纲要(1)_第1页
1/54
企业内训纲要(1)_第2页
2/54
企业内训纲要(1)_第3页
3/54
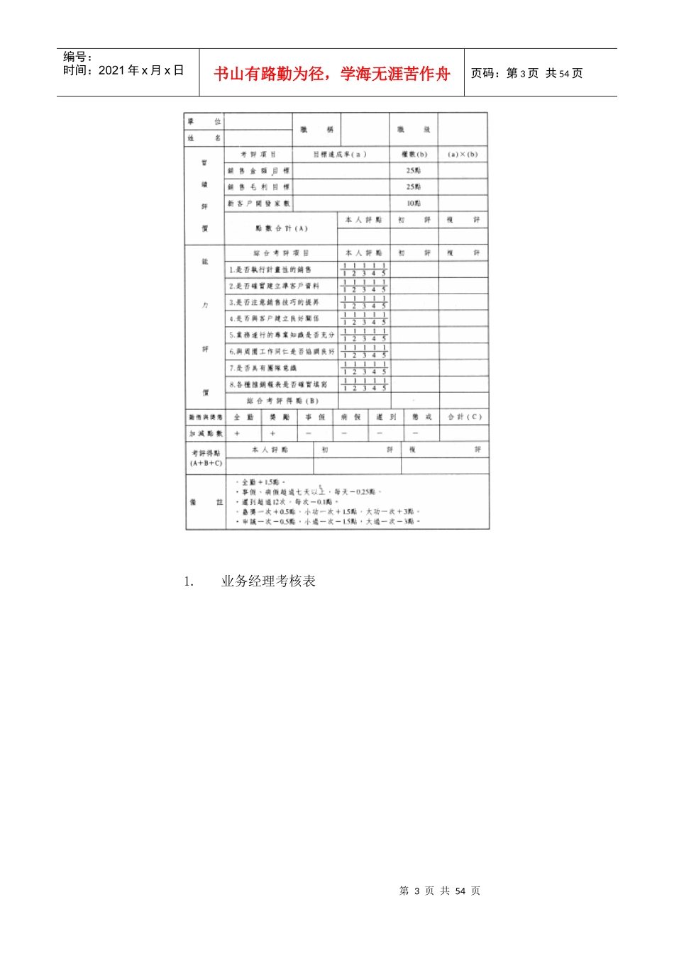
第1页共54页编号:时间:2021年x月x日书山有路勤为径,学海无涯苦作舟页码:第1页共54页企业内训纲要业务经理专业Know-HowPlus业务管理规程第一条(目的)本办法针对业务人员的业绩及能力,做定期的考核,做为业务人员升迁、调薪、工作调整及教育训练的评定基准,以提升业务人员的工作意愿及能力,促进公司经营效率的提升。第二条(期间)考绩每年一月、七月进行二月,每次考绩期间为六个月。第三条(对象)公司全体业务人员须接受考核,惟进公司未满六个月者不列入考核对象。第四条(考绩与升迁)升迁考核原则上以过去二年考绩加总评定,最近半年考绩占35%,其余以30%、20%、15%依次类推。第五条(考核者责任)1.考核者须公正无私。2.不以先入观、直觉印象考核。第六条(自我考核)业务人员须先行自我考核,将考核结果交与直属长官。第七条(考核者与被考核者)第2页共54页第1页共54页编号:时间:2021年x月x日书山有路勤为径,学海无涯苦作舟页码:第2页共54页自我考核一次考核二次考核考核者业务代表业务经理业务副总业务经理业务副总总经理1.经理参考业务代表自我考核的结果进行一次考核,须将考核结果告予业务代表,并将考核结果交由业务副总。业务副总可调整整体不均衡的部分,进行二次考核。2.业务副总参考业务经理自我考核的结果进行一次考核,须将考核结果告予业务经理,并将考核结果交由总经理。3.总经理可调整整体不均衡的部分,进行二次考核。第八条(考核表)1.业务代表考核表第3页共54页第2页共54页编号:时间:2021年x月x日书山有路勤为径,学海无涯苦作舟页码:第3页共54页1.业务经理考核表第4页共54页第3页共54页编号:时间:2021年x月x日书山有路勤为径,学海无涯苦作舟页码:第4页共54页第九条(考评等级)依职称分类,将考评点数按高低顺序排列,考评等级以下表评定。名次顺序前20%21%-50%51%-90%91%-100%等级优甲乙丙第十条业务人员考勤奖金比照公司人事规章。第十一条本办法有未尽事宜或疑义,由业务副总会同人事主管说明。第十二条本办法自○年○月起实施。训练经理的七个基盘工作第5页共54页第4页共54页编号:时间:2021年x月x日书山有路勤为径,学海无涯苦作舟页码:第5页共54页基盘1--找出达成训练绩效的平衡点教育与训练是不同的,您必须了解二者的差别点,因为它和训练部门的工作绩效有最直接的关连。我们从小就接受教育,跨入社会,进入企业,学校学的知识能够立刻用得上的可说是很有限,例如一位学生产管理的学生,他学了许多工厂生产管理方面的知识,但进入工厂工作时,他立刻面对的是许多生产管理方面的计算机软件、从未接触过的生产流程及自动化设备,这时他的第一项工作就是接受这些生产软件、流程的训练,学会后才有能力进行他职务上的工作。训练能直接提升业务遂行力训练是提升某项工作的熟练度及技巧,以提升特定职务的遂行能力,企业内每个人的业务遂行能力提升了,这种成果自然会反映在公司绩效上。因此,我们可说「企业的训练」是短期的、针对某种特定的业务遂行力所做的教导工作,多半能经过反复的练习增进执行的能力,例如打字的速度训练、角色扮演的推销技巧训练等。第6页共54页第5页共54页编号:时间:2021年x月x日书山有路勤为径,学海无涯苦作舟页码:第6页共54页教育偏向共通性知识的理解力「教育」是什么呢?教育是一项长期、范围较大、针对广泛知识传播的工作,多半偏向知识的理解,例如我们都曾受过的学校教育。教育与训练在观念上的差异,可参考图(1)图(1)创造力、判断力、战略思考力要透过能力开发提升企业内专业性的领域,经由训练提升能力是很容易理解的,但企业经营上有许多重要的能力,是无法经由反复的训练提升,例如创造力、判断力、先见力、战略思考力……等。训练经理就必须透过特殊的课设计以开发人们的能力,我们称为能力开发(development),例如管理者能力开发或经营者能力开发。第7页共54页第6页共54页编号:时间:2021年x月x日书山有路勤为径,学海无涯苦作舟页码:第7页共54页具体而言,企业可分成三个阶层,各阶层业务遂行时所强调的能力不同,如图(2)所示。图(2)因此,训练经理在进行企业人力素...

1、当您付费下载文档后,您只拥有了使用权限,并不意味着购买了版权,文档只能用于自身使用,不得用于其他商业用途(如 [转卖]进行直接盈利或[编辑后售卖]进行间接盈利)。
2、本站所有内容均由合作方或网友上传,本站不对文档的完整性、权威性及其观点立场正确性做任何保证或承诺!文档内容仅供研究参考,付费前请自行鉴别。
3、如文档内容存在违规,或者侵犯商业秘密、侵犯著作权等,请点击“违规举报”。

碎片内容

企业内训纲要(1)

确认删除?
VIP
微信客服
  • 扫码咨询
会员Q群
  • 会员专属群点击这里加入QQ群
客服邮箱
回到顶部