电脑桌面
添加小米粒文库到电脑桌面
安装后可以在桌面快捷访问

跨苏嘉杭特大桥施工组织设计VIP免费

跨苏嘉杭特大桥施工组织设计_第1页
1/70
跨苏嘉杭特大桥施工组织设计_第2页
2/70
跨苏嘉杭特大桥施工组织设计_第3页
3/70
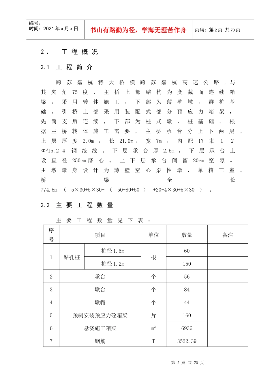
第1页共70页编号:时间:2021年x月x日书山有路勤为径,学海无涯苦作舟页码:第1页共70页第一章综合说明1、编制依据、原则与范围1.1编制依据跨苏嘉杭特大桥施工设计图纸和现场踏勘及调查所获取的第一手资料及其它参考资料;苏州市东方大道新建工程招标文件及补遗书,现行部颁规范、标准等;我单位拥有的技术力量、机械设备能力以及长期从事桥梁工程施工积累起来的丰富经验。1.2编制原则遵循招标文件、施工技术规范、规程及验收标准的条款,满足合同条款及业主提出的各项要求,特别是工程质量、施工进度、安全生产、环境保护等方面的要求;采用我单位近年来在桥梁建设中掌握的先进技术、工艺和设备,做到技术先进、工艺精湛、手段经济、安全可靠;根据该桥的特点,突出重难点部位的施工方案及技术措施,科学组织、合理安排、均衡生产,确保优质高效的完成施工任务;1.3编制范围跨苏嘉杭特大桥的全部工程以及为完成上述任务而发生的临时工程。第2页共70页第1页共70页编号:时间:2021年x月x日书山有路勤为径,学海无涯苦作舟页码:第2页共70页2、工程概况2.1工程简介跨苏嘉杭特大桥横跨苏嘉杭高速公路,与其夹角75度,主桥上部结构为变截面连续箱梁,采用转体施工,下部为薄壁墩,群桩基础。引桥上部采用装配式部分预应力箱梁,先简支后连续,下部为柱式墩,桩基础。根据主桥转体施工需要,主桥承台分上下两层,上层厚度2.0m,长21.0m,宽7m,内配17束12Фj15.24钢绞线。下层承台厚2.5m,下层承台上设直径250cm磨心。上下层承台间留20cm空隙。主墩墩身设计为薄壁空心柔性墩,单箱三室。桥梁全长774.5m(5×30+5×30+(50+80+50)+20+4×30+5×30)。2.2主要工程数量主要工程数量见下表:序号项目单位数量备注1钻孔桩桩径1.5m根60桩径1.2m1502承台个563墩台个844墩帽个445预制安装预应力砼箱梁片1606悬浇施工箱梁m369367钢筋T3522.39第3页共70页第2页共70页编号:时间:2021年x月x日书山有路勤为径,学海无涯苦作舟页码:第3页共70页8钢绞线T430.562.3主要设计技术标准道路等级:城市快速干道;计算行车速度:100km/h;荷载等级:汽车-超20级,挂车-120桥梁宽度:26.5m;地震设防烈度:6度;横断面布置:0.5米防撞护栏+25.5米行车道+0.5米防撞护栏,双向六车道。3、工程建设条件3.1自然地理状况3.1.1地形本特大桥位于郭巷镇北,横跨苏嘉杭高速公路,两岸两侧,地势平坦,地下水丰富。3.1.2气象全年四季分明、气候湿润,光照充足,降雨量极为充沛,主要集中在6-9月份,冬季气温一般在0℃以上;3.1.3道路跨苏嘉杭特大桥所跨苏嘉杭高速公路现为四车道,远期预留八车道,远期通行净空为43×5米;3.1.4地质项目所处区段地质以粘性土、亚粘性土为主;第4页共70页第3页共70页编号:时间:2021年x月x日书山有路勤为径,学海无涯苦作舟页码:第4页共70页3.2施工条件3.2.1交通有一条乡间混凝土路通过正线,陆运基本便利;3.2.2施工用电利用地方电网引入,另备发电机作为应急和补充;3.2.3通讯施工区沿线通讯线路完备,均装有有线电话。无线电话讯号可覆盖全境;3.2.4施工用水区内地下水水质好,能满足施工和生活用水需要。3.3筑桥材料:碎石、砂、石灰:碎石取自浙江湖州境内,砂取自长江,石灰取自宜兴。各种材料主要通过水运至新建码头。钢筋、水泥、钢绞线等主材:在准入厂家范围内选择,进场后须经业主及监理工程师检验合格后方可采用。第二章重难点工程分析及施工对策1、重难点工程分析本工程的重点是桩基础特别是主墩桩基础的施工、主桥悬臂现浇施工中箱梁0#块的施第5页共70页第4页共70页编号:时间:2021年x月x日书山有路勤为径,学海无涯苦作舟页码:第5页共70页工和引桥30m预制梁的施工,难点是主墩磨盘、磨心的施工、箱梁各节段的悬臂现浇施工和主桥箱梁整体线型的控制。所以一进场,就要突击桩基础的施工,以便形成流水作业,为后期难点工程施工做好铺垫。2、施工对策2.1桩基础和承台准备上25台钻机来完成所有的钻孔桩施工。确保在一个半月施工结束。其中有6-8台GPS-200型用来施工11#、12#墩。在施工11#、12#墩钻孔桩的同时,在其外侧进行围堰搭设,确保靠近高速公路边的几根桩的施...

1、当您付费下载文档后,您只拥有了使用权限,并不意味着购买了版权,文档只能用于自身使用,不得用于其他商业用途(如 [转卖]进行直接盈利或[编辑后售卖]进行间接盈利)。
2、本站所有内容均由合作方或网友上传,本站不对文档的完整性、权威性及其观点立场正确性做任何保证或承诺!文档内容仅供研究参考,付费前请自行鉴别。
3、如文档内容存在违规,或者侵犯商业秘密、侵犯著作权等,请点击“违规举报”。

碎片内容

跨苏嘉杭特大桥施工组织设计

您可能关注的文档

确认删除?
VIP
微信客服
  • 扫码咨询
会员Q群
  • 会员专属群点击这里加入QQ群
客服邮箱
回到顶部