电脑桌面
添加小米粒文库到电脑桌面
安装后可以在桌面快捷访问

基于ios平台的移动应用开发--消防安全指南VIP免费

基于ios平台的移动应用开发--消防安全指南_第1页
1/33
基于ios平台的移动应用开发--消防安全指南_第2页
2/33
基于ios平台的移动应用开发--消防安全指南_第3页
3/33
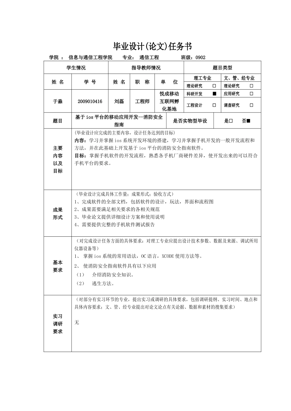
北京信息科技大学毕业设计(论文)题目:基于ios平台的移动应用开发--消防安全指南学院:信息与通信工程学院专业:通信工程学生姓名:于淼班级/学号:通信0902/2009010416指导老师/督导老师:刘磊/李振松起止时间:2013年2月25日至2013年6月21日毕业设计(论文)任务书学院:信息与通信工程学院专业:通信工程班级:0902学生情况指导教师情况题目类型姓名学号姓名职称单位理工专业文、管、经专业理论研究□理论研究□于淼2009010416刘磊工程师悦成移动互联网孵化基地科研开发■应用研究□工程设计□调查研究□题目基于ios平台的移动应用开发--消防安全指南是否实物型毕设是□否■主要内容以及目标(毕业设计应完成的主要内容,设计任务达到的目标)内容:学习并掌握ios系统开发环境的搭建,学习并掌握手机开发的一般开发流程和方法,并在此基础上开发基于ios平台的消防安全指南软件。目标:掌握手机软件的开发流程,熟悉各手机厂商硬件差异,使开发出来的可以符合手机平台的要求。成果形式(毕业设计完成具体工作量;成果形式;验收方式)1、完成软件的全部文档,包括软件的设计,玩法,界面和流程图2、成果需要满足相关要求的各相关规范3、毕业论文提供详细设计方案和使用说明4、需要提供完整的手机软件测试报告基本要求(对完成设计任务方面的具体要求:对理工专业应提出设计技术参数、数据及来源、调试所用仪器设备等)1、掌握ios系统的常用语法,OC语言,XCODE使用方法等。2、使消防安全指南软件具有以下应用(1)介绍消防安全知识。(2)逃生方法。实习调研要求(对部分有实习环节的专业,提出实习或调研的具体要求,包括调研提纲、实习时间、地点和具体内容要求;文、管、经专业提出对论文论点有关论据、数据和素材的搜集要求)无主要参考文献(指导教师提供有关参考资料、工具书、期刊论文等)1.谭浩强.C程序设计[M].第三版.北京:清华大学出版社,20052.MarkDalrymple(作者),ScottKnaster(作者),高朝勤(译者),杨越(译者),刘霞(译者),Objective-C基础教程.第一版.人民邮电出版社,20093.刘冶.Objective-C程序设计基础教程.第一版.吉林大学出版社.20114.萨丹(EricaSadun)(作者),张彩霞(译者),高颖(译者),易磊(译者),等(译者).iPhone开发秘籍.第二版.人民邮电出版社.2010主要仪器设备或开发环境(根据毕业设计题目情况需要,各学院统一填写要求)1.电脑:Mac系统2.测试终端:iPhone或iPad3.开发环境:X-code4.5、InterfaceBuilder、模拟器、Instruments毕业设计(论文)开始日期2013-2-25毕业设计(论文)完成日期2013-6-21毕业设计(论文)进度计划(起止时间、工作内容)(指导教师对毕业设计(论文)的进度计划提出要求,至少详细到前期、中期和答辩阶段)2.25-3.18:查阅资料,学习相关软件的使用,形成方案。3.19-4.15:编写程序。4.16-5.13:功能测试与优化。5.14-6.21:撰写论文,答辩。指导教师(签字):年月日督导教师(签字):年月日学院毕业设计(论文)领导小组审查意见:组长(签字):年月日摘要随着社会与科技的发展,人们越来越注重移动、便携与方便。而随着这股潮流的发展,手机应用应运而生。随着手机的普及,在生活中人们经常提到苹果手机,看到苹果手机的广告,有很多人拿着苹果手机。苹果系统作为一个市场占有超过30%的手机平台,其移动应用的发展非常迅猛。本次设计项目消防安全指南,基于苹果ios系统,利用智能手机实现传播消防安全知识的功能。毕业设计完成时,整个应用界面简单明了,操作简捷。用户学习到了消防安全知识,可以做好日常防火工作,及时发现和处理不安全因素,避免火灾事故的发生。Xcode是开发苹果应用程序的必备开发环境,开发式应用的编程语言是Objective-C。项目中的主要知识介绍,是以gif动画为媒介,通过WEBVIEW来实现。关键词:ios系统;消防安全;Xcode;Objective-C语言;gif动画;AbstractWiththedevelopmentofsocietyandscienceandtechnology,peoplemoreandmorepayattentiontomobile,portableandconvenient.Butwiththedevelopmentofthetrend,mobileapplicationarisesatthehistoricmoment.Withthepopularityofmobilephones,...

1、当您付费下载文档后,您只拥有了使用权限,并不意味着购买了版权,文档只能用于自身使用,不得用于其他商业用途(如 [转卖]进行直接盈利或[编辑后售卖]进行间接盈利)。
2、本站所有内容均由合作方或网友上传,本站不对文档的完整性、权威性及其观点立场正确性做任何保证或承诺!文档内容仅供研究参考,付费前请自行鉴别。
3、如文档内容存在违规,或者侵犯商业秘密、侵犯著作权等,请点击“违规举报”。

碎片内容

基于ios平台的移动应用开发--消防安全指南

教育教学文库+ 关注
实名认证
内容提供者

本店有大量的教育教学资料,课件

确认删除?
VIP
微信客服
  • 扫码咨询
会员Q群
  • 会员专属群点击这里加入QQ群
客服邮箱
回到顶部