电脑桌面
添加小米粒文库到电脑桌面
安装后可以在桌面快捷访问

第一章、基础知识___第二节施工图纸的组成和一般规定VIP免费

第一章、基础知识___第二节施工图纸的组成和一般规定_第1页
1/6
第一章、基础知识___第二节施工图纸的组成和一般规定_第2页
2/6
第一章、基础知识___第二节施工图纸的组成和一般规定_第3页
3/6
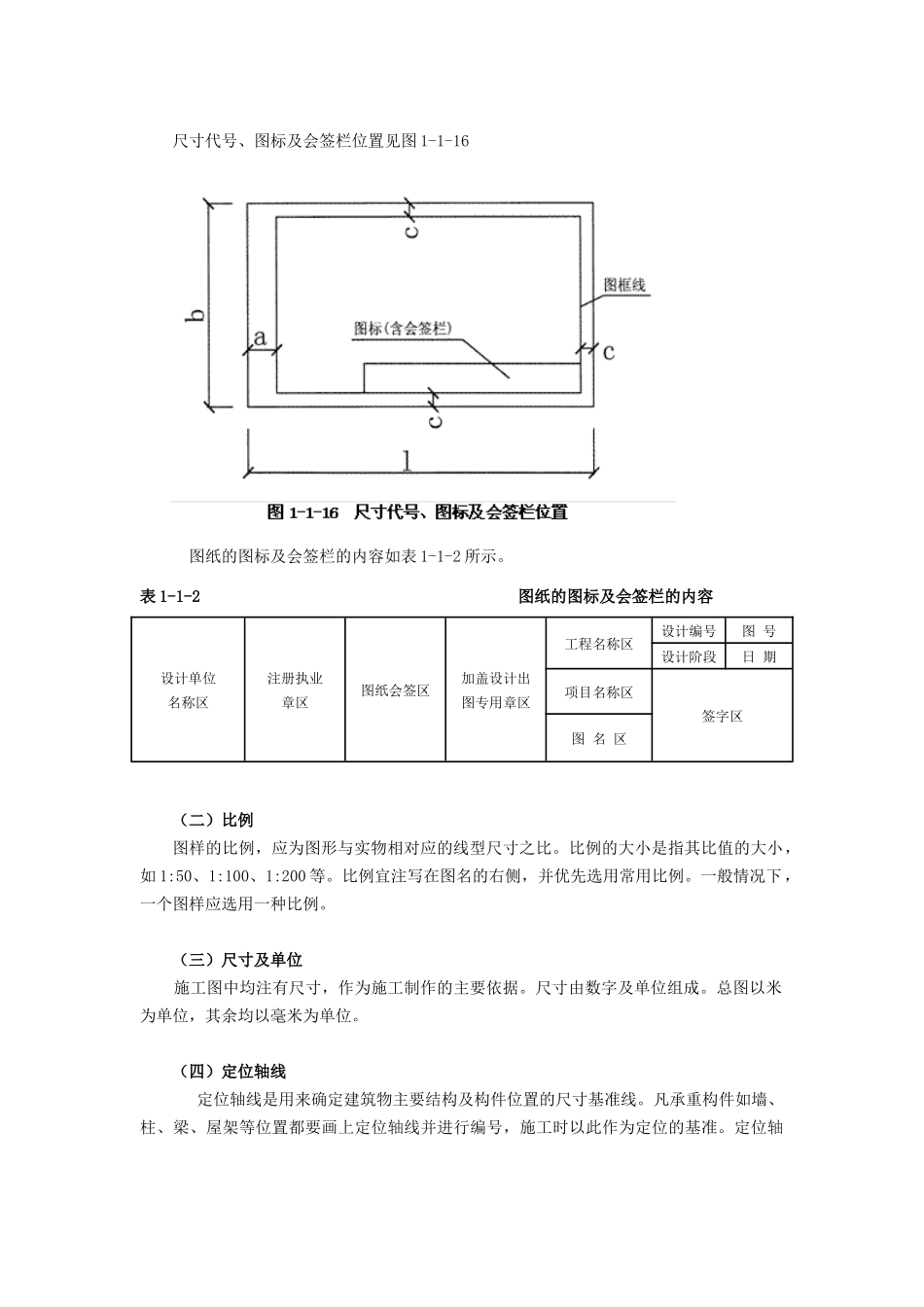
第一章、基础知识第二节施工图纸的组成和一般规定一、施工图纸的组成(一)施工图纸的分类施工图纸根据其内容和各工种不同分为:1.施工首页图(简称首页图)包括图样目录和设计总说明。2.建筑施工图(简称建筑)。主要用来表示建筑物的规划位置、外部造型、内部各房间的布置、内外装修、构造及施工要求等。它的内容主要包括总平面图、各层平面图、立面图、剖面图及详图。3.结构施工图(简称结施)。主要表示建筑物承重结构的结构类型、结构布置、构造种类、数量、大小及作法。它的内容包括结构设计说明、结构平面布置图及构造详图。4.设备施工图(简称设施)。主要表示建筑物的给水排水、暖气通风、供电照明、燃气等设备的布置和施工要求等。它主要包括各种设备的布置图、系统图和详图等内容。(二)施工图纸的编排顺序施工图纸应按专业顺序编排,一般应为图纸目录、总图及说明、建筑图、结构图、给水排水图、电气图、动力图等。二、施工图纸的一般规定为了使房屋建筑制图规格基本统一,图面清晰简明,保证图纸质量,符合设计、施工、存档的要求,以适应国家工程建设的需要,由建设部会同有关部门批准并颁布了一系列制图国家标准。该标准要求所有工程技术人员在设计、施工、管理中必须严格执行。(一)图纸的幅面和格式图纸幅面是指图纸本身的大小规格。图框是图纸上所供绘图的范围的边线。图纸的幅面和图框尺寸应符合表1-1-1的规定。表1-1-1图纸幅面规格(单位:mm)基本幅面代号A0A1A2A3A4b×l841×1189594×841420×594297×420210×297c105a25尺寸代号、图标及会签栏位置见图1-1-16图纸的图标及会签栏的内容如表1-1-2所示。表1-1-2图纸的图标及会签栏的内容设计单位名称区注册执业章区图纸会签区加盖设计出图专用章区工程名称区设计编号图号设计阶段日期项目名称区签字区图名区(二)比例图样的比例,应为图形与实物相对应的线型尺寸之比。比例的大小是指其比值的大小,如1:50、1:100、1:200等。比例宜注写在图名的右侧,并优先选用常用比例。一般情况下,一个图样应选用一种比例。(三)尺寸及单位施工图中均注有尺寸,作为施工制作的主要依据。尺寸由数字及单位组成。总图以米为单位,其余均以毫米为单位。(四)定位轴线定位轴线是用来确定建筑物主要结构及构件位置的尺寸基准线。凡承重构件如墙、柱、梁、屋架等位置都要画上定位轴线并进行编号,施工时以此作为定位的基准。定位轴线用单点长画线表示,端部画细实线圆,直径8~10mm。定位轴线圆的圆心应在定位轴线的延长线上或延长线的折线上。圆内注明编号。在建筑平面上定位轴线的编号,宜标注在图样的下方或左侧。横向编号应用阿拉伯数字,从左至右顺序编写;竖向编号应用大写拉丁字母,从下至上顺序编写,如图1-1-17所示。大写拉丁字母中的I、O、Z三个字母不得用为轴线编号,以免与数字1、0、2混淆。(五)标高建筑物各部分的高度用标高表示。标高符号应以直角等腰三角形表示,表示方法用符号“”。下面横线为某处高度的界线,符号上面注明标高,总平面图的室外整平标高采用“▼”表示。标高单位用米(m)。标高分绝对标高和相对标高两种。绝对标高:我国把青岛的黄海平均海平面定为绝对标高的零点,其他各地标高都以它作为基准。相对标高:即把室内首层地面标高定为相对标高的零点,写作“±0.000”。高于它的为正,但一般不注“+”符号,例如。低于它的为负,必须注明符号“—”,例如表示比首层室内标高低300mm。一般在总说明中说明相对标高与绝对标高的关系,例如±0.000=39.80米。(六)索引号索引号是便于看图时查找相互有关的图纸。索引号反映基本图纸与详图、详图与详图之间、以及有关工种图纸之间的关系。索引号的注写方法,如图1-1-18所示。(七)多层构造引出线多层构造引出线,应通过被引出的各层。文字说明注写在水平线的上方,或注写在水平线的端部,说明的顺序应由上至下,并应与被说明的层次相互一致;如层次为横向顺序则由上至下的说明顺序应与由左至右的层次顺序相互一致。(八)剖切符号建(构)筑物剖面图的剖切符号宜注在±0.000标高的平面上。剖视剖切符号的编号宜采用阿拉伯数字,按顺序由...

1、当您付费下载文档后,您只拥有了使用权限,并不意味着购买了版权,文档只能用于自身使用,不得用于其他商业用途(如 [转卖]进行直接盈利或[编辑后售卖]进行间接盈利)。
2、本站所有内容均由合作方或网友上传,本站不对文档的完整性、权威性及其观点立场正确性做任何保证或承诺!文档内容仅供研究参考,付费前请自行鉴别。
3、如文档内容存在违规,或者侵犯商业秘密、侵犯著作权等,请点击“违规举报”。

碎片内容

第一章、基础知识___第二节施工图纸的组成和一般规定

您可能关注的文档

确认删除?
VIP
微信客服
  • 扫码咨询
会员Q群
  • 会员专属群点击这里加入QQ群
客服邮箱
回到顶部