电脑桌面
添加小米粒文库到电脑桌面
安装后可以在桌面快捷访问

美丽家生活广场高大支模架专项施工方案(专家论证)VIP免费

美丽家生活广场高大支模架专项施工方案(专家论证)_第1页
1/37
美丽家生活广场高大支模架专项施工方案(专家论证)_第2页
2/37
美丽家生活广场高大支模架专项施工方案(专家论证)_第3页
3/37
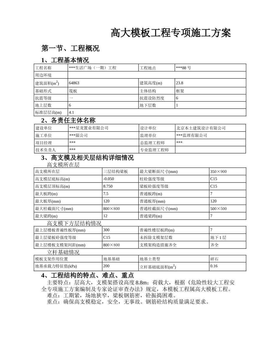
***生活广场(一期)高大模板工程专项施工方案***限公司2014年6月15日目录第一节、工程概况--------------------------------------------------------------2-1、工程基本情况------------------------------------------------------------------------------------------2-2、各责任主体名称---------------------------------------------------------------------------------------2-3、高支模及相关层结构详细情况---------------------------------------------------------------------2-4、工程结构的特点、难点、重点---------------------------------------------------------------------2-第二节、编制依据--------------------------------------------------------------3-1、主要标准------------------------------------------------------------------------------------------------3-2、施工图纸------------------------------------------------------------------------------------------------3-3、施工组织设计------------------------------------------------------------------------------------------3-第三节、组织机构及管理职责----------------------------------------------------4-1、项目管理组织机构------------------------------------------------------------------------------------4-2、安全文明管理体系框图------------------------------------------------------------------------------5-第四节、施工部署及搭设参数----------------------------------------------------6-1、支撑体系设计理念------------------------------------------------------------------------------------6-2、混凝土浇筑方式---------------------------------------------------------------------------------------6-3、支撑体系方式------------------------------------------------------------------------------------------6-4、支架搭设参数------------------------------------------------------------------------------------------6-5、施工进度计划------------------------------------------------------------------------------------------9-第五节、构造要求-------------------------------------------------------------10-1、架体总体要求-----------------------------------------------------------------------------------------10-2、水平杆--------------------------------------------------------------------------------------------------10-3、立杆-----------------------------------------------------------------------------------------------------10-4、剪刀撑--------------------------------------------------------------------------------------------------11-5、周边拉结-----------------------------------------------------------------------------------------------11-第六节、模板安拆施工---------------------------------------------------------12-1、准备工作-----------------------------------------------------------------------------------------------12-2、材料要求-----------------------------------------------------------------------------------------------12-3、模板支设施工-----------------------------------------------------------------------------------------13-4、模板拆除施工-----------------------------------------------------------------------------------------13-第七节、监测配置-------------------------------------------------------------15-1、监测措施-----------------------------------------------------------------------------------------------15-2、检测仪器配备-----------------------------------------------------------------------------------------15-第八节、施工质量安全措施----...

1、当您付费下载文档后,您只拥有了使用权限,并不意味着购买了版权,文档只能用于自身使用,不得用于其他商业用途(如 [转卖]进行直接盈利或[编辑后售卖]进行间接盈利)。
2、本站所有内容均由合作方或网友上传,本站不对文档的完整性、权威性及其观点立场正确性做任何保证或承诺!文档内容仅供研究参考,付费前请自行鉴别。
3、如文档内容存在违规,或者侵犯商业秘密、侵犯著作权等,请点击“违规举报”。

碎片内容

美丽家生活广场高大支模架专项施工方案(专家论证)

您可能关注的文档

确认删除?
VIP
微信客服
  • 扫码咨询
会员Q群
  • 会员专属群点击这里加入QQ群
客服邮箱
回到顶部