电脑桌面
添加小米粒文库到电脑桌面
安装后可以在桌面快捷访问

某工程工具式卸料平台施工方案_secretVIP免费

某工程工具式卸料平台施工方案_secret_第1页
1/12
某工程工具式卸料平台施工方案_secret_第2页
2/12
某工程工具式卸料平台施工方案_secret_第3页
3/12
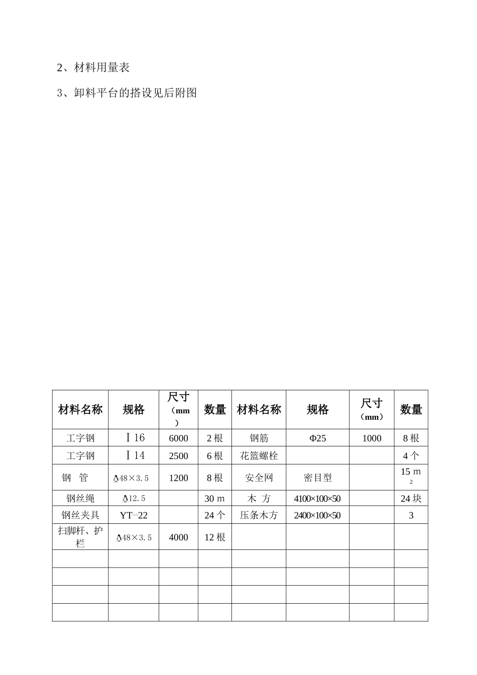
卸料平台施工方案一、编制依据1、《建筑施工高处作业安全技术规范》2、《建筑施工手册》3、《现行建筑材料规范大全》二、卸料平台用途及极限荷载值卸料平台是楼层进出材料的主要通道,主要用于输出拆下的模板和架管。为保证卸料平台的安全可靠及正常使用,卸料平台允许负荷的施工荷载不大于3000N/m2,最大负载为3600Kg,堆放高度不大于1米。三、卸料平台的设计1、平台形式卸料平台为组装式,平台的主梁采用Ⅰ16号钢,次梁采用Ⅰ14号钢;防护栏杆采用48×3.5钢管设600mm、1200mm两道,并用木板封闭严密,并用木板设180mm高挡脚板;平台底部用50mm厚脚手板封闭严密,脚手板必须包头,并与平台固定牢固;预埋钢筋必须采用直径25mmHPB235级钢筋,锚固长度为42×25=1050mm。预埋钢筋锚固在梁板内。2、材料用量表3、卸料平台的搭设见后附图材料名称规格尺寸(mm)数量材料名称规格尺寸(mm)数量工字钢Ⅰ1660002根钢筋Φ2510008根工字钢Ⅰ1425006根花篮螺栓4个钢管48×3.512008根安全网密目型15m2钢丝绳12.530m木方4100×100×5024块钢丝夹具YT_2224个压条木方2400×100×503扫脚杆、护栏48×3.5400012根次梁次梁安装检查平台组装栏杆、脚手板安装平台吊装验收四、卸料平台的搭设与拆除1、搭设、拆除人员必须持证上岗,身体状况良好,经过安全技术交底,准确掌握本工程集料平台搭设、拆除的特点与方法。2、搭设、拆除时设专人指挥、看护,划定警戒区,设立警示标志,非搭设、拆除人员禁止进入施工区域。3、搭设流程安装检查:安装前对操作人员身体、安装用机械设备、安装环境等进行检查。平台组装:将悬挑主梁槽钢与次梁槽钢用螺栓进行连接。平台吊装:吊装稳固槽钢底架,槽钢与钢丝绳连接、槽钢与预埋件连接。栏杆、脚手板安装:脚手板必须包头,并与槽钢次楞固定牢固,铺装到槽钢底架;安装防护栏杆、安全网。4、拆除:拆除应先安装后拆,后安先拆,拆除完后对现场进行清理,并进行刷漆保养。五、卸料平台的检查与验收1、预埋钢筋吊环必须做隐蔽验收,并作好验收记录。2、集料平台应严格按施工方案进行搭设;钢丝绳应提供合格证;钢丝绳卡具的位置数量型号等均应符合设计要求,必须使用花篮螺栓对钢丝绳进行紧固;焊接位置必须满焊,焊缝均匀密实;槽钢的规格应符合设计要求。3、由项目经理组织有关工长、技术负责人、安全员、搭设人员、使用人员对集料平台进行100%检查验收,验收合格后方可使用。4、平台使用过程中由专人负责定期保养和随时进行检查,发现问题及时上q=3946.8N/ml=2.5m报处理。5、任何人、任何部门不得对集料平台擅自进行改动、变更,若因实际问题必须进行变更时必须通过本方案审批部门的同意方可进行。六、注意事项1、使用过程中严禁超载,平台上不得长时间堆积物料。2、施工现场必须在醒目位置悬挂标牌,标牌上将限荷换算成堆放相应具体物料的数量,在标牌上注明。3、吊环必须采用直径25mm的HPB235级钢筋。4、钢丝绳端部用绳卡三个固定与吊环连接,并设一个安全绳卡,且在钢丝绳端部留安全弯,以便日常检查用,且钢丝绳采用花篮螺栓紧固。卸料平台设计计算书1、脚手板荷载恒载:脚手板自重查《建筑施工手册》得gK=400N/㎡活载:取3000N/㎡则荷载组合为:q=1.4×3000+1.2×400=4680N/m2、次梁承载力及挠度计算次梁支撑在主梁上,按简支单跨梁考虑,作用在次梁上的荷载包括:次梁自重、脚手板自重、施工活荷载。计算简图如下:①荷载统计:Ⅰ14工字钢自重查得q1=169N/m由脚手板传递的荷载为4680N/m2则荷载组合为:q=6700N/ml=4m1.2×2.5×169+4680×0.8×2.5=9867N转化为匀布荷载q=9867/2.5=3946.8N/m②次梁最大弯矩M=ql2/8=3946.8×2.52/8=3083.4N.mⅠ14工字钢抵抗矩W=102×103mm3则б=M/W=3083×103/102×103=30.2N/mm2

1、当您付费下载文档后,您只拥有了使用权限,并不意味着购买了版权,文档只能用于自身使用,不得用于其他商业用途(如 [转卖]进行直接盈利或[编辑后售卖]进行间接盈利)。
2、本站所有内容均由合作方或网友上传,本站不对文档的完整性、权威性及其观点立场正确性做任何保证或承诺!文档内容仅供研究参考,付费前请自行鉴别。
3、如文档内容存在违规,或者侵犯商业秘密、侵犯著作权等,请点击“违规举报”。

碎片内容

某工程工具式卸料平台施工方案_secret

您可能关注的文档

确认删除?
微信客服
  • 扫码咨询
会员Q群
  • 会员专属群点击这里加入QQ群