电脑桌面
添加小米粒文库到电脑桌面
安装后可以在桌面快捷访问

某中学综合办公楼工程施工方案VIP免费

某中学综合办公楼工程施工方案_第1页
1/66
某中学综合办公楼工程施工方案_第2页
2/66
某中学综合办公楼工程施工方案_第3页
3/66
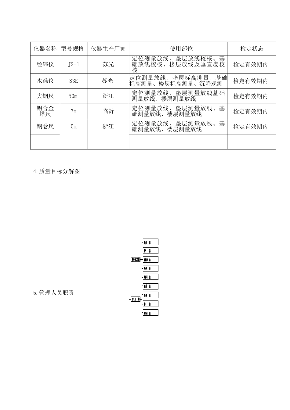
xx中学综合办公楼工程施工方案一、编制依据1、xx中学综合办公楼施工图纸、合同、工程施工预算及类似工程的施工经验;2、国家行业有关文件和验收标准规范;3、建筑工程质量管理条例以及有关法律、法规等。二、工程概况2.1、工程特点本工程为xx中学综合办公楼,建设地点位于xx中学院内。建设单位为xx中学;建筑面积约为1300㎡。东西长60m,南北宽23.6m;地上三层,结构形式为框架结构,层高:地上一层为4.2m;二层三层为3.9m。2.1.2、结构设计特点该工程为框架结构,基础下挖深度-1.6m。柱下独立基础;独立基础混凝土强度等级均为C,一至三层混凝土强度等级均为C。主要分项工程量见下表:2.2、建设地点的特点2.2.1依据济南市气象资料可知,本市属暖温带季风型大陆性气候,四季变化明显,最大冻土0.5m,春季干燥,夏季多雨累计年平均降水量为864.50mm。根据本工程进度计划安排,本工程基础与主体施工阶段跨暑雨季、秋、冬季施工。2.2.2工程地质情况:见工程地质勘察报告2.3、施工条件2.3.1工程现状:施工现场具备“四通一平”条件,各种施工机械已进入现场,各工种和现场施工管理人员都已到位,已具备开工条件。2.3.2现场的水源由建设提供,从现场西侧主管道引入施工现场,根据用水量,生活区和施工现场分两路布置给水管。可以解决现场生活、施工现场用水。为满足施工用水及现场消防用水需要,现场及在四层设两个容量为3m3的铁制水箱。内设扬程为50m的水泵以满足楼层施工用水及消防用水。现场的电源由建设单位提供,现场用电由施工现场西南侧箱变接入,施工现场分箱可根据现场实际需要接入,进行临时用电线路敷设。2.3.3现场分为生活区、办公区和生产区,各区独立。因施工现场较狭小,施工现场不设食堂,生活区和办公区集中在场地的东南侧,生活区为生产人员宿舍,办公区为项目部办公室会议室等设施。现场的西南侧设厕所,根据现场实际情况只在现场西、北侧设铁围挡,建筑物的东南部设5m宽的地轨式钢大门。附平面布置图如下:2.4、工程进度计划控制本工程计划开工日期为2011年5月1日,计划基础完成时间为2011年6月5日,主体工程完成时间为2011年7月10日,竣工日期为2011年月日,合同工期为天。2.5、质量目标2.5.1合同范围内的全部工程的所有使用功能符合设计(变更)图纸要求,基础、主体结构工程符合结构安全要求。基础砼主体砼基础钢筋主体钢筋m3m3tt2.5.2本工程合同质量目标为合格。2.5.3各检验批和分项、分部工程质量达到工程验收规范的标准,合格率100%,单位工程竣工达到合格等级工程。其中专项工程达到如下要求:1、所有的验收批质量均达到合格标准。2、所有隐蔽工程必须经业主代表和监理部门验收合格,签证手续齐全。2.6、工程保修2.6.1工程保修期限根据《建设工程质量管理条例》及有关规定,本工程的质量保修期如下:2.6.1.1地基基础工程和主体结构工程为设计文件规定的该工程合理使用年限。质量保修期自工程竣工验收合格之日起计算。2.6.2本工程在保修范围和保修期限内发生质量问题,施工单位履行保修义务,承包人应当在接到保修通知之日起7天内派人保修。2.6.3本工程在超过合理使用年限后需继续使用的,产权所有人应当委托具有相应资质等级的勘察设计单位鉴定,并根据鉴定结果采取加固、维修等措施,重新界定使用期。三、项目质量策划1.项目经理部质量体系结构图2.施工过程中,将对地下防水工程、焊接工程(机械连接)进行控制,选择合适的设备,在施工前对所使用的设备进行检验,在施工中进行必要的监视和测量,施工过程中明确责任人,以加强现场管理及安全措施等。3.施工过程中,所使用的计量器具满足施工要求,计量器具见下表。4.质量目标分解图5.管理人员职责仪器名称型号规格仪器生产厂家使用部位检定状态经纬仪J2-1苏光定位测量放线、垫层放线校核、基础放线校核、楼层放线及垂直度校核检定有效期内水准仪S3E苏光定位测量放线、垫层标高测量、基础标高测量、楼层标高测量、沉降观测检定有效期内大钢尺50m浙江定位测量放线、垫层测量放线基础测量放线、楼层测量放线检定有效期内铝合金塔尺7m临沂定位测量放线、垫层测量放线、基础测量放线、楼层测量放线检定有效期内钢...

1、当您付费下载文档后,您只拥有了使用权限,并不意味着购买了版权,文档只能用于自身使用,不得用于其他商业用途(如 [转卖]进行直接盈利或[编辑后售卖]进行间接盈利)。
2、本站所有内容均由合作方或网友上传,本站不对文档的完整性、权威性及其观点立场正确性做任何保证或承诺!文档内容仅供研究参考,付费前请自行鉴别。
3、如文档内容存在违规,或者侵犯商业秘密、侵犯著作权等,请点击“违规举报”。

碎片内容

某中学综合办公楼工程施工方案

确认删除?
VIP
微信客服
  • 扫码咨询
会员Q群
  • 会员专属群点击这里加入QQ群
客服邮箱
回到顶部