电脑桌面
添加小米粒文库到电脑桌面
安装后可以在桌面快捷访问

连拱隧道施工方案VIP免费

连拱隧道施工方案_第1页
1/103
连拱隧道施工方案_第2页
2/103
连拱隧道施工方案_第3页
3/103
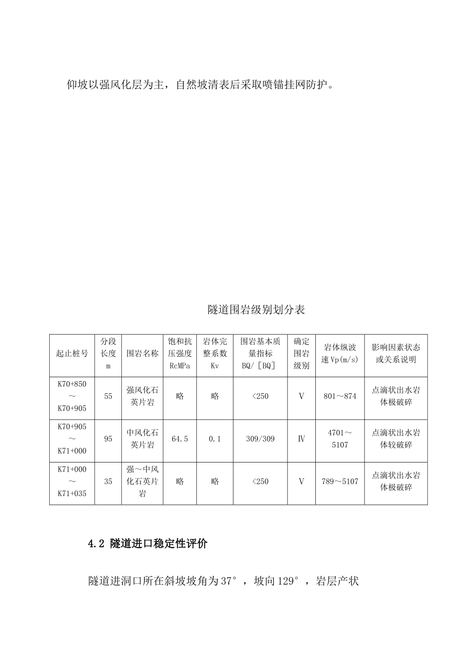
隧道施工组织方案一、工程概况1、工程概述**隧道所在地位于***。隧道附近有**县道和乡村道路通往,交通条件便利。采用连拱隧道,左线起讫ZK70+875~ZK71+035,长约160m;最大埋深40m;右线起讫YK70+850~YK71+025,长约175m;最大埋深40m。采用灯光照明,自然通风,无横通道设置,属短隧道。隧道平面位于A-570缓和曲线接RR-∞直线上,纵坡为0.6%/1200,K71+150,H-631.210。尺寸(长×高×宽)为11.3×2.6m×2.0(m)。砼均采用C30、C40。2、编制依据1、《****************》文件2、《公路隧道施工技术规范》(JTG/TF50—2011)3、《公路工程施工安全技术规程》(JTJ076—95)4、《公路工程质量检验评定标准》JTGF80/1—20045、当地自然、地理特征、气象、水文、交通、通讯及资源情况3、地形地貌隧道区属低山地貌,海拔高程一般约为620-675米,拟建隧道穿越一座长约330m的山体,路线近似垂直穿越其山脊,地形整体起伏较大。隧道进洞口所在斜坡坡角约为37°,下方发育一狭长U型山谷;出洞口所在斜坡坡角约为33°,出洞口下方为冲沟,进出洞口植被茂密。4、围岩级别划分和工程地质条件评价4.1隧道围岩级别划分本隧道围岩分级采用现行《公路隧道设计规范》(JTGD70-2004),结合地质调绘、岩土体试验、震探提供的围岩弹性纵波速等对围岩进行分级并综合评价。以BQ/[BQ]值为标准进行分级。4.1.1K70+850~K70+905段:该段Ⅴ级围岩,地层为强风化石英片岩,岩体极破碎,为极软岩,工程地质性质较差,由于浅埋对围岩影响,围岩自稳能力较差,开挖时易发生冒顶。雨季地下水出水状态以点滴状为主。4.1.2K70+905~K71+000段:该段Ⅳ级围岩,地层主要为中风化石英片岩,岩体较破碎。节理裂隙较发育,岩体较破碎,为较硬岩,工程地质性质及围岩自稳能力一般,地下水出水状态为点滴状,拱部无支护时可产生局部局部小坍塌。4.1.3K71+000~K71+035段:该段为Ⅴ级围岩,围岩为强风化石英片岩;岩体极破碎,结构面极发育,结合差,碎裂状结构;拱部及侧壁自稳性差,开挖时易发生中~小塌方;雨季地下水出水状态以点滴状为主。仰坡以强风化层为主,自然坡清表后采取喷锚挂网防护。隧道围岩级别划分表起止桩号分段长度m围岩名称饱和抗压强度RcMPa岩体完整系数Kv围岩基本质量指标BQ/[BQ]确定围岩级别岩体纵波速Vp(m/s)影响因素状态或关系说明K70+850~K70+90555强风化石英片岩略略<250Ⅴ801~874点滴状出水岩体极破碎K70+905~K71+00095中风化石英片岩64.50.1309/309Ⅳ4701~5107点滴状出水岩体较破碎K71+000~K71+03535强~中风化石英片岩略略<250Ⅴ789~5107点滴状出水岩体极破碎4.2隧道进口稳定性评价隧道进洞口所在斜坡坡角为37°,坡向129°,岩层产状215°∠65°,坡向和岩层倾向呈横向坡关系,较有利于边坡稳定。洞口仰坡岩层多为强风化石英片岩。强风化层节理裂隙极发育,对边坡稳定性不利,易发生崩塌、掉块等现象。根据钻探、物探和地表地质调查,洞口自然山坡稳定,无崩塌和滑坡现象。山露基岩节理裂隙极发育,主要发育两组节理:J1,32°∠35°,密度4条/m,延长1~2m;J2,300°∠76°,密度3条/m,延长1~3m;均为微张裂隙面。节理面J1、J2、层面交线与坡向均呈逆坡关系,有利于边坡稳定,但洞口边坡开挖处理不当时易产生局部崩塌。进洞口地层主要为强风化岩层,洞口仰坡挖方量较小,埋深较小。4.3隧道出口稳定性评价出洞口所在斜坡坡角约33°,坡向为285°,岩层产状215°∠65°,坡向和岩层倾向组合关系为横向相交,自然边坡未见变形迹象,稳定。由于强风化石英片岩较厚,开挖后呈碎块状,因此存在崩塌掉块可能。出露基岩节理裂隙极发育,主要发育两组节理:J1,32°∠35°,密度4条/m,延长1~2m;J2,300°∠76°,密度3条/m,延长1~3m;均为微张裂隙面。节理J2与层面交线为最不利组合关系,但是倾角陡峭,发生顺层滑塌的可能性较小。但是存在在外力作用下易发生崩塌现场。4.4结论4.4.1隧址区主要为中元古界河群界牌组(Pt2Jp)石英片岩组成,岩层产状215°∠65°;主要发育两组节理:J1,32°∠35°;J2,300°∠76°,地下水不发育。4.4.2揭露强风化石英片岩,极软岩,岩体极破碎,工...

1、当您付费下载文档后,您只拥有了使用权限,并不意味着购买了版权,文档只能用于自身使用,不得用于其他商业用途(如 [转卖]进行直接盈利或[编辑后售卖]进行间接盈利)。
2、本站所有内容均由合作方或网友上传,本站不对文档的完整性、权威性及其观点立场正确性做任何保证或承诺!文档内容仅供研究参考,付费前请自行鉴别。
3、如文档内容存在违规,或者侵犯商业秘密、侵犯著作权等,请点击“违规举报”。

碎片内容

连拱隧道施工方案

您可能关注的文档

确认删除?
VIP
微信客服
  • 扫码咨询
会员Q群
  • 会员专属群点击这里加入QQ群
客服邮箱
回到顶部