电脑桌面
添加小米粒文库到电脑桌面
安装后可以在桌面快捷访问

珍珠岩吸声板施工方案VIP免费

珍珠岩吸声板施工方案_第1页
1/7
珍珠岩吸声板施工方案_第2页
2/7
珍珠岩吸声板施工方案_第3页
3/7
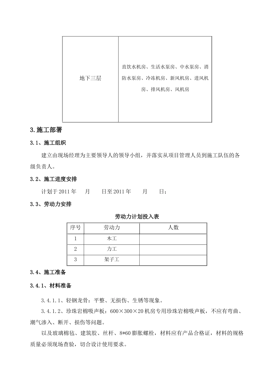
目录1.编制依据...............................................................12.工程概况...............................................................12.1、总体概况.........................................................12.2、防油渗楼面工程概况...............................................13.施工部署...............................................................23.1、施工组织.........................................................23.2、施工进度安排.....................................................23.3、劳动力安排.......................................................23.4、施工准备.........................................................24.作业条件...............................................................35.主要施工方法及技术措施.................................................45.1、施工工艺流程....................................................45.2、墙体找平.........................................................45.3、防潮层施工.......................................................45.4、弹线.............................................................45.5、安装龙骨.........................................................55.6、玻璃棉毡铺装.....................................................55.7、安装岩棉板.......................................................55.8、安装饰条.........................................................56.质量保证措施...........................................................57.成品保护...............................................................68.安全文明施工保证措施...................................................61.编制依据1.1《建筑工程施工质量验收统一标准》(GB50300-2001)1.2《建筑装饰装修工程质量验收规范》(GB50210-2001)1.3《公共建筑节能设计标准》(GB50189-2005)1.4《建筑工程冬期施工规程》(JGJ104-97)1.5《天津市建设工程施工现场安全管理规程》(DB29-113-2004)1.6中国天辰科技园天辰大厦工程施工图纸(北京市建筑设计研究院设计)1.7中国天辰科技园天辰大厦工程精装修施工图纸(北京弘高建筑装饰工程有限公司)1.8北京建筑设计研究院建筑图2.工程概况2.1、总体概况本工程建筑面积121100m2,地下部分建筑面积42285m2,地上部分建筑面积78815m2。分为天辰大厦主楼、裙房、地下车库三部分。地下三层,地上四十一层。本工程结构形式为框架剪力墙结构,抗震设防烈度为7度,建筑耐火等级为一级。2.2、防油渗楼面工程概况2.2.1、本工程我公司负责装修施工区域为按照北京建筑设计研究院设计图纸进行施工的部分(即北京弘高建筑设计工程有限公司设计的内装图中阴影范围)。2.2.2、本工程珍珠岩吸声板墙面施工区域如下表:层数房间名称地下一层锅炉间、水泵间、进风机房、排风机房、发电机房地下二层进风机房、排风机房、风机房地下三层直饮水机房、生活水泵房、中水泵房、消防水泵房、冷冻机房、新风机房、进风机房、排风机房、风机房3.施工部署3.1、施工组织建立由现场经理为主要领导人的领导小组,并落实从项目管理人员到施工队伍的各级负责人。3.2、施工进度安排计划于2011年月日至2011年月日;3.3、劳动力安排劳动力计划投入表序号劳动力人数1木工2力工3架子工3.4、施工准备3.4.1、材料准备3.4.1.1、轻钢龙骨:平整、无损伤、生锈等现象。3.4.1.2、珍珠岩棉吸声板:600×300×20机房专用珍珠岩棉吸声板,不应有弯曲、潮气渗入、断开、损伤等问题。以及玻璃棉毡、建筑胶、丝杆、8*60膨胀螺栓,材料应有产品合格证,材料的规格质量必须现场查验,切合设计使用要求。3.4.2、机具准备主要机具名称单位数量电锯台电焊机台无齿锯台拉铆枪把冲击电锤台手提电钻台手锯把射钉枪把人字梯支4.4、技术准备3.4.4.1、施工前,认真查阅图纸、洽商、方案和相关规范,详细明确工艺过程...

1、当您付费下载文档后,您只拥有了使用权限,并不意味着购买了版权,文档只能用于自身使用,不得用于其他商业用途(如 [转卖]进行直接盈利或[编辑后售卖]进行间接盈利)。
2、本站所有内容均由合作方或网友上传,本站不对文档的完整性、权威性及其观点立场正确性做任何保证或承诺!文档内容仅供研究参考,付费前请自行鉴别。
3、如文档内容存在违规,或者侵犯商业秘密、侵犯著作权等,请点击“违规举报”。

碎片内容

珍珠岩吸声板施工方案

确认删除?
VIP
微信客服
  • 扫码咨询
会员Q群
  • 会员专属群点击这里加入QQ群
客服邮箱
回到顶部