电脑桌面
添加小米粒文库到电脑桌面
安装后可以在桌面快捷访问

翰林学府降水专项施工方案VIP免费

翰林学府降水专项施工方案_第1页
1/24
翰林学府降水专项施工方案_第2页
2/24
翰林学府降水专项施工方案_第3页
3/24
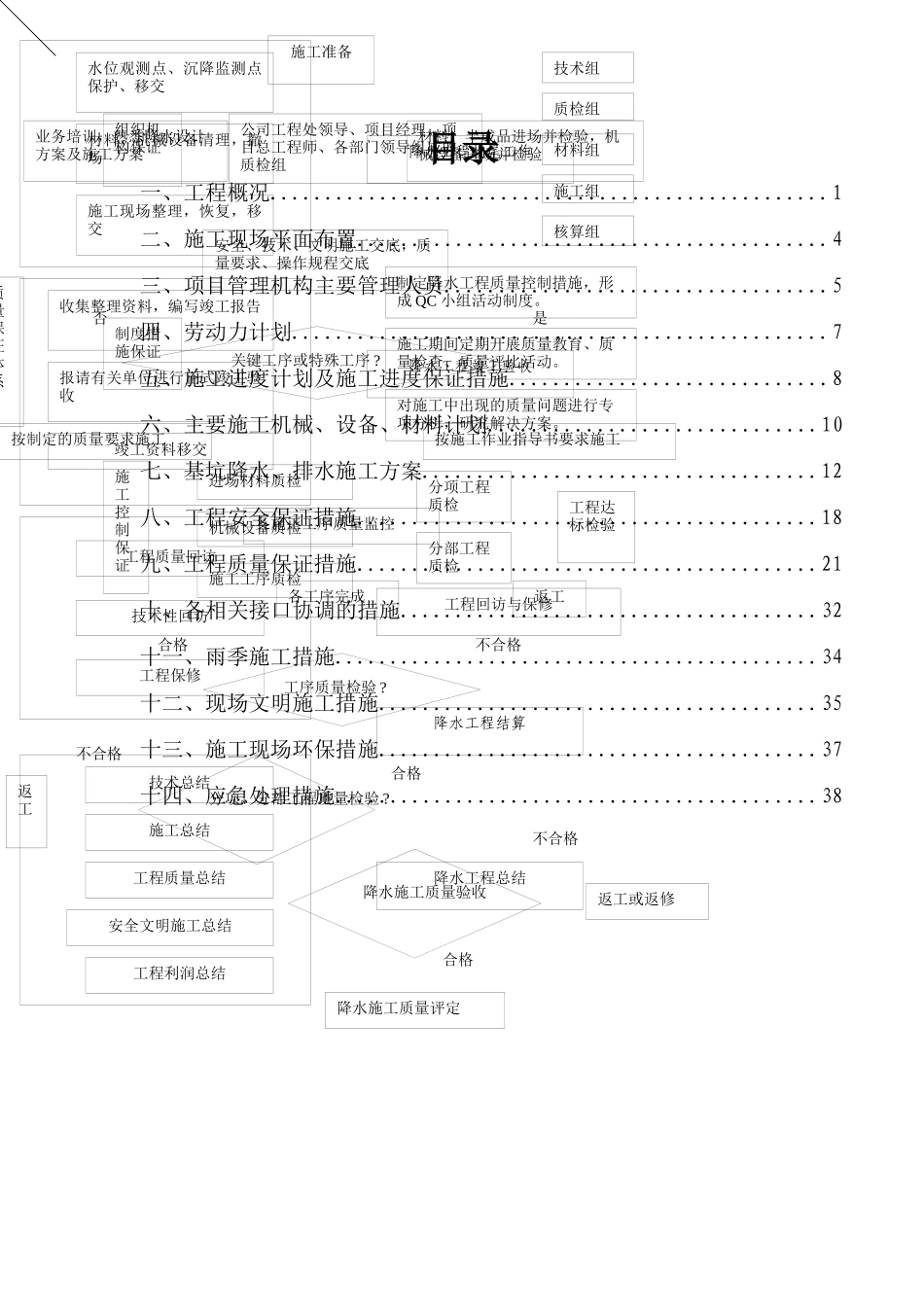
质量保证体系组织机构保证公司工程处领导、项目经理、项目总工程师、各部门领导组成的质检组技术组质检组材料组施工组核算组制度措施保证制定降水工程质量控制措施,形成QC小组活动制度。施工期间定期开展质量教育、质量检查、质量评比活动。对施工中出现的质量问题进行专项分析,研究解决方案。施工控制保证进场材料质检机械设备质检施工工序质检分项工程质检分部工程质检工程达标检验施工准备业务培训,熟悉降水设计方案及施工方案材料、半成品进场并检验,机械设备进场并检验安全、技术、文明施工交底,质量要求、操作规程交底关键工序或特殊工序?是否按施工作业指导书要求施工按制定的质量要求施工各施工工序质量监控各工序完成工序质量检验?不合格返工合格分项、分部工程质量检验?返工降水施工质量验收不合格合格返工或返修降水施工质量评定不合格合格水位观测点、沉降监测点保护、移交施工现场整理,恢复,移交材料、机械设备清理,撤场降水工程收尾工作收集整理资料,编写竣工报告报请有关单位进行正式竣工验收竣工资料移交降水工程竣工验收工程质量回访技术性回访工程保修工程回访与保修降水工程结算技术总结施工总结工程质量总结安全文明施工总结工程利润总结降水工程总结目录一、工程概况...................................................1二、施工现场平面布置...........................................4三、项目管理机构主要管理人员...................................5四、劳动力计划.................................................7五、施工进度计划及施工进度保证措施.............................8六、主要施工机械、设备、材料计划..............................10七、基坑降水、排水施工方案....................................12八、工程安全保证措施..........................................18九、工程质量保证措施..........................................21十、各相关接口协调的措施......................................32十一、雨季施工措施............................................34十二、现场文明施工措施........................................35十三、施工现场环保措施........................................37十四、应急处理措施............................................38基坑降水专项施工方案一、编制依据(1)《基坑支护工程设计方案》(2)《项目岩土工程勘察报告》(3)《建筑工程质量检查评定标准》(GB50210-2001)(4)《工程测量规范》(GB50026-2007)(5)《建筑基坑支护技术规程》(JGJ120-2012)(6)《供水管井技术规范》(GB50296—2014)(7)《建筑施工现场环境与卫生标准》(JGJ146—2013)(8)《建设工程施工现场供用电安全规范》(GB50194-2014)(9)《建筑与市政降水工程技术规范》(JGJ/T111-1998)(10)市施工现场管理标准和文明施工的有关规定二、工程概况1.1工程特点根据业主提供的岩土勘察报告,现场钻探深度内均见有地下水,勘察期间,实测稳定水位埋深2.70~3.70m,水位绝对标高2.97m~3.62m。根据区域水文地质资料,拟建场地地下水位年变化幅度约1.00m,历史最高水位4.60m。地下水类型主要为孔隙潜水~弱承压水,主要含水层为第⑤层含粘性土中粗砂层、第⑨层粗砂层、第层粗砾砂层。场区地下水主要接受大气降水及侧向迳流的补给。根据现场水位观察分析,虽然具有局部的隔水层,但各含水层之间仍具有一定的水力联系。根据现场踏勘情况分析,本工程在技术条件方面及施工条件方面具有以下特点:1)降水施工难度不大拟建场地地貌类型原属于现代河流堆积阶地及河漫滩的下部、河床相沉积,后经人工回填改造而成。2)技术要求、设备性能要求较高在本工程降水设计施工中,为了保证所有降水井按设计要求施工并达到降水效果,施工技术要求很高,施工工艺复杂,对施工设备要求体积小、功能全、效率高。3)降水施工辅助工作为保证降水周边建筑物的安全和正常使用,降水期间需连续进行沉降监测。1.3设计工作量安排:根据降水及排水设计,设计降水周期180天,具体工安排如下:1.3.1降水...

1、当您付费下载文档后,您只拥有了使用权限,并不意味着购买了版权,文档只能用于自身使用,不得用于其他商业用途(如 [转卖]进行直接盈利或[编辑后售卖]进行间接盈利)。
2、本站所有内容均由合作方或网友上传,本站不对文档的完整性、权威性及其观点立场正确性做任何保证或承诺!文档内容仅供研究参考,付费前请自行鉴别。
3、如文档内容存在违规,或者侵犯商业秘密、侵犯著作权等,请点击“违规举报”。

碎片内容

翰林学府降水专项施工方案

起跑线书城+ 关注
实名认证
内容提供者

热爱教学事业,对互联网知识分享很感兴趣

确认删除?
VIP
微信客服
  • 扫码咨询
会员Q群
  • 会员专属群点击这里加入QQ群
客服邮箱
回到顶部