电脑桌面
添加小米粒文库到电脑桌面
安装后可以在桌面快捷访问

长螺旋钻孔灌注桩施工方案VIP免费

长螺旋钻孔灌注桩施工方案_第1页
1/9
长螺旋钻孔灌注桩施工方案_第2页
2/9
长螺旋钻孔灌注桩施工方案_第3页
3/9
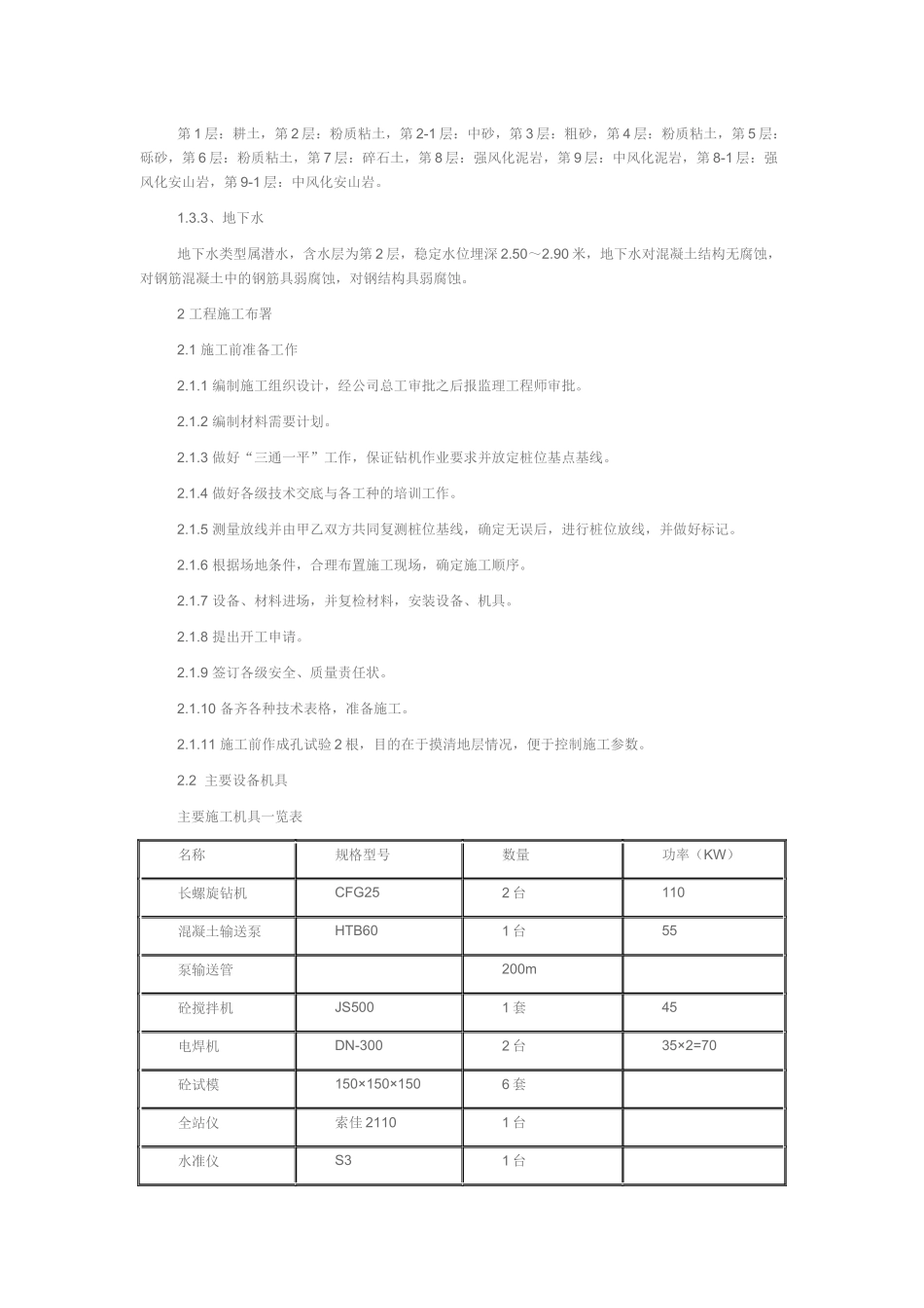
长螺旋钻孔灌注桩施工方案默认分类2007-07-1310:34:01阅读1841评论3字号:大中小订阅目录1工程概况和设计要求1.1工程概况1.2编制依据1.3施工条件2工程施工部署2.1施工前准备工作2.2主要设备机具2.3施工进度计划2.4施工组织体系3设计工作量及工程质量要求3.1设计工程量3.2工程质量要求4成桩工艺4.1工艺流程4.2成孔工艺4.3超留态砼压灌工艺4.4钢筋笼制作、吊装5工程施工管理措施5.1质量保证措施5.2安全保证措施5.3施工管理措施6常见质量问题及防治措施6.1堵管6.2卡钻6.3断桩、缩径和桩身缺陷6.4桩头不完整7工程验收提交资料7.1施工报告7.2附件附:施工进度横道图桩基施工平面布置图1、工程概况和设计要求1.1、工程概况略...1.2编写依据1公司《质量手册》、《质量体系程序文件》2《岩土工程勘察报告》(2004-338)3《建筑桩基技术规范》(JGJ94-94)4《建筑地基基础工程施工质量验收规范》(GB50202-2002)5设计提供图纸6工程施工合同1.3施工条件1.3.1、环境条件拟建场区地形较平坦,交通便利,水电量供应充足,地下无管线、电缆、沟渠等障碍物。1.3.2、地层条件依据勘察测绘有限公司提交的《岩土工程勘察报告》2005-09-14(2),场地内地层自上而下可分为:第1层:耕土,第2层:粉质粘土,第2-1层:中砂,第3层:粗砂,第4层:粉质粘土,第5层:砾砂,第6层:粉质粘土,第7层:碎石土,第8层:强风化泥岩,第9层:中风化泥岩,第8-1层:强风化安山岩,第9-1层:中风化安山岩。1.3.3、地下水地下水类型属潜水,含水层为第2层,稳定水位埋深2.50~2.90米,地下水对混凝土结构无腐蚀,对钢筋混凝土中的钢筋具弱腐蚀,对钢结构具弱腐蚀。2工程施工布署2.1施工前准备工作2.1.1编制施工组织设计,经公司总工审批之后报监理工程师审批。2.1.2编制材料需要计划。2.1.3做好“三通一平”工作,保证钻机作业要求并放定桩位基点基线。2.1.4做好各级技术交底与各工种的培训工作。2.1.5测量放线并由甲乙双方共同复测桩位基线,确定无误后,进行桩位放线,并做好标记。2.1.6根据场地条件,合理布置施工现场,确定施工顺序。2.1.7设备、材料进场,并复检材料,安装设备、机具。2.1.8提出开工申请。2.1.9签订各级安全、质量责任状。2.1.10备齐各种技术表格,准备施工。2.1.11施工前作成孔试验2根,目的在于摸清地层情况,便于控制施工参数。2.2主要设备机具主要施工机具一览表名称规格型号数量功率(KW)长螺旋钻机CFG252台110混凝土输送泵HTB601台55泵输送管200m砼搅拌机JS5001套45电焊机DN-3002台35×2=70砼试模150×150×1506套全站仪索佳21101台水准仪S31台钢筋切割机202KW2台4.4装载机2001辆2.3施工进度计划该工程施工时24小时连续作业,拟开动2台钻机,1台搅拌机,配备2组灌注人员,完成该项任务约需要30天的时间。施工进度计划详见后附施工进度计划横道图。2.4施工组织体系该工程施工实行项目法施工管理,以安全、优质、高效为目标,建立以项目经理为首的管理体系(见施工组织管理体系框图),集中领导,统一指挥,明确责任,与经济挂钩,确保工程质量及施工工期。技术负责项目经理图1、施工组织管理体系框图3设计工程量及工程质量要求3.1设计工程量根据设计图纸,桩长17m,桩径500mm,总灌注量2190立方米(浮浆按0.60m考虑,充盈系数按1.05考虑)。3.2工程质量要求1桩位:偏差小于70mm。2桩长与孔深:桩长约17m,确保入岩不小于0.75m。3桩身混凝地标号C25。4桩垂直度允许偏差小于1%。5桩径:偏差±50mm。6坍落度:18~22cm。7充盈系数:达到1.05。8桩顶标高:+30mm、-50mm。(±0.0相当于绝对标高见发建施)9钢筋笼制作严格按设计图纸加工,允许偏差符合混凝土灌注桩(钢筋笼)工程质量验收要求。10主筋保护层厚度50mm,桩钢筋锚入承台不小于35d。桩深入承台100mm。11单桩承载力特征值为1050kpa。12施工地面与有效桩顶标高距离不小于0.6m,以保证桩头施工质量和施工时隔桩跳打。13成桩后按设计要求,20%作低应变动测,1%作高应变动测,测桩要求按JGJ/T106-2003执行。4成桩工艺4.1工艺流程长螺旋钻孔灌注桩工序较复杂,各工序的质量,直接影响整个工程的质量,必须严格按照工艺流程施工,每道...

1、当您付费下载文档后,您只拥有了使用权限,并不意味着购买了版权,文档只能用于自身使用,不得用于其他商业用途(如 [转卖]进行直接盈利或[编辑后售卖]进行间接盈利)。
2、本站所有内容均由合作方或网友上传,本站不对文档的完整性、权威性及其观点立场正确性做任何保证或承诺!文档内容仅供研究参考,付费前请自行鉴别。
3、如文档内容存在违规,或者侵犯商业秘密、侵犯著作权等,请点击“违规举报”。

碎片内容

长螺旋钻孔灌注桩施工方案

您可能关注的文档

确认删除?
VIP
微信客服
  • 扫码咨询
会员Q群
  • 会员专属群点击这里加入QQ群
客服邮箱
回到顶部