电脑桌面
添加小米粒文库到电脑桌面
安装后可以在桌面快捷访问

内浮顶罐施工方案VIP免费

内浮顶罐施工方案_第1页
1/17
内浮顶罐施工方案_第2页
2/17
内浮顶罐施工方案_第3页
3/17
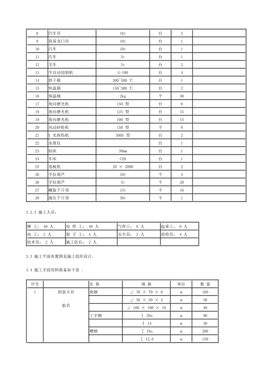
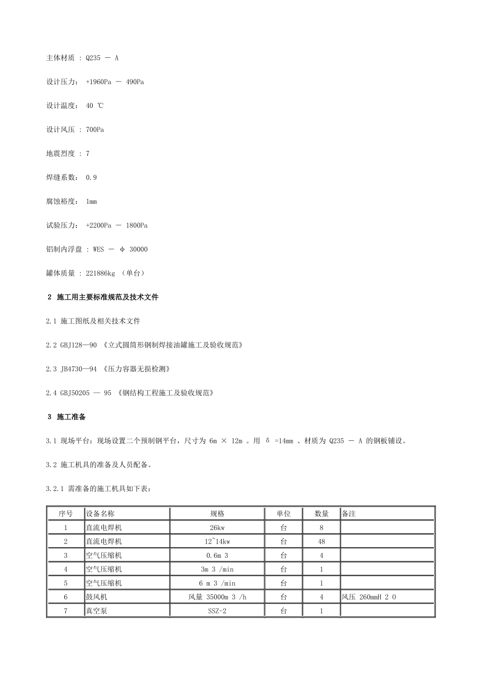
10000m3内浮顶油罐施工方案目次1.工程概况2.施工用主要标准规范及技术文件3.施工准备4.施工方法的确定5.组装工艺及要求6.焊接及其检验7.组装质量要求及检验方法8.质量保证措施9.安全施工技术要求10.附件1工程概况1.1建设单位:深能(钦州)实业开发有限公司。1.2设计单位:茂名石油化工公司设计院。1.3工程地点:广西钦州市港区鹰岭危险品作业区。1.4工程量:8台10000m3内浮顶油罐现场制作安装。1.5主要技术参数:储罐内径:φ30000mm公称容积:10000m3计算容量:11200m3储存介质:汽油、柴油罐壁高度:15857mm主体材质:Q235-A设计压力:+1960Pa-490Pa设计温度:40℃设计风压:700Pa地震烈度:7焊缝系数:0.9腐蚀裕度:1mm试验压力:+2200Pa-1800Pa铝制内浮盘:WES-φ30000罐体质量:221886kg(单台)2施工用主要标准规范及技术文件2.1施工图纸及相关技术文件2.2GBJ128—90《立式圆筒形钢制焊接油罐施工及验收规范》2.3JB4730—94《压力容器无损检测》2.4GBJ50205—95《钢结构工程施工及验收规范》3施工准备3.1现场平台:现场设置二个预制钢平台,尺寸为6m×12m。用δ=14mm、材质为Q235-A的钢板铺设。3.2施工机具的准备及人员配备。3.2.1需准备的施工机具如下表:序号设备名称规格单位数量备注1直流电焊机26kw台82直流电焊机12~14kw台483空气压缩机0.6m3台44空气压缩机3m3/min台15空气压缩机6m3/min台16鼓风机风量35000m3/h台4风压260mmH2O7真空泵SSZ-2台18汽车吊16t台29简易龙门吊10t台110汽车10t台111汽车5t台112叉车5t台213半自动切割机G-100台414烘干箱300~500℃台115恒温箱150~300℃台216保温桶2kg个4817角向磨光机150型台818角向磨光机125型台1519角向磨光机100型台1520风动砂轮机150型个821X光探伤机3005型台222水准仪台123钻床30mm台124车床C20台125卷板机20×2000台226手拉葫芦10t个426手拉葫芦5t个2027螺旋千斤顶15t个1628液压千斤顶30t个13.2.2施工人员:铆工:40人电焊工:48人气焊工:8人起重工:8人电工:2人架子工:4人安全员:2人质检员:4人技术员:2人施工队长:2人3.3施工平面布置图见施工组织设计。3.4施工手段用料准备如下表:序号名称规格单位数量1组装卡具胎具角钢∠70×70×6m160∠50×50×5m30∠100×100×10m40工字钢Ⅰ20am90Ⅰ14m30槽钢[18am200[12.6m150圆钢Ф16mmm30钢板δ12~18mmm235δ3~6mmm21202运输胎具槽钢[12.6m80钢管Ф89m153施工平台钢板δ14mmm21504钢丝绳Ф20(16×9)m7003.5材料验收3.5.1油罐用钢材、配件必须符合设计和规范要求,具有产品质量证明书或检验报告。3.5.2油罐用钢板应逐张进行外观检查,其表面不得有气孔、裂纹、拉裂、夹渣、重皮现象。钢板厚度要求:板厚为6~7mm钢板允许偏差:-0.6mm;板厚为8mm~18mm钢板允许偏差:-0.8mm。3.6基础的验收及中间交接我方只对基础进行几何尺寸的复验,和甲方进行中间交接。其具体要求如下:3.6.1油罐中心标高允许偏差为±20mm。3.6.2支承罐壁的基础表面,每隔10m弧长内任意两点的高度差≯6mm,整个圆周长度内任意两点的高度差≯12mm。3.6.3沥青砂层表面应平整密实,无突出的隆起,凹陷及贯穿裂纹。沥青砂层表面凹凸度的检查方法应为:以基础中心为圆心,以1/4D、1/2D、3/4D为直径作同心圆,在圆周上分别均分为8、16、24等分点。同一圆周上的测点其测量标高与计算标高之差≯12mm。4.施工方法的确定4.1施工方法:采用气顶倒装工艺。先安装油罐底板、最上层罐壁板及罐顶盖,采用被顶升部分的壁板、顶盖及底板形成一个封闭体,借助鼓风机风力作用提升罐体,使下层壁板与上层壁板组对焊接,直至最下层壁板组焊成形。4.2风压、风量的计算及风机的选型4.2.1.1经计算每次顶升时所需要的风压、风量值如下表:序号顶升层数顶升重量(t)风压(mmH2O)风量(m3/h)11052882758429591002790838691162834047771302882856881482945265101171302647411619731256831332253244092152257338684.2.1.2风机的选择根据列表计算的最大风量和最大风压值,选择型号为4-72-11N010D的风机能满足要求。5组装工艺及要求5.1施工程序框图5.2组装程序及技术要求5.2.1罐底板的铺设5.2.1.1铺板前技术人员必...

1、当您付费下载文档后,您只拥有了使用权限,并不意味着购买了版权,文档只能用于自身使用,不得用于其他商业用途(如 [转卖]进行直接盈利或[编辑后售卖]进行间接盈利)。
2、本站所有内容均由合作方或网友上传,本站不对文档的完整性、权威性及其观点立场正确性做任何保证或承诺!文档内容仅供研究参考,付费前请自行鉴别。
3、如文档内容存在违规,或者侵犯商业秘密、侵犯著作权等,请点击“违规举报”。

碎片内容

内浮顶罐施工方案

您可能关注的文档

确认删除?
VIP
微信客服
  • 扫码咨询
会员Q群
  • 会员专属群点击这里加入QQ群
客服邮箱
回到顶部