电脑桌面
添加小米粒文库到电脑桌面
安装后可以在桌面快捷访问

世界500强公司绩效考核指标汇总表VIP免费

世界500强公司绩效考核指标汇总表_第1页
1/89
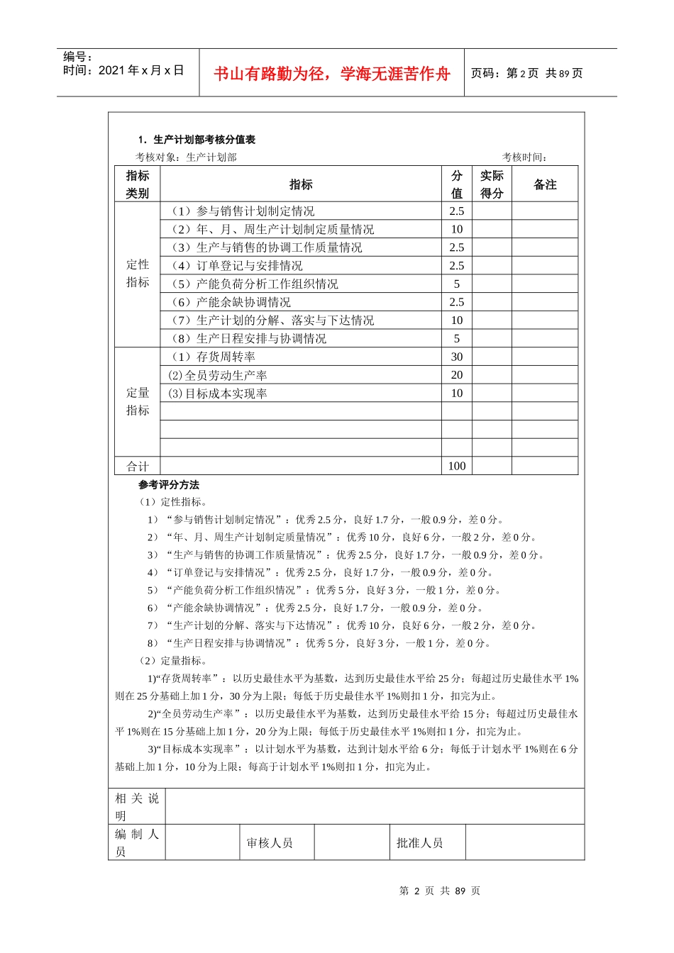
世界500强公司绩效考核指标汇总表_第2页
2/89
世界500强公司绩效考核指标汇总表_第3页
3/89
第1页共89页编号:时间:2021年x月x日书山有路勤为径,学海无涯苦作舟页码:第1页共89页世界500强公司绩效考核指标汇总表。生产类考核/生产计划管理考核/考核方法名称生产类考核/生产计划管理考核/考核方法编码版本页次1/6修改状态第2页共89页第1页共89页编号:时间:2021年x月x日书山有路勤为径,学海无涯苦作舟页码:第2页共89页1.生产计划部考核分值表考核对象:生产计划部考核时间:指标类别指标分值实际得分备注定性指标(1)参与销售计划制定情况2.5(2)年、月、周生产计划制定质量情况10(3)生产与销售的协调工作质量情况2.5(4)订单登记与安排情况2.5(5)产能负荷分析工作组织情况5(6)产能余缺协调情况2.5(7)生产计划的分解、落实与下达情况10(8)生产日程安排与协调情况5定量指标(1)存货周转率30(2)全员劳动生产率20(3)目标成本实现率10合计100参考评分方法(1)定性指标。1)“参与销售计划制定情况”:优秀2.5分,良好1.7分,一般0.9分,差0分。2)“年、月、周生产计划制定质量情况”:优秀10分,良好6分,一般2分,差0分。3)“生产与销售的协调工作质量情况”:优秀2.5分,良好1.7分,一般0.9分,差0分。4)“订单登记与安排情况”:优秀2.5分,良好1.7分,一般0.9分,差0分。5)“产能负荷分析工作组织情况”:优秀5分,良好3分,一般1分,差0分。6)“产能余缺协调情况”:优秀2.5分,良好1.7分,一般0.9分,差0分。7)“生产计划的分解、落实与下达情况”:优秀10分,良好6分,一般2分,差0分。8)“生产日程安排与协调情况”:优秀5分,良好3分,一般1分,差0分。(2)定量指标。1)“存货周转率”:以历史最佳水平为基数,达到历史最佳水平给25分;每超过历史最佳水平1%则在25分基础上加1分,30分为上限;每低于历史最佳水平1%则扣1分,扣完为止。2)“全员劳动生产率”:以历史最佳水平为基数,达到历史最佳水平给15分;每超过历史最佳水平1%则在15分基础上加1分,20分为上限;每低于历史最佳水平1%则扣1分,扣完为止。3)“目标成本实现率”:以计划水平为基数,达到计划水平给6分;每低于计划水平1%则在6分基础上加1分,10分为上限;每高于计划水平1%则扣1分,扣完为止。相关说明编制人员审核人员批准人员第3页共89页第2页共89页编号:时间:2021年x月x日书山有路勤为径,学海无涯苦作舟页码:第3页共89页编制日期审核日期批准日期(续)名称生产类考核/生产计划管理考核/考核方法编码版本页次2/6修改状态第4页共89页第3页共89页编号:时间:2021年x月x日书山有路勤为径,学海无涯苦作舟页码:第4页共89页2.技术开发部考核分值表考核对象:技术开发部考核时间:指标类别指标分值实际得分备注定性指标(1)参与生产计划制定的情况10(2)产品设计计划及日程制定、实施与控制质量情况20(3)技术能力负荷分析情况10定量指标新产品增加值率60合计100参考评分方法(1)定性指标。1)“参与生产计划制定的情况”:优秀10分,良好6分,一般2分,差0分。2)“产品设计计划及日程制定、实施与控制质量情况”:优秀20分,良好15分,一般8分,差0分。3)“技术能力负荷分析情况”:优秀10分,良好6分,一般2分,差0分。(2)定量指标。“新产品增加值率”:以历史最佳水平为基数,达到历史最佳水平给50分;每超过历史最佳水平1%则在50分基础上加1分,60分为上限;每低于历史最佳水平1%则扣1分,扣完为止。相关说明编制人员审核人员批准人员第5页共89页第4页共89页编号:时间:2021年x月x日书山有路勤为径,学海无涯苦作舟页码:第5页共89页编制日期审核日期批准日期(续)名称生产类考核/生产计划管理考核/考核方法编码版本页次3/6修改状态第6页共89页第5页共89页编号:时间:2021年x月x日书山有路勤为径,学海无涯苦作舟页码:第6页共89页3.供应部考核分值表考核对象:供应部考核时间:指标类别指标分值实际得分备注定性指标(1)参与生产计划制定的情况10(2)采购计划及日程的制定、实施与控制情况20(3)供应能力分析情况10定量指标采购成本降低额60合计100参考评分方法(1)定性指标。1)“参与生产计划制定的情况”:优秀10分,良好6分,一般2分,差0分。...

1、当您付费下载文档后,您只拥有了使用权限,并不意味着购买了版权,文档只能用于自身使用,不得用于其他商业用途(如 [转卖]进行直接盈利或[编辑后售卖]进行间接盈利)。
2、本站所有内容均由合作方或网友上传,本站不对文档的完整性、权威性及其观点立场正确性做任何保证或承诺!文档内容仅供研究参考,付费前请自行鉴别。
3、如文档内容存在违规,或者侵犯商业秘密、侵犯著作权等,请点击“违规举报”。

碎片内容

世界500强公司绩效考核指标汇总表

中小学资料+ 关注
实名认证
内容提供者

精美课件,值得下载

确认删除?
VIP
微信客服
  • 扫码咨询
会员Q群
  • 会员专属群点击这里加入QQ群
客服邮箱
回到顶部