电脑桌面
添加小米粒文库到电脑桌面
安装后可以在桌面快捷访问

为深入贯彻落实全国质量工作会议精神,加强对涉及人身健康与安全VIP免费

为深入贯彻落实全国质量工作会议精神,加强对涉及人身健康与安全_第1页
1/8
为深入贯彻落实全国质量工作会议精神,加强对涉及人身健康与安全_第2页
2/8
为深入贯彻落实全国质量工作会议精神,加强对涉及人身健康与安全_第3页
3/8
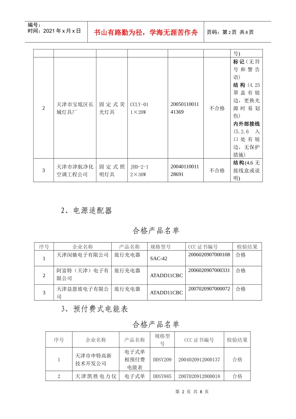
第1页共8页编号:时间:2021年x月x日书山有路勤为径,学海无涯苦作舟页码:第1页共8页天津市国家强制性认证(CCC认证)产品监督抽查情况依据《中华人民共和国认证认可条例》、《强制性产品认证管理规定》及有关产品监督抽查管理办法,我局组织对照明电器、电源适配器、预付费式电能表、低压成套开关设备、手机、电吹风等CCC认证产品进行了监督抽查,现将监督抽查结果公告如下:1、照明电器合格产品名单序号企业名称产品名称规格型号CCC证书编号检验结果1天津市金龙灯具器材厂线槽灯光带LY539-1D22005011001161157合格2天津市奔宇灯具厂固定式荧光灯具BY-87-1×40W2003011001099142合格3天津市璞玉照明电器工贸公司防水防尘灯PYGC4-22003011001092458合格4天津施莱德照明器材有限公司固定式灯具ALBANY高压钠250W2007011001222044合格5天津四通电脑设备有限公司电子镇流器TISC-1364H2003011002040677合格不合格产品名单序号企业名称产品名称规格型号CCC证书编号检验结果不合格项目1天津四通电脑设备有限公司环形荧光灯落地灯ML1-Y322005011001143016不合格标记(无电源电流,无电源种类符第2页共8页第1页共8页编号:时间:2021年x月x日书山有路勤为径,学海无涯苦作舟页码:第2页共8页号)2天津市宝坻区长城灯具厂固定式荧光灯具CCLY-011×20W2005011001141369不合格标记(无符号和警告语)结构(4.25罩盖有锐边,更换光源时易划伤)内外部接线(5.2.6入口处有锐边,无保护措施)3天津市津航净化空调工程公司固定式照明灯具JHD-2-12×30W2004011001128691不合格结构(4.6无接线盒或说明)2、电源适配器合格产品名单序号企业名称产品名称规格型号CCC证书编号检验结果1天津闵驰电子有限公司旅行充电器SAC-422006020907000108合格2阿富特(天津)电子有限公司旅行充电器ATADD11CBC2006020907000331合格3天津益恩彼电子有限公司旅行充电器ATADD11CBC2007020907000072合格3、预付费式电能表合格产品名单序号企业名称产品名称规格型号CCC证书编号检验结果1天津市申特高新技术开发公司电子式单相预付费电能表DDSY2092004020912000137合格2天津凯胜电力仪电子式单DDSY8852007020912000018合格第3页共8页第2页共8页编号:时间:2021年x月x日书山有路勤为径,学海无涯苦作舟页码:第3页共8页表有限公司相预付费电能表3天津市新巨升电子工业有限公司单相式电子预付费电能表DDSY2002004010912130904合格4、低压成套开关设备依据强制性产品认证标准,主要对结构和标志、介电强度、保护电路连续性、电气间隙、爬电距离、机械操作等项目进行了检测。合格产品名单序号生产企业名称产品名称产品规格CCC证书编号检验结果1天津市南洋建筑电器厂交流低压配电柜NYGGD-800A380V2005010301161580所检项目合格2天津市津开电气有限公司动力配电柜FXL-630A380V2003010301087638所检项目合格3天津中建电气成套设备有限公司封闭式固定安装配电柜ZJGGD-400A380V2007010301220558所检项目合格4天津市萃通工贸有限公司照明计量箱XGM-32A2005010301153952所检项目合格5天津市新源自控设备系统有限公司低压配电柜XYGGD-630A380V2006010301171575所检项目合格6天津市津南区源顺五金电器设备厂照明箱PXT-25A2005010301153600所检项目合格7天津市津宇电器成套设备有限公司户外电闸箱HWN-35D-63A2006010301186698所检项目合格8天津中天正泰电气成套设备有限公司低压成套开关设备XL-21-250A380V2006010301179630所检项目合格9天津市华利电器开关柜厂动力配电柜XL-21-200A380V2004010301134831所检项目合格10天津市化工设计院电力设备低压成套设备PXT-40A380V2003010301092961所检项目合格第4页共8页第3页共8页编号:时间:2021年x月x日书山有路勤为径,学海无涯苦作舟页码:第4页共8页厂成套分厂11天津市天开电力设备有限公司低压成套设备GGD2-1600A400V2004010301104403所检项目合格12天津市岩成电气成套有限公司电度表箱DBX-100A380V2006010301194929所检项目合格13天津市沅甲机电设备工程有限公司低压配电箱PXTF-175A380V2004010301137834所检项目合格14天津市红日电气自动化有限公司低压成套开关设备GGD-1500A380V2005010301141469...

1、当您付费下载文档后,您只拥有了使用权限,并不意味着购买了版权,文档只能用于自身使用,不得用于其他商业用途(如 [转卖]进行直接盈利或[编辑后售卖]进行间接盈利)。
2、本站所有内容均由合作方或网友上传,本站不对文档的完整性、权威性及其观点立场正确性做任何保证或承诺!文档内容仅供研究参考,付费前请自行鉴别。
3、如文档内容存在违规,或者侵犯商业秘密、侵犯著作权等,请点击“违规举报”。

碎片内容

为深入贯彻落实全国质量工作会议精神,加强对涉及人身健康与安全

中小学资料+ 关注
实名认证
内容提供者

精美课件,值得下载

确认删除?
VIP
微信客服
  • 扫码咨询
会员Q群
  • 会员专属群点击这里加入QQ群
客服邮箱
回到顶部