电脑桌面
添加小米粒文库到电脑桌面
安装后可以在桌面快捷访问

《仪器分析实验》教学大纲(环境科学专业)VIP免费

《仪器分析实验》教学大纲(环境科学专业)_第1页
1/5
《仪器分析实验》教学大纲(环境科学专业)_第2页
2/5
《仪器分析实验》教学大纲(环境科学专业)_第3页
3/5
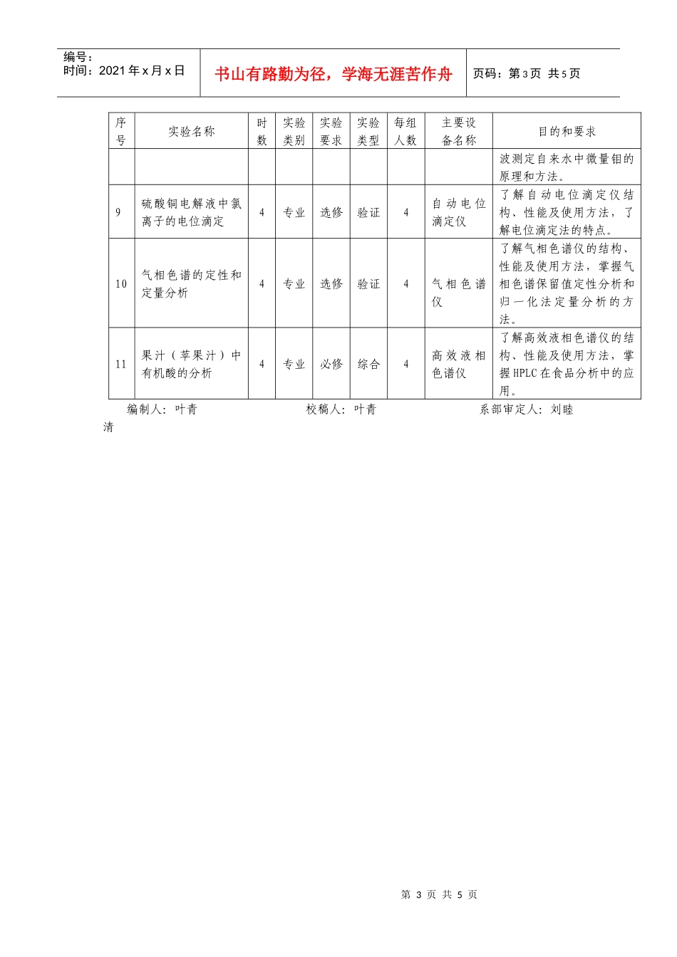
第1页共5页编号:时间:2021年x月x日书山有路勤为径,学海无涯苦作舟页码:第1页共5页《仪器分析实验》教学大纲(环境科学专业)(四年制本科·试行)一、教学目的仪器分析实验是实验化学和仪器分析课的重要内容。其主要目的是:通过仪器分析实验,使学生加深对有关仪器分析方法基本原理的理解,掌握仪器分析实验的基本知识和技能;学会正确地使用分析仪器;合理地选择实验条件;正确处理数据和表达实验结果;培养学生严谨求是的科学态度、勇于科技创新和独立工作的能力。二、教学基本要求1、课前认真预习,仔细阅读仪器分析实验教材,了解分析方法和分析仪器工作的基本原理、仪器主要部件的功能、操作程序和应注意的事项。2、学会正确使用仪器。未经老师允许不得随意开动或关闭仪器,更不得随意旋转仪器旋钮、改变仪器的工作参数等。详细了解仪器的性能,防止损坏仪器或发生安全事故。实验室应始终保持整洁和安静。3、在实验过程中,要认真地学习有关分析方法的基本技术。要细心观察实验现象和仔细记录实验条件和分析测试的原始数据;学会选择最佳的实验条件;积极思考、勤于动手培养良好的实验习惯和科学作风。4、爱护实验的仪器设备。实验中如发现仪器工作不正常,应及时报告老师处理,每次实验结束后,应将使用仪器复原,清洗好使用过的器皿,整理好实验室。5、认真写好实验报告。实验报告应简明,图表清晰。实验报告内容包括实验题目、日期、原理、仪器名称及型号、主要仪器的工作参数、简要步骤、实验数据或图谱、实验中的现象、实验数据分析和结果处理、问题讨论等。实验一邻二氮菲分光光度法测定铁(基本条件实验及试样中微量铁的测定)(4学时)实验二食品中NO2-含量的测定(4学时)实验三有机化合物的紫外吸收光谱及溶剂性质对吸收光谱的影响(4学时)实验四荧光分析法测定铝的含量(4学时)实验五原子吸收光谱法测定痕量镉(4学时)实验六玻璃电极响应斜率和溶液PH的测定(4学时)实验七自来水中含氟量的测定-标准曲线法和标准加入法(4学时)实验八极谱催化波测定自来水中微量钼(4学时)实验九硫酸铜电解液中氯离子的电位滴定(4学时)实验十气相色谱的定性和定量分析(4学时)实验十一果汁(苹果汁)中有机酸的分析(4学时)三、教材及参考书1、华中师范大学等校编.分析化学实验(第三版).高等教育出版社(2001.7)2、万益群、倪永年主编.仪器分析实验(第三版).江西高校出版社(2003.8)3、谢能泳、陆为林、陈玄杰编.分析化学实验.高等教育出版社(1995)第2页共5页第1页共5页编号:时间:2021年x月x日书山有路勤为径,学海无涯苦作舟页码:第2页共5页四、其它说明五、实验项目一览表课程名称:仪器分析实验使用专业:环境科学实验总课时:36序号实验名称时数实验类别实验要求实验类型每组人数主要设备名称目的和要求1邻二氮菲分光光度法测定铁(基本条件实验及试样中微量铁的测定)4专业必修验证4分光光度计掌握邻二氮菲分光光度法测定铁的原理及方法,熟悉绘制吸收曲线的方法,掌握722型分光光度计的正确使用方法,了解此仪器的构造。2食品中NO2-含量的测定4专业必修综合4分光光度计掌握肉制品及蔬菜中NO2-的测定方法,学习肉制品及蔬菜样品的前处理方法。3有机化合物的紫外吸收光谱及溶剂性质对吸收光谱的影响4专业必修验证4紫外可见分光光度计学习紫外吸收光谱的绘制方法,利用吸收光谱进行化合物的鉴定,紫外可见分光光度计的主要结构并熟悉其操作方法。4荧光分析法测定铝的含量4专业必修综合4分子荧光光度计掌握铝的荧光测定方法,以及荧光测量、萃取等基本操作,了解荧光光度计结构、性能及使用方法。5原子吸收光谱法测定痕量镉4专业必修综合4原子吸收分光光计原子吸收光谱法测定水中痕量镉的方法,了解原子吸收光度计结构、性能及使用方法,学习痕量镉的分离富集方法。6玻璃电极响应斜率和溶液PH的测定4专业必修基本操作4酸度计掌握电位法测定玻璃电极的响应斜率和溶液PH的测量原理和方法,掌握酸度计的使用方法。7自来水中含氟量的测定-标准曲线法和标准加入法4专业必修基本操作4酸度计了解氟离子选择性电极测定水中微量氟的原理,了解总离子强度调节剂的...

1、当您付费下载文档后,您只拥有了使用权限,并不意味着购买了版权,文档只能用于自身使用,不得用于其他商业用途(如 [转卖]进行直接盈利或[编辑后售卖]进行间接盈利)。
2、本站所有内容均由合作方或网友上传,本站不对文档的完整性、权威性及其观点立场正确性做任何保证或承诺!文档内容仅供研究参考,付费前请自行鉴别。
3、如文档内容存在违规,或者侵犯商业秘密、侵犯著作权等,请点击“违规举报”。

碎片内容

《仪器分析实验》教学大纲(环境科学专业)

您可能关注的文档

确认删除?
VIP
微信客服
  • 扫码咨询
会员Q群
  • 会员专属群点击这里加入QQ群
客服邮箱
回到顶部