电脑桌面
添加小米粒文库到电脑桌面
安装后可以在桌面快捷访问

工程量签证单培训资料VIP免费

工程量签证单培训资料_第1页
1/68
工程量签证单培训资料_第2页
2/68
工程量签证单培训资料_第3页
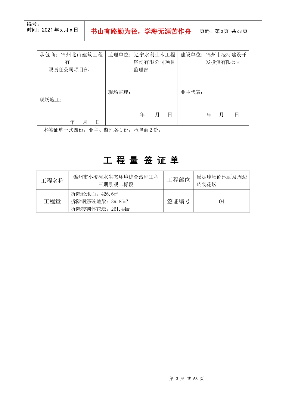
3/68
第1页共68页编号:时间:2021年x月x日书山有路勤为径,学海无涯苦作舟页码:第1页共68页工程量签证单工程名称锦州市城市水生态环境综合治理三期工程(小凌河左岸云飞桥-热电厂段)工程部位2#橡胶坝工程量签证编号018签证事由:橡胶坝袋保护签证内容:根据坝字2015年01号设计通知单,在2#橡胶坝上增加跨越涵,为保证2#橡胶坝袋不受破坏,经业主、监理、施工单位三方协商、对2#橡胶坝袋进行铺设保护,保护坝袋主要工程量如下:草垫子保护(榻榻米)240m2枕木20m50kw发电机2台班模板保护覆盖103m2承包商:锦州北山建筑工程有限责任公司项目部现场施工:监理单位:辽宁水利土木工程咨询有限公司项目监理部现场监理:建设单位:锦州市凌河建设开发投资有限公司业主代表:第2页共68页第1页共68页编号:时间:2021年x月x日书山有路勤为径,学海无涯苦作舟页码:第2页共68页年月日年月日年月日本签证单一式四份,业主、监理各1份,承包商2份。工程量签证单工程名称锦州市小凌河水生态环境综合治理工程三期景观二标段工程部位原冬泳区房建部位工程量浆砌石墙拆除18.8m³钢筋砼拆除27.1m³签证编号02签证事由:根据冬泳区挡墙施工图纸,原有冬泳区房建基础砼及挡墙需拆除。签证内容:1、浆砌石墙拆除:15m(长)*0.5m(宽)*2.5m(高)=18.75m³。2、钢筋混凝土拆除27.1m³(1)砼屋面:10m(长)*5m(宽)*0.2m(厚)=10m³。(2)屋外平台板:12.4m(长)*5.1m(宽)*0.14m(厚)=8.86m³。(3)台阶:5m(长)*1.2m(宽)*0.28m(厚)*2=3.36m³。(4)梁1:12.4m(长)*0.26m(宽)*0.3m(高)*2=1.94m³。(5)梁2:5.1m(长)*0.3m(宽)*0.26m(高)*4=1.6m³。(6)柱:3.14*0.2²(半径)*2.5m(高)*4(个)=1.3m³。第3页共68页第2页共68页编号:时间:2021年x月x日书山有路勤为径,学海无涯苦作舟页码:第3页共68页承包商:锦州北山建筑工程有限责任公司项目部现场施工:年月日监理单位:辽宁水利土木工程咨询有限公司项目监理部现场监理:年月日建设单位:锦州市凌河建设开发投资有限公司业主代表:年月日本签证单一式四份,业主、监理各1份,承包商2份。工程量签证单工程名称锦州市小凌河水生态环境综合治理工程三期景观二标段工程部位原足球场砼地面及周边砖砌花坛工程量拆除砼地面:426.6m³拆除钢筋砼地梁:39.85m³拆除砖砌体花坛:261.44m³签证编号04第4页共68页第3页共68页编号:时间:2021年x月x日书山有路勤为径,学海无涯苦作舟页码:第4页共68页签证事由:根据足球场施工图纸,原场地混凝土地面及花坛需拆除。签证内容:1、拆除原网球场砼地面:49.7m(长)*40.1m(宽)*0.15m(厚)+13.5*6*0.15=311.1m³2、拆除钢筋砼地梁:0.45*0.5*(50.6*2+40.95*2-6)=39.85m³3、拆除砖砌体花坛:8.2*4*0.6+(44.95+30.6)*4*0.8=261.44m³4、拆除原篮球场砼地面:35m(长)*22m(宽)*0.15m(厚)=115.5m³承包商:锦州北山建筑工程有限责任公司项目部现场施工:年月日监理单位:辽宁水利土木工程咨询有限公司项目监理部现场监理:年月日建设单位:锦州市凌河建设开发投资有限公司业主代表:年月日本签证单一式四份,业主、监理各1份,承包商2份。工程量签证单第5页共68页第4页共68页编号:时间:2021年x月x日书山有路勤为径,学海无涯苦作舟页码:第5页共68页工程名称锦州市小凌河水生态环境综合治理工程三期景观二标段工程部位房建给排水工程工程量见签证内容签证编号05签证事由:因建筑物单体附近无自来水管网,现在每个建筑物各增加自制水井一座(共8座),原建筑物排水管线与市政排污管线无法直接相连,现在每个建筑物附近的化粪池位置进行调整和新建,在欢乐岛钓鱼池与欢乐餐厅各增加一座渗水井,以上原因造成PP-R管、Φ325水泥管、弯头及铁法兰套增加,实际完成与原蓝图比较,增加工程量如下:签证内容:PP-R管dn63:9mPP-R管dn50:36mPP-R管dn110:288.1mPVC管dn160:24mPP-Rdn110弯头:14个铁法兰套(dn110):10套铸钢阀:1台Φ325水泥管:56m自制水井(砖砌井内径1.2m、井高1.5m):8座人工挖土方:39m*4m*2m+480m*1.5m*1.5m=1392m3承包商:锦州北山建筑工程有限责任...

1、当您付费下载文档后,您只拥有了使用权限,并不意味着购买了版权,文档只能用于自身使用,不得用于其他商业用途(如 [转卖]进行直接盈利或[编辑后售卖]进行间接盈利)。
2、本站所有内容均由合作方或网友上传,本站不对文档的完整性、权威性及其观点立场正确性做任何保证或承诺!文档内容仅供研究参考,付费前请自行鉴别。
3、如文档内容存在违规,或者侵犯商业秘密、侵犯著作权等,请点击“违规举报”。

碎片内容

工程量签证单培训资料

确认删除?
VIP
微信客服
  • 扫码咨询
会员Q群
  • 会员专属群点击这里加入QQ群
客服邮箱
回到顶部