电脑桌面
添加小米粒文库到电脑桌面
安装后可以在桌面快捷访问

公司储运部岗位KPI构成表VIP免费

公司储运部岗位KPI构成表_第1页
1/3
公司储运部岗位KPI构成表_第2页
2/3
公司储运部岗位KPI构成表_第3页
3/3
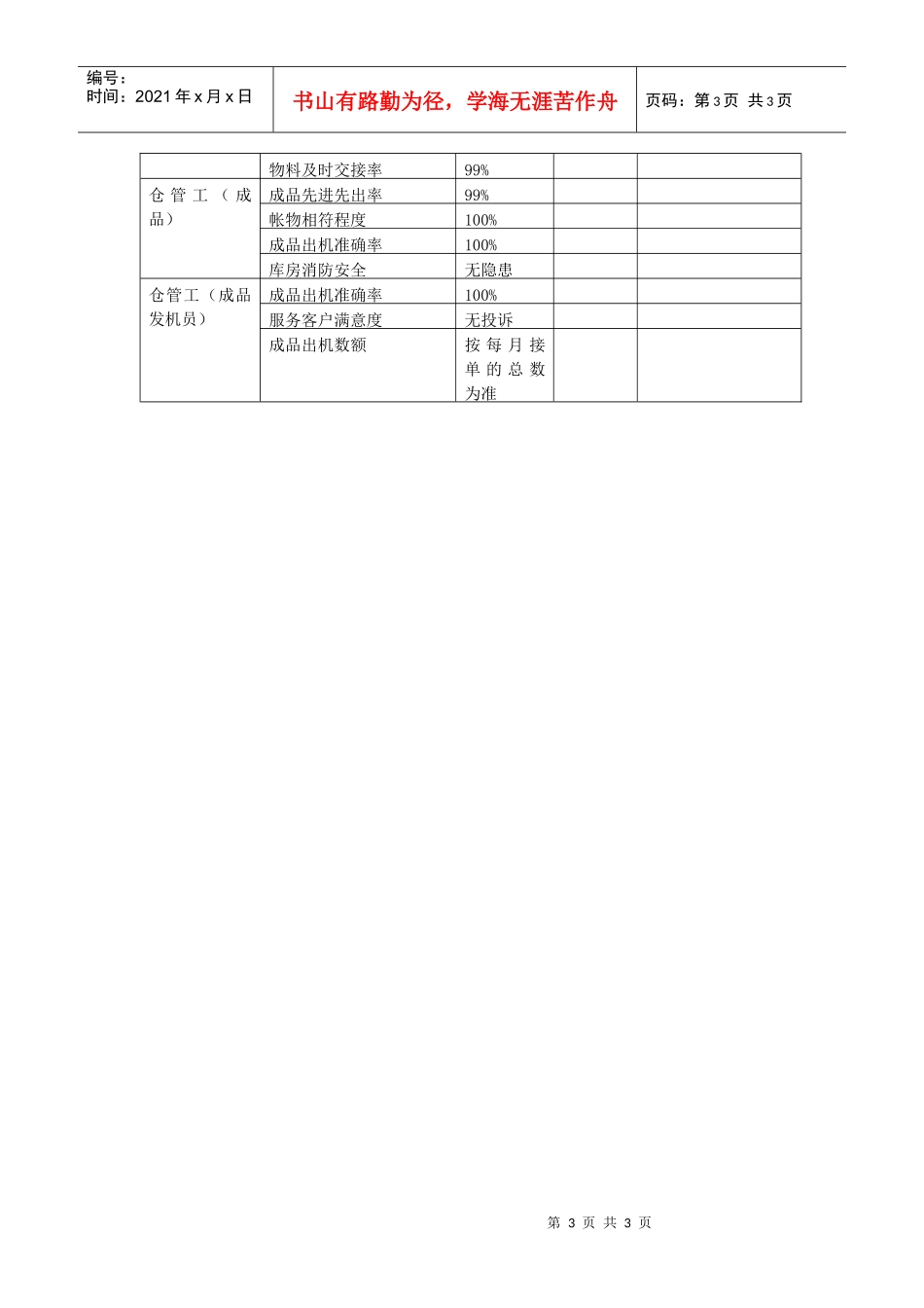
第1页共3页编号:时间:2021年x月x日书山有路勤为径,学海无涯苦作舟页码:第1页共3页公司储运部岗位KPI构成表岗位指标目标经理XX事业部销售收入???元管理业务计划完成率100%储运成本控制不超标关键人员考核,配置,培训工作完成率100%业务经理(原材料)XX事业部销售收入???元物料管理工作完成率100%公司存货成本控制不超标仓储业务内部客户满意率100%业务经理(运输)XX事业部销售收入运输成本控制不超标公司运输计划完成率100%公司运输事故发生率0运输业务内部客户满意率100%岗位指标目标车辆调度兼司机运输业务计划完成率100%运输事故发生率0运输业务内部客户满意率100%运输业务员运输计划完成率100%运输事故发生率0运输业务内部客户满意率100%货柜司机运输计划完成率100%运输事故发生率0运输业务内部客户满意率100%货车司机运输计划完成率100%运输事故发生率0运输业务内部客户满意率100%仓务主管落实日常性安全与防范100%内/外部客户满意度100%先进先出执行情况100%库存积压物料清理100%考核激励工作100%岗位指标目标权重计算方法大件仓主任合理有条理管理大件仓的所有事务完成达100%解决仓管组长解决不了的问题完成达100%生产、消防、安全工作无事故第2页共3页第1页共3页编号:时间:2021年x月x日书山有路勤为径,学海无涯苦作舟页码:第2页共3页人员调动工作0监督搬运组的填写工作准确率达100%仓管组长(中旅成品仓)成品先进先出率99%帐物相符程度100%库房消防安全无隐患(100%)成品转发机额仓管组长成品先进先出率99%帐物相符程度100%库房消防安全无隐患(100%)成品转发机额1-8月份不少于10万台/月9-12月份不少于25万台/月仓管组长(材料仓)控制大件料的存货限度100%消防安全,全年无事故发生无隐患(100%)解决管理中的难题100%协调组员工作安排100%岗位指标目标权重计算方法仓管组长(2号租仓成品仓)成品先进先出率99%帐物相符程度100%库房消防安全无隐患成品转发机额1-8月份不少于10万台/月9-12月份不少于25万台/月仓管组长(装卸带班组长)收料准确率100%物料叠放准确率100%内,外客户满意率100%第3页共3页第2页共3页编号:时间:2021年x月x日书山有路勤为径,学海无涯苦作舟页码:第3页共3页物料及时交接率99%仓管工(成品)成品先进先出率99%帐物相符程度100%成品出机准确率100%库房消防安全无隐患仓管工(成品发机员)成品出机准确率100%服务客户满意度无投诉成品出机数额按每月接单的总数为准

1、当您付费下载文档后,您只拥有了使用权限,并不意味着购买了版权,文档只能用于自身使用,不得用于其他商业用途(如 [转卖]进行直接盈利或[编辑后售卖]进行间接盈利)。
2、本站所有内容均由合作方或网友上传,本站不对文档的完整性、权威性及其观点立场正确性做任何保证或承诺!文档内容仅供研究参考,付费前请自行鉴别。
3、如文档内容存在违规,或者侵犯商业秘密、侵犯著作权等,请点击“违规举报”。

碎片内容

公司储运部岗位KPI构成表

中小学资料+ 关注
实名认证
内容提供者

精美课件,值得下载

确认删除?
VIP
微信客服
  • 扫码咨询
会员Q群
  • 会员专属群点击这里加入QQ群
客服邮箱
回到顶部