电脑桌面
添加小米粒文库到电脑桌面
安装后可以在桌面快捷访问

《维修电工技师》培训教案-蒲松林VIP免费

《维修电工技师》培训教案-蒲松林_第1页
1/35
《维修电工技师》培训教案-蒲松林_第2页
2/35
《维修电工技师》培训教案-蒲松林_第3页
3/35
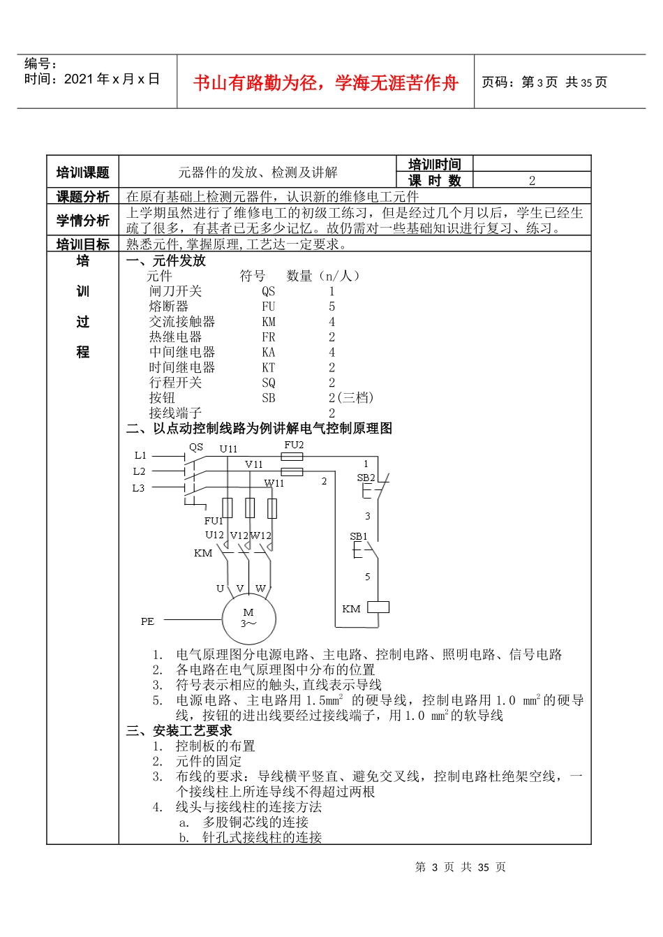
第1页共35页编号:时间:2021年x月x日书山有路勤为径,学海无涯苦作舟页码:第1页共35页2015-2016学年第二学期《维修电工技师》培训教案蒲松林2015年7月培训构思教材分析:本培训内容为电子工程系机电一体化、电子技术应用及电子信息与技术专业合班学生培训学习内容。主要涉及有变压器、三相异步电动机、直流电机、常用控制电机、常用低压电器、电气控制电路基本环节、典型设备的电气控制、组合机床的电气控制等。从培训难度上来讲,变压器及其相关计算、直流电动机原理及控制难第2页共35页第1页共35页编号:时间:2021年x月x日书山有路勤为径,学海无涯苦作舟页码:第2页共35页度较大,理论性较强,且使用实习不多,学生学习兴趣不强,可作为选讲或少讲。常用低压电气、电动机控制技术、组合车床电气控制使用率较高,难度相当较低,也是培训重点,且我校的实训条件能够满足其实训需求。培训对象:培训对象为15、16级(16级学生占多数)电子专业学生,大多数以前没有上过该课程,学习基础较差。学习过程主要侧重于学生良好职业习惯的养成,理论侧重器件识别、选用,实训主要侧重电动机控制线路的安装、调试与排故。培训安排:每周培训课时为6节,全部采用实训操作进行。培训大纲:1、了解空气开关、交流接触器、中间继电器、时间继电器、行程开关、万能转换开关等低压电器的结构、工作原理及接线要求;2、理解用交流接触器控制的电动机点动、长动及正反转线路和时间继电器控制的电动机Y–Δ降压起动电路的结构与工作原理;3、理解用速度继电器控制电动机反接制动电路的结构与工作原理;4、了解三相笼型异步电动机变极调速控制电路的结构与工作原理;5、熟悉6140车床电气控制电路结构与工作原理,并能熟练分析并排除典型故障。6、会正确拆卸和装配常用开关类电器、熔断器、接触器、启动器、继电器和主令电器,会检查和排除其常见故障。7、会在万能网孔板上安装三相笼型异步电动机用接触器辅助触点作联锁且带过载保护的单相运转控制电路,并能排除典型故障。8、会在万能网孔板上安装用接触器辅助触点作联锁和按钮转换的笼型电动机可逆运转控制电路,并能排除典型故障。第3页共35页第2页共35页编号:时间:2021年x月x日书山有路勤为径,学海无涯苦作舟页码:第3页共35页培训课题元器件的发放、检测及讲解培训时间课时数2课题分析在原有基础上检测元器件,认识新的维修电工元件学情分析上学期虽然进行了维修电工的初级工练习,但是经过几个月以后,学生已经生疏了很多,有甚者已无多少记忆。故仍需对一些基础知识进行复习、练习。培训目标熟悉元件,掌握原理,工艺达一定要求。培训过程一、元件发放元件符号数量(n/人)闸刀开关QS1熔断器FU5交流接触器KM4热继电器FR2中间继电器KA4时间继电器KT2行程开关SQ2按钮SB2(三档)接线端子2二、以点动控制线路为例讲解电气控制原理图1.电气原理图分电源电路、主电路、控制电路、照明电路、信号电路2.各电路在电气原理图中分布的位置3.符号表示相应的触头,直线表示导线5.电源电路、主电路用1.5mm2的硬导线,控制电路用1.0mm2的硬导线,按钮的进出线要经过接线端子,用1.0mm2的软导线三、安装工艺要求1.控制板的布置2.元件的固定3.布线的要求:导线横平竖直、避免交叉线,控制电路杜绝架空线,一个接线柱上所连导线不得超过两根4.线头与接线柱的连接方法a.多股铜芯线的连接b.针孔式接线柱的连接第4页共35页第3页共35页编号:时间:2021年x月x日书山有路勤为径,学海无涯苦作舟页码:第4页共35页培训课题电动机点动与连续混合的控制线路培训时间课时数4课题分析最基本的线路之一,是初级工必考的一张控制线路图学情分析上学期在初级工练习是已经练习过,但是经过几个月以后,学生已经生疏了很多,有甚者已无多少记忆。故仍进行复习、练习。培训目标掌握原理,熟练接线,工艺达一定要求。培训过程1.原理图:2.原理讲解:先合上电源开关QS。(1)连续控制:c.瓦片式接线柱的连接d.平压式接线柱的连接(注意弯头的顺螺纹方向)备注第5页共35页第4页共35页编号:时间:2021年x月x日书山有路勤为径,学海无涯苦作舟页码:第5页共35页(2)点动控制:3.按...

1、当您付费下载文档后,您只拥有了使用权限,并不意味着购买了版权,文档只能用于自身使用,不得用于其他商业用途(如 [转卖]进行直接盈利或[编辑后售卖]进行间接盈利)。
2、本站所有内容均由合作方或网友上传,本站不对文档的完整性、权威性及其观点立场正确性做任何保证或承诺!文档内容仅供研究参考,付费前请自行鉴别。
3、如文档内容存在违规,或者侵犯商业秘密、侵犯著作权等,请点击“违规举报”。

碎片内容

《维修电工技师》培训教案-蒲松林

您可能关注的文档

确认删除?
VIP
微信客服
  • 扫码咨询
会员Q群
  • 会员专属群点击这里加入QQ群
客服邮箱
回到顶部