电脑桌面
添加小米粒文库到电脑桌面
安装后可以在桌面快捷访问

国控重点污染源自动监控能力建设项目检查考核自查表(市级)VIP免费

国控重点污染源自动监控能力建设项目检查考核自查表(市级)_第1页
1/63
国控重点污染源自动监控能力建设项目检查考核自查表(市级)_第2页
2/63
国控重点污染源自动监控能力建设项目检查考核自查表(市级)_第3页
3/63
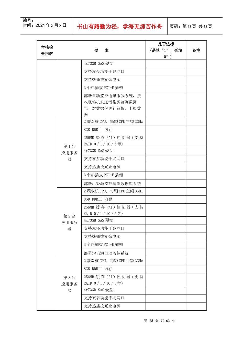
第37页共63页编号:时间:2021年x月x日书山有路勤为径,学海无涯苦作舟页码:第37页共63页附件三:国控重点污染源自动监控能力建设项目检查考核自查表(市级)表1-1计划单列与省会城市监控中心硬件与系统软件自查表填写说明:1、在是否达标栏,是填“1”,否填“0”2、备注栏可说明超过标准规定,或不达标原因3、达标数量小计指各项考核检查内容符合要求的指标数量4、如果某设备没有采购,请在其对应各项指标后填“0”考核检查内容要求是否达标(是填“1”,否填“0”)备注服务器第1台自动监控数据传输服务器2颗双核CPU,每颗CPU主频2GHz4GBDDRII内存256MB缓存RAID控制器(支持RAID0/1/10/5等)4x73GBSAS硬盘支持双多功能千兆网口支持热插拔冗余电源3个热插拔PCI-E插槽部署自动监控通讯服务系统,接收现场机发送污染源监测数据包、对数据包进行解析、上报数据第2台自动监控数据传输服务器2颗双核CPU,每颗CPU主频2GHz4GBDDRII内存256MB缓存RAID控制器(支持RAID0/1/10/5等)第38页共63页第37页共63页编号:时间:2021年x月x日书山有路勤为径,学海无涯苦作舟页码:第38页共63页考核检查内容要求是否达标(是填“1”,否填“0”)备注4x73GBSAS硬盘支持双多功能千兆网口支持热插拔冗余电源3个热插拔PCI-E插槽部署自动监控通讯服务系统,接收现场机发送污染源监测数据包、对数据包进行解析、上报数据第1台应用服务器2颗双核CPU,每颗CPU主频3GHz8GBDDRII内存256MB缓存RAID控制器(支持RAID0/1/10/5等)4x73GBSAS硬盘支持双多功能千兆网口支持热插拔冗余电源3个热插拔PCI-E插槽部署污染源监控基础数据库系统第2台应用服务器2颗双核CPU,每颗CPU主频3GHz8GBDDRII内存256MB缓存RAID控制器(支持RAID0/1/10/5等)4x73GBSAS硬盘支持双多功能千兆网口支持热插拔冗余电源3个热插拔PCI-E插槽部署污染源自动监控系统第3台应用服务器2颗双核CPU,每颗CPU主频3GHz8GBDDRII内存256MB缓存RAID控制器(支持RAID0/1/10/5等)4x73GBSAS硬盘支持双多功能千兆网口支持热插拔冗余电源第39页共63页第38页共63页编号:时间:2021年x月x日书山有路勤为径,学海无涯苦作舟页码:第39页共63页考核检查内容要求是否达标(是填“1”,否填“0”)备注3个热插拔PCI-E插槽部署国家重点监控企业公众监督与现场执法管理系统。第1台数据库服务器2颗双核CPU,每颗CPU主频3GHz8GBDDRII内存256MB缓存RAID控制器(支持RAID0/1/10/5等)4x73GBSAS硬盘支持双多功能千兆网口支持热插拔冗余电源3个热插拔PCI-E插槽至少保证1500个监控点的数据量交互能够满足其他方面的数据访问要求第2台数据库服务器2颗双核CPU,每颗CPU主频3GHz8GBDDRII内存256MB缓存RAID控制器(支持RAID0/1/10/5等)4x73GBSAS硬盘支持双多功能千兆网口支持热插拔冗余电源3个热插拔PCI-E插槽至少保证1500个监控点的数据量交互能够满足其他方面的数据访问要求自动监控GIS服务器2颗双核CPU,每颗CPU主频3GHz8GBDDRII内存256MB缓存RAID控制器(支持RAID0/1/10/5等)4x73GBSAS硬盘支持双多功能千兆网口支持热插拔冗余电源第40页共63页第39页共63页编号:时间:2021年x月x日书山有路勤为径,学海无涯苦作舟页码:第40页共63页考核检查内容要求是否达标(是填“1”,否填“0”)备注3个热插拔PCI-E插槽保证10G数据的大型GIS的稳定运行保证足够的访问量和并发数域控制服务器2颗双核CPU,每颗CPU主频2GHz4GBDDRII内存256MB缓存RAID控制器(支持RAID0/1/10/5等)4x73GBSAS硬盘支持双多功能千兆网口支持热插拔冗余电源3个热插拔PCI-E插槽部署网络管理软件对网络中服务器和客户端进行管理网络防病毒及备份域控制服务器2颗双核CPU,每颗CPU主频2GHz4GBDDRII内存256MB缓存RAID控制器(支持RAID0/1/10/5等)4x73GBSAS硬盘支持双多功能千兆网口支持热插拔冗余电源3个热插拔PCI-E插槽部署存储备份软件和网络版防病毒软件,保证服务器和客户端安全达标数量小计客户端PC第1台客户端PC能够运行64位操作系统双核cpu1G容量DDR2内存并可扩容千兆网卡64MB显存17英寸的液晶显示器作为监控中心客户端第41页共63页第40页共63页编号:时间:2021年x月x日书山有路勤为径,学海无涯苦作舟页码:...

1、当您付费下载文档后,您只拥有了使用权限,并不意味着购买了版权,文档只能用于自身使用,不得用于其他商业用途(如 [转卖]进行直接盈利或[编辑后售卖]进行间接盈利)。
2、本站所有内容均由合作方或网友上传,本站不对文档的完整性、权威性及其观点立场正确性做任何保证或承诺!文档内容仅供研究参考,付费前请自行鉴别。
3、如文档内容存在违规,或者侵犯商业秘密、侵犯著作权等,请点击“违规举报”。

碎片内容

国控重点污染源自动监控能力建设项目检查考核自查表(市级)

您可能关注的文档

确认删除?
VIP
微信客服
  • 扫码咨询
会员Q群
  • 会员专属群点击这里加入QQ群
客服邮箱
回到顶部