电脑桌面
添加小米粒文库到电脑桌面
安装后可以在桌面快捷访问

公司各个岗位岗位要求大全VIP免费

公司各个岗位岗位要求大全_第1页
1/102
公司各个岗位岗位要求大全_第2页
2/102
公司各个岗位岗位要求大全_第3页
3/102
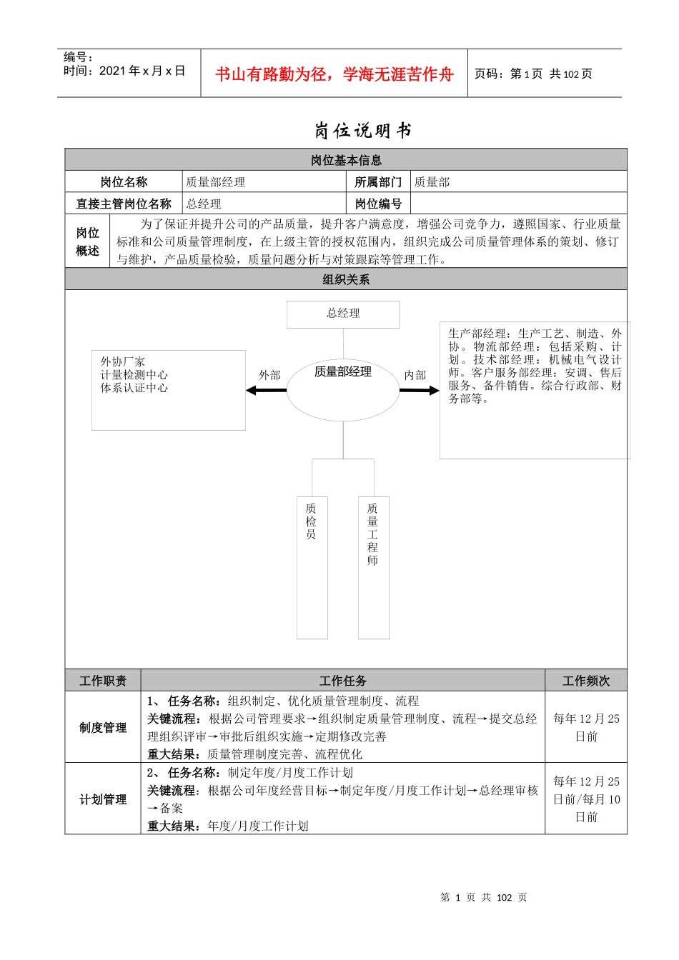
第1页共102页总经理外协厂家计量检测中心体系认证中心生产部经理:生产工艺、制造、外协。物流部经理:包括采购、计划。技术部经理:机械电气设计师。客户服务部经理:安调、售后服务、备件销售。综合行政部、财务部等。质检员质量工程师质量部经理外部内部编号:时间:2021年x月x日书山有路勤为径,学海无涯苦作舟页码:第1页共102页岗位说明书岗位基本信息岗位名称质量部经理所属部门质量部直接主管岗位名称总经理岗位编号岗位概述为了保证并提升公司的产品质量,提升客户满意度,增强公司竞争力,遵照国家、行业质量标准和公司质量管理制度,在上级主管的授权范围内,组织完成公司质量管理体系的策划、修订与维护,产品质量检验,质量问题分析与对策跟踪等管理工作。组织关系工作职责工作任务工作频次制度管理1、任务名称:组织制定、优化质量管理制度、流程关键流程:根据公司管理要求→组织制定质量管理制度、流程→提交总经理组织评审→审批后组织实施→定期修改完善重大结果:质量管理制度完善、流程优化每年12月25日前计划管理2、任务名称:制定年度/月度工作计划关键流程:根据公司年度经营目标→制定年度/月度工作计划→总经理审核→备案重大结果:年度/月度工作计划每年12月25日前/每月10日前第2页共102页第1页共102页编号:时间:2021年x月x日书山有路勤为径,学海无涯苦作舟页码:第2页共102页质量体系管理3、任务名称:质量体系文件制定与修订关键流程:根据质量体系认证或管理需求和上级主管安排→组织相关部门制定或修订质量体系文件→组织相关部门评审→上报上级主管审批→组织发布、实施→新体系文件报技术中心资料室存档重大结果:质量体系文件完善12月底之前4、任务名称:组织体系内审关键流程:根据质量管理体系要求→审核内审计划→上报上级主管审批→组织成立审核小组→组织审核→审核分析报告→督促相关部门整改→结果反馈上级主管重大结果:体系有效运行,公司质量管理水平提高按质量体系要求5、任务名称:组织体系外审关键流程:根据质量管理体系要求→制定外审计划→上报上级主管审批→与认证机构联系确认→配合外审→根据外审结果跟踪、督导、验证整改结果→撰写不合格项目整改报告→上报上级主管并反馈认证机构重大结果:通过外审,公司质量管理水平提升按质量体系要求质量管理6、任务名称:主持月质量例会关键流程:根据公司管理要求和质量体系运行情况→主持召开每月质量例会→分析研究质量问题并提出处理意见→审核质量例会会议纪要→督导会议决议实施→重大问题反馈上级主管重大结果:质量问题处理及时、准确每月18日7、任务名称:督导日常质量监控关键流程:根据质量管理体系和项目技术协议要求→督导日常质量体系运行情况→监督控制质量关键环节→参与重大问题处理→重大质量问题反馈上级主管及相关部门重大结果:关键环节问题得到控制每天8、任务名称:组织质量信息收集与分析关键流程:根据质量管理体系要求→组织收集、整理、分析内外部质量信息→组织制定处理对策→监督落实→反馈上级主管及有关部门重大结果:质量问题对策有针对性每月18日前9、任务名称:组织产品质量改善关键流程:根据质量管理体系要求和用户服务部反映的客户投诉情况→组织了解、验证问题的表现和原因→组织制定改善质量控制措施→监督执行→重大质量问题反馈上级主管→结果反馈用户服务部重大结果:产品质量得到改善,防止质量问题重复发生随时10、任务名称:组织制定质量控制方案关键流程:根据质量管理体系要求和常见的产品质量问题→组织制定质量控制方案→组织生产全程监控→重大质量问题反馈上级主管重大结果:质量控制方案有效随时11、任务名称:组织质量培训关键流程:根据质量管理体系要求→策划宣传、培训和质量活动方案→上报上级主管审批→组织实施→结果反馈重大结果:质量意识提升,质检员技能提高,操作工人技能提高每月第3页共102页第2页共102页编号:时间:2021年x月x日书山有路勤为径,学海无涯苦作舟页码:第3页共102页质量检验12、任务名称:督导外协、采购、自制部件检验关键流程:根据质量管理体系要求→督导外协、采购、自制部件检验→提出质...

1、当您付费下载文档后,您只拥有了使用权限,并不意味着购买了版权,文档只能用于自身使用,不得用于其他商业用途(如 [转卖]进行直接盈利或[编辑后售卖]进行间接盈利)。
2、本站所有内容均由合作方或网友上传,本站不对文档的完整性、权威性及其观点立场正确性做任何保证或承诺!文档内容仅供研究参考,付费前请自行鉴别。
3、如文档内容存在违规,或者侵犯商业秘密、侵犯著作权等,请点击“违规举报”。

碎片内容

公司各个岗位岗位要求大全

确认删除?
VIP
微信客服
  • 扫码咨询
会员Q群
  • 会员专属群点击这里加入QQ群
客服邮箱
回到顶部