电脑桌面
添加小米粒文库到电脑桌面
安装后可以在桌面快捷访问

准备部钳工职位说明书VIP免费

准备部钳工职位说明书_第1页
1/3
准备部钳工职位说明书_第2页
2/3
准备部钳工职位说明书_第3页
3/3
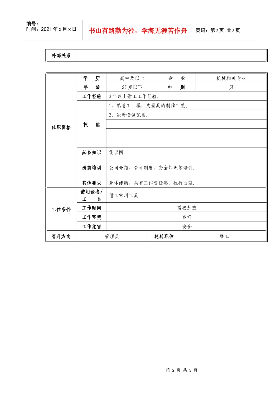
第1页共3页编号:时间:2021年x月x日书山有路勤为径,学海无涯苦作舟页码:第1页共3页准备部钳工职位说明书基本情况职位名称钳工职位编号所属部门准备部直接上级职位编制职系操作直接下级所辖人数编制人彭晓明审核人职位概要主要负责公司工装、夹具的制作、装配、维护和保养工作。工作职责与工作任务:1、负责公司工装、夹具的制作、装配、维护和保养工作,对所制作的质量负责。2、负责所使用设备的维护和保养工作。3、负责按操作规程进行操作。4、遵守公司规章制度。5、完成部门交办的其它临时性工作。工作职权工作协作关系:内部关系汇报不定期向直接上级进行书面或口头工作汇报督导协调就具体事宜与公司内部相关部门衔接、协调有关工作第2页共3页第1页共3页编号:时间:2021年x月x日书山有路勤为径,学海无涯苦作舟页码:第2页共3页外部关系任职资格学历高中及以上专业机械相关专业年龄55岁以下性别男工作经验3年以上钳工工作经验。技能1、熟悉工、模、夹量具的制作工艺。2、能看懂装配图。必备知识能识图岗前培训公司介绍、公司制度、安全知识等培训。其他要求身体健康,具有工作责任感,执行力强。工作条件使用设备/工具钳工常用工具工作时间需要加班工作环境良好工作危害安全晋升方向管理员轮转职位磨工第3页共3页第2页共3页编号:时间:2021年x月x日书山有路勤为径,学海无涯苦作舟页码:第3页共3页

1、当您付费下载文档后,您只拥有了使用权限,并不意味着购买了版权,文档只能用于自身使用,不得用于其他商业用途(如 [转卖]进行直接盈利或[编辑后售卖]进行间接盈利)。
2、本站所有内容均由合作方或网友上传,本站不对文档的完整性、权威性及其观点立场正确性做任何保证或承诺!文档内容仅供研究参考,付费前请自行鉴别。
3、如文档内容存在违规,或者侵犯商业秘密、侵犯著作权等,请点击“违规举报”。

碎片内容

准备部钳工职位说明书

您可能关注的文档

确认删除?
VIP
微信客服
  • 扫码咨询
会员Q群
  • 会员专属群点击这里加入QQ群
客服邮箱
回到顶部