电脑桌面
添加小米粒文库到电脑桌面
安装后可以在桌面快捷访问

工程公司人员招聘管理规定VIP免费

工程公司人员招聘管理规定_第1页
1/7
工程公司人员招聘管理规定_第2页
2/7
工程公司人员招聘管理规定_第3页
3/7
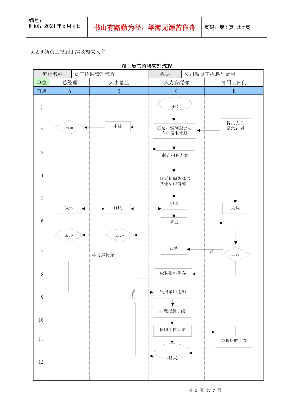
第1页共7页编号:时间:2021年x月x日书山有路勤为径,学海无涯苦作舟页码:第1页共7页工程公司人员招聘管理规定1目的规范员工的聘用,以利于人力资源的开发。2范围公司内所有员工的聘用。3定义无4权责4.1人力资源部:负责对员工聘用的具体工作,办理录用手续,保存员工聘用资料。4.2各部门:提出人力资源需求,协助人力资源部开展工作。5内容5.1员工聘用工作流程见图1。5.2员工聘用工作说明见表1。5.3资料保存人力资源部按照《记录控制程序》要求对资料进行保存。6相关资料6.1相关文件6.1.1《记录控制程序》6.1.2《人力资源控制程序》6.2附件6.2.1公司(单位)人员需求报告6.2.2员工招聘方案6.2.3招聘宣传材料6.2.4初试相关表格和文件6.2.5复试相关表格和文件6.2.6拟录用人员情况报告6.2.7应聘人员数据库6.2.8招聘录用通知书第2页共7页第1页共7页编号:时间:2021年x月x日书山有路勤为径,学海无涯苦作舟页码:第2页共7页6.2.9新员工报到手续及相关文件图1员工招聘管理流程流程名称员工招聘管理流程概要公司新员工招聘与录用单位总经理人事总监人力资源部各用人部门节点ABCD123456789101112中高层管理开始一般结束是汇总、编制全公司人员需求计划提出人员需求计划审核审批制定招聘方案联系招聘媒体或其他招聘措施初试复试复试复试复试合格审批审批审核应聘资料保存发出录用通知办理报到手续招聘工作总结办理接收手续第3页共7页第2页共7页编号:时间:2021年x月x日书山有路勤为径,学海无涯苦作舟页码:第3页共7页第4页共7页第3页共7页编号:时间:2021年x月x日书山有路勤为径,学海无涯苦作舟页码:第4页共7页东莞德信诚精品培训课程(部分)(点击课程名称打开课程详细介绍)内审员系列培训课程查看详情A01ISO9001:2008内审员培训班(ISO9001内审员)A02ISO14001:2004内审员培训班A03ISO/TS16949:2009内审员培训A04OHSAS18001:2007标准理解及内审员培训A05IECQ-HSPMQC080000内审员培训A06ISO13485:2003医疗器械质量体系内审员培训A07SA8000社会责任内审员培训(SA8000内审员)A08ICTI玩具商业行为守则内审员培训班A09ISO14064:2006内审员培训班A10GB/T23331-2009能源管理体系内审员培训A15量规仪器校验与管理实务课程(仪校员培训内校员培训)A16ISO管理代表及体系推行专员训练营A17ISO文控员培训/文管员培训实务课程A18优秀管理者代表训练营(MR管理代表训练)JIT精益生产现场管理系列课程查看详情P01JIT精益生产与现场改善培训班P02生产合理化改善-IE工业工程实务训练营P03PMC生产计划管理实务培训班(生管员培训)P04高效仓储管理与盘点技巧培训班(仓管员培训)P05目视管理与5S运动推行实务培训班P06采购与供应链管理实务(采购员培训)中基层管理干部TWI系列训练查看详情M01优秀班组长管理实务公开课(班组长公培训)M02优秀班组长现场管理实务培训班M03优秀班组长品质管理实务培训班M04优秀班组长生产安全管理实务培训班M06提升团队执行力训练课程(执行力培训)M07如何做一名优秀的现场主管培训班M08中基层现场干部TWI管理技能提升(TWI培训)M09有效沟通技巧培训班(团队沟通企业内外部沟通)M10企业内部讲师培训班(东莞TTT培训)M11MTP中阶主管管理才能提升培训班(东莞MTP培训)M12高效能时间管理培训班TS16949五大工具与QC/QA/QE品质管理类查看详情Q05TS16949五大工具实战训练(五大工具培训)Q06APQP&CP先期质量策划及控制计划培训Q07DFMEA设计潜在失效模式分析培训(DFMEA培训)Q08PFMEA过程潜在失效模式及效应分析训练营Q09MSA测量系统分析与仪器校验实务Q10SPC统计过程控制培训课程(SPC训练)Q11CPK制程能力分析与SPC统计制程管制应用训练Q12QC七大手法与SPC实战训练班(QC7&SPC培训)Q03品质工程师(QE质量工程师)实务培训班Q02品质主管训练营(品质经理人训练)Q01杰出品质检验员QC培训班Q13品管常用工具QC七大手法培训(旧QC7培训)Q14新QC七大手法实战培训(新QC7培训)Q04QCC品管圈活动训练课程(QCC培训)节能环保安全EHS公开课程查看详情E01节约能源管理培训(节能降耗培训)E03GBT23331-2009能源管理体系知识培训(GBT23331标准理解)A18ISO50001能源管理体系内审员培训(ISO50001内审员)A12ISO9000/ISO14000...

1、当您付费下载文档后,您只拥有了使用权限,并不意味着购买了版权,文档只能用于自身使用,不得用于其他商业用途(如 [转卖]进行直接盈利或[编辑后售卖]进行间接盈利)。
2、本站所有内容均由合作方或网友上传,本站不对文档的完整性、权威性及其观点立场正确性做任何保证或承诺!文档内容仅供研究参考,付费前请自行鉴别。
3、如文档内容存在违规,或者侵犯商业秘密、侵犯著作权等,请点击“违规举报”。

碎片内容

工程公司人员招聘管理规定

确认删除?
VIP
微信客服
  • 扫码咨询
会员Q群
  • 会员专属群点击这里加入QQ群
客服邮箱
回到顶部