电脑桌面
添加小米粒文库到电脑桌面
安装后可以在桌面快捷访问

人力资源-20222S系列冰箱培训教材VIP专享VIP免费

人力资源-20222S系列冰箱培训教材_第1页
1/25
人力资源-20222S系列冰箱培训教材_第2页
2/25
人力资源-20222S系列冰箱培训教材_第3页
3/25
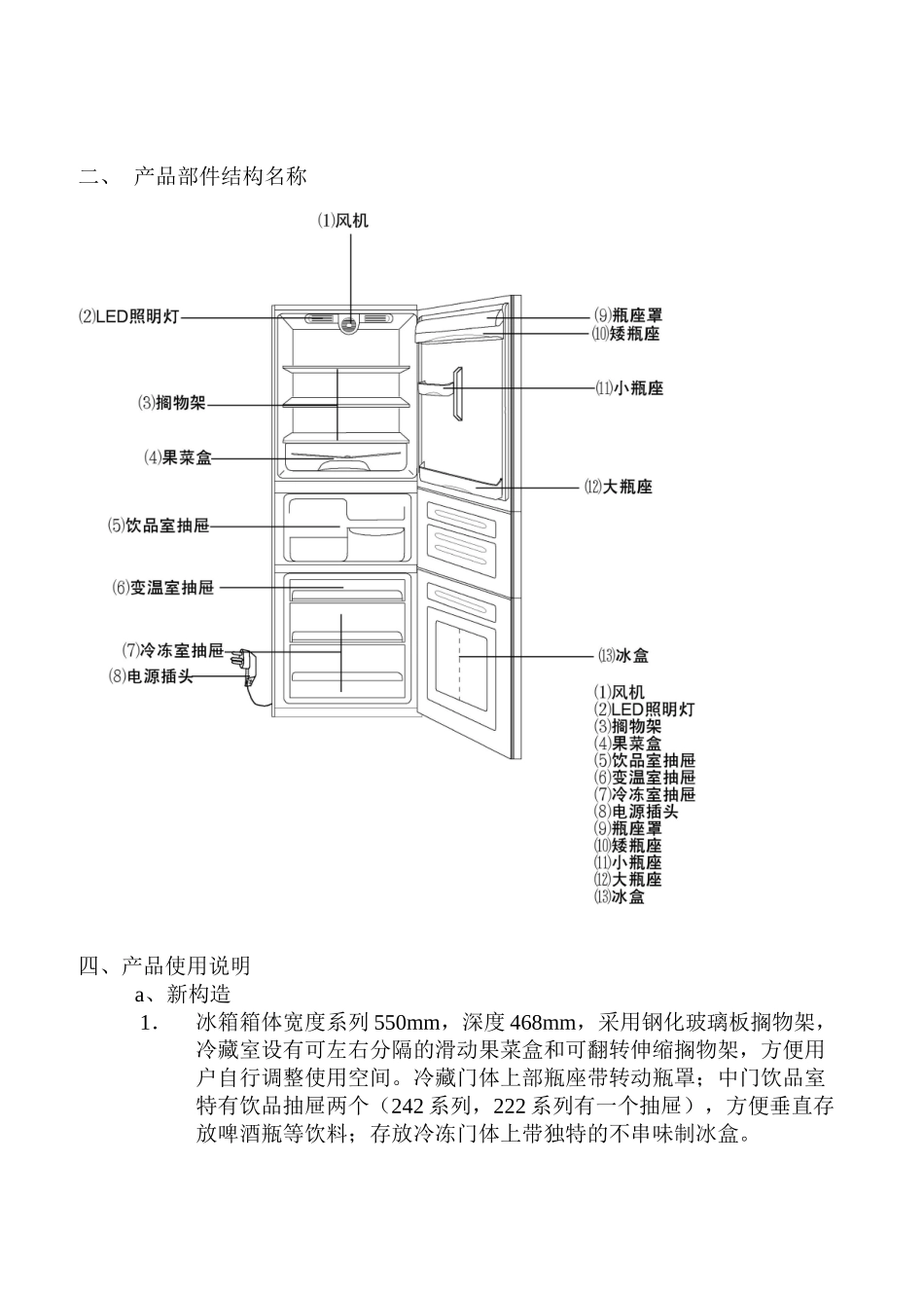
BCD-222/242S型太空王子冰箱培训教材一、产品特点介绍(包括衍生关系)1、四温区保鲜:该系列产品采用智能控制四循环制冷循环系统,含有四个温区:冷藏、饮品、-7度软冷冻、冷冻,可以根据不同食物的种类和保鲜温度要求随意选择存储区间,最大限度地保持不同食物的营养、新鲜和口感。2、独立饮品室功能:特设独立饮品室(0度,2~5度),专门存放新鲜生食食品,方便存放啤酒、大瓶饮料等瓶装饮料;3、-7软冷冻功能:不需解冻即时切4、人工智能控制:采用海尔专利的人工智能控制技术,控制冰箱随环境温度变化自动调节温度档位,无需人为调节,便能达到最佳制冷效果,使用起来更加省心、省力。5、四系统制冷系统:往冷藏蒸发器、饮品室蒸发器、-7度蒸发器、冷冻蒸发器分别通有喷射口,可稳定制冷。6、温度显示功能:LCD数字温度显示,让您随时可以了解冰箱的工作状态;7、超温自动报警:冷冻室温度自动监测报警,使用起来更放心。8、维C保鲜技术:维C技术的应用,可有效延长果蔬的保鲜时间并提高果蔬的维他命C的含量,延缓果蔬的衰老,有效祛除冰箱中的异味,杀死有害细菌;9、全新设计密封制冰盒,冰块不串味;10、飞天节能技术:采用VIP真空绝热板,在发泡之前用双面胶贴覆在侧板内侧,由于VIP板内部为真空,芯材绝热材料,保温效果比发泡料好的多,所以发泡层厚度减半后仍然可以保证耗电量比原厚度发泡层的冰箱小;12、全新太空钣金三门外观,豪华时尚。13、食物防冻结功能:可以有效防止食物与蒸发器接触、冻结;二、产品外观结构特征图(包括颜色)二、产品部件结构名称四、产品使用说明a、新构造1.冰箱箱体宽度系列550mm,深度468mm,采用钢化玻璃板搁物架,冷藏室设有可左右分隔的滑动果菜盒和可翻转伸缩搁物架,方便用户自行调整使用空间。冷藏门体上部瓶座带转动瓶罩;中门饮品室特有饮品抽屉两个(242系列,222系列有一个抽屉),方便垂直存放啤酒瓶等饮料;存放冷冻门体上带独特的不串味制冰盒。2.采用四循环制冷系统设计,保证冰箱的四个温区精确制冷,特设饮品室位于中门内,温度0,2~5度随意可调,适合存放啤酒、可乐等大瓶饮料及水果等。3.LCD数字显示冰箱温度等信息。4.三门四室,满足不同用户各种需求。5.全新门体外观设计,线条分明流畅,配合全新饰条,外观独特。五、产品详细技术数据冰箱型号项目BCD-222SBCD-242S气候类型SN.N.STSN.N.ST星级标志四星级四星级防触电保护类型I类I类总有效容积(L)222242冷冻室有效容积(L)6060饮品室有效容积(L)3858额定电压(V~)220220额定频率(Hz)5050输入总功率(W)120120额定耗电量(kW.h/24h)0.660.68耗电量级别1级1级冷冻能力(kg/24h)1212制冷剂R600a50R600a52重量(kg)7072电源软缆连接方式YY噪音(dB)3838外形尺寸深X宽X高(mm)630*557*1623630*557*1756六、产品线路图(此线路图建议使用300%的放大倍率)作业示意图(操作接线等方法)负离子阀3阀2阀1压机加热丝NL压缩机1阀2阀3阀GNDLCKJLCZFGNDYPKJYPZFGND-7KJ-7ZFGNDLDPWMHWTXRX+5GND灯负灯正冷藏开关CN3CN1CN26803.3K3.3K20K3.3K12K3.3K12K3.3K20K3.3K12.3K4.7K31KAMP173979-5AMP1-1123724-6AMP-440052-12AMP-440052-8测试频率说明112V)直流风机必须用直流风机或者的小灯泡2)开关合上为温度高,断开为温度低33HZ)频率有误差为正常现象。4)因为阻容的关系,外接负载氖泡可能会微亮冷冻-7空间-7蒸发饮品空间冷藏空间冷藏蒸发环境照明灯00640010420064001043RXTX+5GND100100变频灯3.3K20K饮品蒸发加热丝负离子直流风机正直流风机负CN5CN3AMP1-1123724-2AMP440052-2技术要求:1、强弱电分离;2、灯及开关定义标识清楚;3、阀及零、火线标识清楚;41%、电阻精度直流风机3电磁阀2电磁阀1电磁阀七、具体控制、工作原理及参数1、三门系列BCD-222/242S冰箱控制板技术要求(四循环、四显示方案)2.外观和结构2.1电源板、显示板应符合相应图纸的要求,标记、印刷字样应完整、清晰。2.2显示板布局如附图所示,其中各图标的定义和按键定义如下:2.2.1图标定义a人工智慧图标:指示冰箱工作在人工智慧状态。b时钟图标:指示时间。c锁定/解锁图标:亮起时指示冰箱处于锁定状态。d速...

1、当您付费下载文档后,您只拥有了使用权限,并不意味着购买了版权,文档只能用于自身使用,不得用于其他商业用途(如 [转卖]进行直接盈利或[编辑后售卖]进行间接盈利)。
2、本站所有内容均由合作方或网友上传,本站不对文档的完整性、权威性及其观点立场正确性做任何保证或承诺!文档内容仅供研究参考,付费前请自行鉴别。
3、如文档内容存在违规,或者侵犯商业秘密、侵犯著作权等,请点击“违规举报”。

碎片内容

人力资源-20222S系列冰箱培训教材

确认删除?
VIP
微信客服
  • 扫码咨询
会员Q群
  • 会员专属群点击这里加入QQ群
客服邮箱
回到顶部