电脑桌面
添加小米粒文库到电脑桌面
安装后可以在桌面快捷访问

人力资源-2022REL561保护装置培训教材VIP专享VIP免费

人力资源-2022REL561保护装置培训教材_第1页
1/8
人力资源-2022REL561保护装置培训教材_第2页
2/8
人力资源-2022REL561保护装置培训教材_第3页
3/8
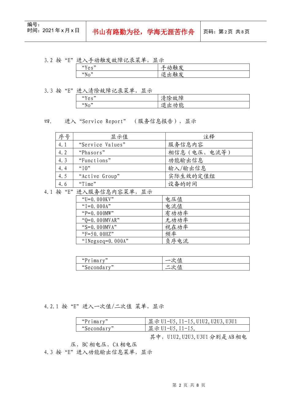
第1页共8页编号:时间:2021年x月x日书山有路勤为径,学海无涯苦作舟页码:第1页共8页REL561保护装置培训教材具体详细保护装置的面板说明如下:1、说明:利用“↑,↓”键选择菜单显示条目,按“E”进入,修改时,可以使用“←,→”移动数据的位置。下面说明可能使用的值,对于一些不可能用到的数据,不做说明。2、报警灯说明左一灯中间灯右一灯Ready设备正常设备报警灯保护跳闸灯一.进入主菜单:按任何一个键,把液晶屏变亮(背光打开)。出现:显示值注释“REL561VER2.3”--REL561版本号“C=QUIT”--C=退出“E=ENTERMENU”--E=进入主菜单二.按“E”进入主菜单,显示主菜单的目录:利用“↑,↓”键选择序号显示值注释2.1“DisturbReport”--故障信息2.2“ServiceReport”--服务信息2.3“Settings”--设置参数(定值)2.4“TerminalReport”--设备信息2.5“Configuration”--继电器参数配置2.6“Test”--测试命令(不要使用)注:每次只显示三条菜单,利用“↑,↓”键选择,按“E”进入每个菜单。三.进入“DisturbReport”(故障报告),显示如下:序号显示值注释3.1“Disturbances”--故障信息3.2“ManualTrig”--手动触发故障录波记录3.3“ClearDistRep”--清除故障记录3.1按“E”进入故障信息菜单,显示“Disturbance1”--第一组故障信息“Disturbance2”--第二组故障信息“Disturbance3”--第三组故障信息“TimeofIsturb”--故障录波时间“TrigSignal”--触发故障录波的信号“Indications”--面板的指示信息第2页共8页第1页共8页编号:时间:2021年x月x日书山有路勤为径,学海无涯苦作舟页码:第2页共8页3.2按“E”进入手动触发故障记录菜单,显示3.3按“E”进入清除故障记录菜单,显示四.进入“ServiceReport”(服务信息报告),显示序号显示值注释4.1“ServiceValues”服务信息内容4.2“Phasors”相信息(电压、电流等)4.3“Functions”功能输出信息4.4“IO”输入/输出信息4.5“ActiveGroup”实际生效的定值组4.6“Time”设备的时间4.1按“E”进入服务信息内容菜单,显示4.2.1按“E”进入一次值/二次值菜单,显示其中,U1U2,U2U3,U3U1分别是AB相电压,BC相电压,CA相电压4.3按“E”进入功能输出信息菜单,显示“Yes”手动触发“No”退出触发“Yes”清除故障“No”退出功能“U=0.000KV”电压值“I=0.000A”电流值“P=0.000MW”有功功率“Q=0.000MVAR”无功功率“S=0.000MVA”视在功率“F=50.00HZ”频率“INegseq=0.000A”负序电流“Primary”一次值“Secondary”二次值“Primary”显示U1-U5,I1-I5,U1U2,U2U3,U3U1“Secondary”显示U1-U5,I1-I5,第3页共8页第2页共8页编号:时间:2021年x月x日书山有路勤为径,学海无涯苦作舟页码:第3页共8页五.进入“Settings”(设置定值菜单),显示序号显示值注释5.1“DisturbReport”设置故障记录的内容配置5.2“Functions”设置保护的定值5.3“ChangeActGrp”改变生效的定值组别5.4“Time”设置时间5.1按“E”进入故障记录的内容配置菜单,显示“Operation”操作“SequenceNo”序列号“SampleingRate”采样速率“RecordingTimes”记录时间“BinarySignals”数字信号触发故障录波“AnalogSignals”模拟信号触发故障录波5.1.1按“E”进入“Operation”菜单,显示“ON”投入“OFF”退出5.1.2按“E”进入“SequenceNo”菜单,显示“18”或其他序号5.1.3按“E”进入“SampleingRate”菜单,显示SampleingRate1000HZ“Impedance”距离保护“Differential”差动保护“InstantOc”过流速断“TimeDelayOc”延时过流“Overload”过负荷“Stub”短引线保护(不用)“BreakerFailure”断路器失灵保护“EarthFault”接地保护“LossofVoltage”失压检测“BrokenConduct”断路器操作计数“CTSupervision”CT监视“AutoReclose”自动重合闸“Synchrocheck”检同期“TR01”跳闸出口“ActiveGroup”实际工作的定值组(共有四组)“IEC103Command”IEC103命令“DisturbReport”故障录波信息“InternalSignals”内部信号“Test”测试“Time”时间“MI11”模拟量信息其余的逻辑功能查看不用查看第4页共8页第3页共8页编号:时间:2021年x月x日书山有...

1、当您付费下载文档后,您只拥有了使用权限,并不意味着购买了版权,文档只能用于自身使用,不得用于其他商业用途(如 [转卖]进行直接盈利或[编辑后售卖]进行间接盈利)。
2、本站所有内容均由合作方或网友上传,本站不对文档的完整性、权威性及其观点立场正确性做任何保证或承诺!文档内容仅供研究参考,付费前请自行鉴别。
3、如文档内容存在违规,或者侵犯商业秘密、侵犯著作权等,请点击“违规举报”。

碎片内容

人力资源-2022REL561保护装置培训教材

确认删除?
VIP
微信客服
  • 扫码咨询
会员Q群
  • 会员专属群点击这里加入QQ群
客服邮箱
回到顶部