电脑桌面
添加小米粒文库到电脑桌面
安装后可以在桌面快捷访问

热风工岗位说明书VIP免费

热风工岗位说明书_第1页
1/1
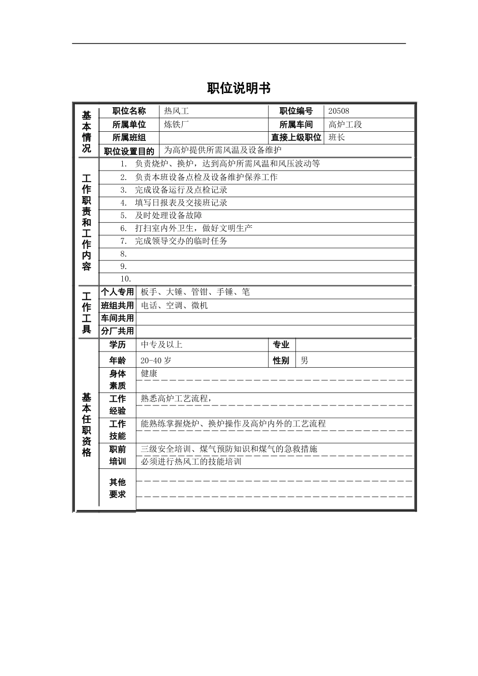
职位说明书基本情况职位名称热风工职位编号20508所属单位炼铁厂所属车间高炉工段所属班组直接上级职位班长职位设置目的为高炉提供所需风温及设备维护工作职责和工作内容1.负责烧炉、换炉,达到高炉所需风温和风压波动等2.负责本班设备点检及设备维护保养工作3.完成设备运行及点检记录4.填写日报表及交接班记录5.及时处理设备故障6.打扫室内外卫生,做好文明生产7.完成领导交办的临时任务8.9.10.工作工具个人专用板手、大锤、管钳、手锤、笔班组共用电话、空调、微机车间共用分厂共用基本任职资格学历中专及以上专业年龄20-40岁性别男身体素质健康工作经验熟悉高炉工艺流程,工作技能能熟练掌握烧炉、换炉操作及高炉内外的工艺流程职前培训三级安全培训、煤气预防知识和煤气的急救措施必须进行热风工的技能培训其他要求

1、当您付费下载文档后,您只拥有了使用权限,并不意味着购买了版权,文档只能用于自身使用,不得用于其他商业用途(如 [转卖]进行直接盈利或[编辑后售卖]进行间接盈利)。
2、本站所有内容均由合作方或网友上传,本站不对文档的完整性、权威性及其观点立场正确性做任何保证或承诺!文档内容仅供研究参考,付费前请自行鉴别。
3、如文档内容存在违规,或者侵犯商业秘密、侵犯著作权等,请点击“违规举报”。

碎片内容

热风工岗位说明书

您可能关注的文档

确认删除?
VIP
微信客服
  • 扫码咨询
会员Q群
  • 会员专属群点击这里加入QQ群
客服邮箱
回到顶部