电脑桌面
添加小米粒文库到电脑桌面
安装后可以在桌面快捷访问

苏州市建筑施工创建文明工地考核标准VIP免费

苏州市建筑施工创建文明工地考核标准_第1页
1/5
苏州市建筑施工创建文明工地考核标准_第2页
2/5
苏州市建筑施工创建文明工地考核标准_第3页
3/5
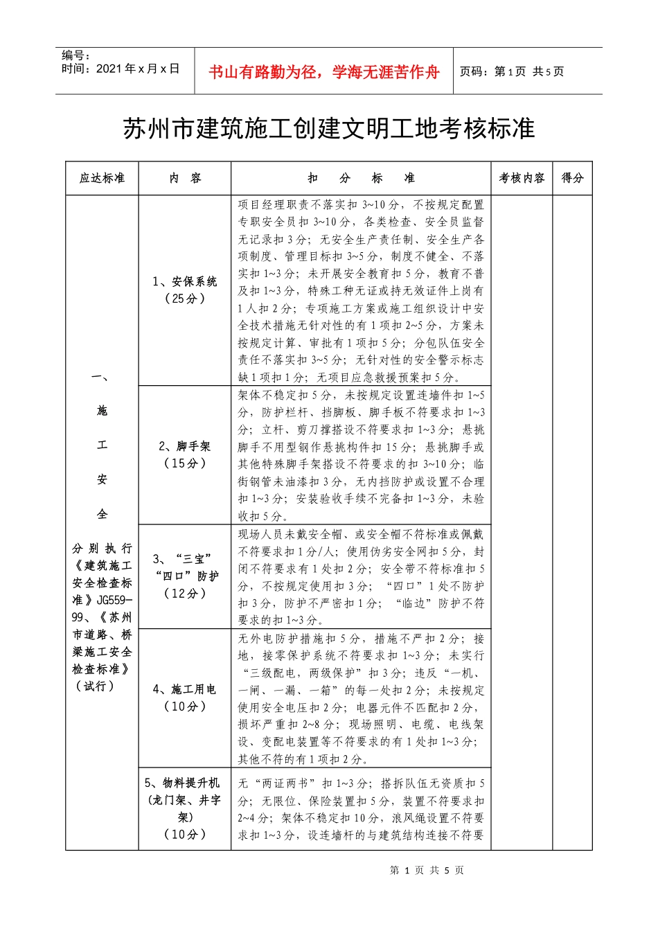
第1页共5页编号:时间:2021年x月x日书山有路勤为径,学海无涯苦作舟页码:第1页共5页苏州市建筑施工创建文明工地考核标准应达标准内容扣分标准考核内容得分一、施工安全分别执行《建筑施工安全检查标准》JG559-99、《苏州市道路、桥梁施工安全检查标准》(试行)1、安保系统(25分)项目经理职责不落实扣3~10分,不按规定配置专职安全员扣3~10分,各类检查、安全员监督无记录扣3分;无安全生产责任制、安全生产各项制度、管理目标扣3~5分,制度不健全、不落实扣1~3分;未开展安全教育扣5分,教育不普及扣1~3分,特殊工种无证或持无效证件上岗有1人扣2分;专项施工方案或施工组织设计中安全技术措施无针对性的有1项扣2~5分,方案未按规定计算、审批有1项扣5分;分包队伍安全责任不落实扣3~5分;无针对性的安全警示标志缺1项扣1分;无项目应急救援预案扣5分。2、脚手架(15分)架体不稳定扣5分,未按规定设置连墙件扣1~5分,防护栏杆、挡脚板、脚手板不符要求扣1~3分;立杆、剪刀撑搭设不符要求扣1~3分;悬挑脚手不用型钢作悬挑构件扣15分;悬挑脚手或其他特殊脚手架搭设不符要求的扣3~10分;临街钢管未油漆扣3分,无内挡防护或设置不合理扣1~3分;安装验收手续不完备扣1~3分,未验收扣5分。3、“三宝”“四口”防护(12分)现场人员未戴安全帽、或安全帽不符标准或佩戴不符要求扣1分/人;使用伪劣安全网扣5分,封闭不符要求有1处扣2分;安全带不符标准扣5分,不按规定使用扣3分;“四口”1处不防护扣3分,防护不严密扣1分;“临边”防护不符要求的扣1~3分。4、施工用电(10分)无外电防护措施扣5分,措施不严扣2分;接地,接零保护系统不符要求扣1~3分;未实行“三级配电,两级保护”扣3分;违反“一机、一闸、一漏、一箱”的每一处扣2分;未按规定使用安全电压扣2分;电器元件不匹配扣2分,损坏严重扣2~8分;现场照明、电缆、电线架设、变配电装置等不符要求的有1处扣1~3分;其他不符的有1项扣2分。5、物料提升机(龙门架、井字架)(10分)无“两证两书”扣1~3分;搭拆队伍无资质扣5分;无限位、保险装置扣5分,装置不符要求扣2~4分;架体不稳定扣10分,浪风绳设置不符要求扣1~3分,设连墙杆的与建筑结构连接不符要第2页共5页第1页共5页编号:时间:2021年x月x日书山有路勤为径,学海无涯苦作舟页码:第2页共5页求的扣1~3分;纲丝绳,卷扬机地锚不符要求的扣1~3分;卸料平台无安全防护门扣5分,防护不符要求扣2分;吊篮、卷扬机操作棚等其他有1项不符扣1~2分;提升机安装验收手续不完备扣1~3分;未验收即使用扣5分。应达标准内容扣分标准考核内容得分一、施工安全分别执行《建筑施工安全检查标准》JG559-99、《苏州市道路、桥梁施工安全检查标准》(试行)6、外用电梯(人、货两用电梯)(10分)安全装置未经试验或失灵的扣10分;无“两证两书”扣2~5分;安全防护不符要求扣2~6分;司机、指挥无证上岗扣5分,无资质队伍安装扣5分;架体不稳定扣10分;安装未经验收扣5分;未经检测就使用扣10分;其他有1项不符扣2分。7、塔吊(10分)无“两证两书”扣2~5分,安装队伍无资质扣6分;无力矩限制器、限位器、保险装置,缺1项扣5分,有1项不灵敏扣2分;司机、指挥无证上岗扣5分;路基与轨道、附墙装置与夹轨钳、电气安全等其他有1项不符要求扣2~3分;安装验收手续不完备扣1~3分,未验收扣5分;未经检测就使用扣10分;无日常维护记录扣1~3分。8、施工机具(8分)无安装验收记录扣1~5分;防护装置不齐全扣1~3分,手持电动工具无保护接零和绝缘装置扣3分;各种机具使用不符要求有1处扣1~2分;气瓶无标识、存放和使用不当扣1~2分;挖掘机、推土机、翻斗车、打桩机械无“两证两书”扣3~5分。9、起重吊装(10分)起重机械无限制、限位器、无保险装置,无“两证两书”等有1项扣5分;司机、指挥无证上岗扣5分;钢丝绳,地锚不符要求扣1~3分;高处作业不符要求扣3~5分;其他有1项不符扣2分。10、基坑支护(10分)临边防护、坑壁支护、坑边荷载不符规定扣1~3分;无排水措施扣3分、措施不妥扣1~2分;上、下通道、土方开挖、基坑支护变形监测,作业环境安全等有一处不符要求扣2分;基坑支护无监测记录扣...

1、当您付费下载文档后,您只拥有了使用权限,并不意味着购买了版权,文档只能用于自身使用,不得用于其他商业用途(如 [转卖]进行直接盈利或[编辑后售卖]进行间接盈利)。
2、本站所有内容均由合作方或网友上传,本站不对文档的完整性、权威性及其观点立场正确性做任何保证或承诺!文档内容仅供研究参考,付费前请自行鉴别。
3、如文档内容存在违规,或者侵犯商业秘密、侵犯著作权等,请点击“违规举报”。

碎片内容

苏州市建筑施工创建文明工地考核标准

确认删除?
VIP
微信客服
  • 扫码咨询
会员Q群
  • 会员专属群点击这里加入QQ群
客服邮箱
回到顶部