电脑桌面
添加小米粒文库到电脑桌面
安装后可以在桌面快捷访问

水处理中级工部分考核试题VIP免费

水处理中级工部分考核试题_第1页
1/11
水处理中级工部分考核试题_第2页
2/11
水处理中级工部分考核试题_第3页
3/11
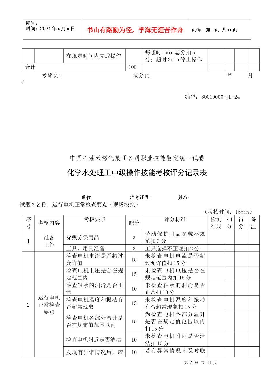
第1页共11页编号:时间:2021年x月x日书山有路勤为径,学海无涯苦作舟页码:第1页共11页中国石油天然气集团公司职业技能鉴定统一试卷化学水处理工中级操作技能考核评分记录表单位:准考证号:姓名:试题1名称:中和池废水中和排放操作(现场模拟)(考核时间:20min)序号考核内容考核要点配分评分标准检测结果扣分得分备注1准备工作穿戴劳保用品5劳动保护用品穿戴不规范扣5分2中和池进水选择空池,开进水阀,收集废水;待水位超过容积50%,启动压缩空气搅拌,启动废水回流装置,加速搅拌;中和池满水,关闭进水阀;测定中和池前废水PH值30未开进水阀扣10分未启动废水搅拌设备扣5分未检查管路扣10分未测定PH值,每项扣5分3废水中和操作根据废水PH值,确定是否加中合剂;确定加何种中合剂,判断加入量;继续进行压缩空气搅拌和回流搅拌;直到中和废水PH值达到排放标准40不清楚废水排放标准口10分不能正确选择中合剂口10分未启动废水搅拌设备,每项扣5分4废水排放操作废水中和后,取样检测PH值,达标后,关闭回流阀,开启排放阀,排放废水;压缩空气继续搅拌,直到水位低于50%,停压缩风;排放过程中,检查加酸、碱阀、进水阀是否漏泄25未测定PH值,扣10分未正确操作排放阀扣10分检查漏项,每项扣5分5安全及其他按国家法规或企业规定违规一次总分扣5分;严重违规停止操作在规定时间内完成操作每超时1min总分扣5分;超时3min停止操作合计100考评员:核分员:年月日第2页共11页第1页共11页编号:时间:2021年x月x日书山有路勤为径,学海无涯苦作舟页码:第2页共11页编码:80010000-JL-24中国石油天然气集团公司职业技能鉴定统一试卷化学水处理工中级操作技能考核评分记录表单位:准考证号:姓名:试题2名称:罗茨风机的投运操作(现场模拟)(考核时间:15min)序号考核内容考核要点配分评分标准检测结果扣分得分备注1准备工作穿戴劳保用品3劳动保护用品穿戴不规范扣3分工具、用具准备2工具选择不正确扣2分2启动前的检查检查齿轮箱和减速器润滑油是否合格10未检查油量,每项扣5分未检查油质,每项扣5分盘车2-3全,确认转动无异常10未盘车扣10分盘车不规范扣5分3开启阀门开鼓风机入口阀和安全阀20操作漏项,每项扣10分4启动按风机电动机启动按钮10为操作扣10分5启动后的检查及调整缓慢打开出口阀和缓慢关闭安全法,必须注意两者应协调操作20检查漏项,每项扣10分操作错误扣10分检查机组声音、振动、温度是否正常;各密封点是否漏泄;有异常情况及时处理20检查漏项,每项扣10分不清楚异常工况,每项扣10分6使用工具使用工具2工具使用不正确扣2分维护工具3工具乱摆乱放口3分7安全及其他按国家法规或企业规定违规一次总分扣5分;严重违规停止操作第3页共11页第2页共11页编号:时间:2021年x月x日书山有路勤为径,学海无涯苦作舟页码:第3页共11页在规定时间内完成操作每超时1min总分扣5分;超时3min停止操作合计100考评员:核分员:年月日编码:80010000-JL-24中国石油天然气集团公司职业技能鉴定统一试卷化学水处理工中级操作技能考核评分记录表单位:准考证号:姓名:试题3名称:运行电机正常检查要点(现场模拟)(考核时间:15min)序号考核内容考核要点配分评分标准检测结果扣分得分备注1准备工作穿戴劳保用品3劳动保护用品穿戴不规范扣3分工具、用具准备2工具选择不正确扣2分2运行电机正常检查要点检查电机电流是否超过允许值15未检查电机电流是否超过允许值扣15分检查电机电压是否在规定范围内15未检查电机电压是否在规定范围内扣15分检查轴承的润滑是否正常10未检查轴承的润滑是否正常扣10分检查电机温度和振动有否超常现象15未检查电机温度和振动有否超常现象扣15分检查电机各部分温升是否在规定值范围以内15为检查电机各部分温升是否在规定值范围以内扣15分检查电机附近是否清洁10未检查电机附近是否清洁扣10分发现有异常情况后,应10若有异常情况未及时联第4页共11页第3页共11页编号:时间:2021年x月x日书山有路勤为径,学海无涯苦作舟页码:第4页共11页通知电工再做检查系电工检查扣10分3使用工具使用工具2工具使用不正确扣2分维护工具3工具乱摆乱放口3分4安全及其他按国家法...

1、当您付费下载文档后,您只拥有了使用权限,并不意味着购买了版权,文档只能用于自身使用,不得用于其他商业用途(如 [转卖]进行直接盈利或[编辑后售卖]进行间接盈利)。
2、本站所有内容均由合作方或网友上传,本站不对文档的完整性、权威性及其观点立场正确性做任何保证或承诺!文档内容仅供研究参考,付费前请自行鉴别。
3、如文档内容存在违规,或者侵犯商业秘密、侵犯著作权等,请点击“违规举报”。

碎片内容

水处理中级工部分考核试题

确认删除?
VIP
微信客服
  • 扫码咨询
会员Q群
  • 会员专属群点击这里加入QQ群
客服邮箱
回到顶部