电脑桌面
添加小米粒文库到电脑桌面
安装后可以在桌面快捷访问

电池片全工序基础工艺培训资料VIP免费

电池片全工序基础工艺培训资料_第1页
1/19
电池片全工序基础工艺培训资料_第2页
2/19
电池片全工序基础工艺培训资料_第3页
3/19
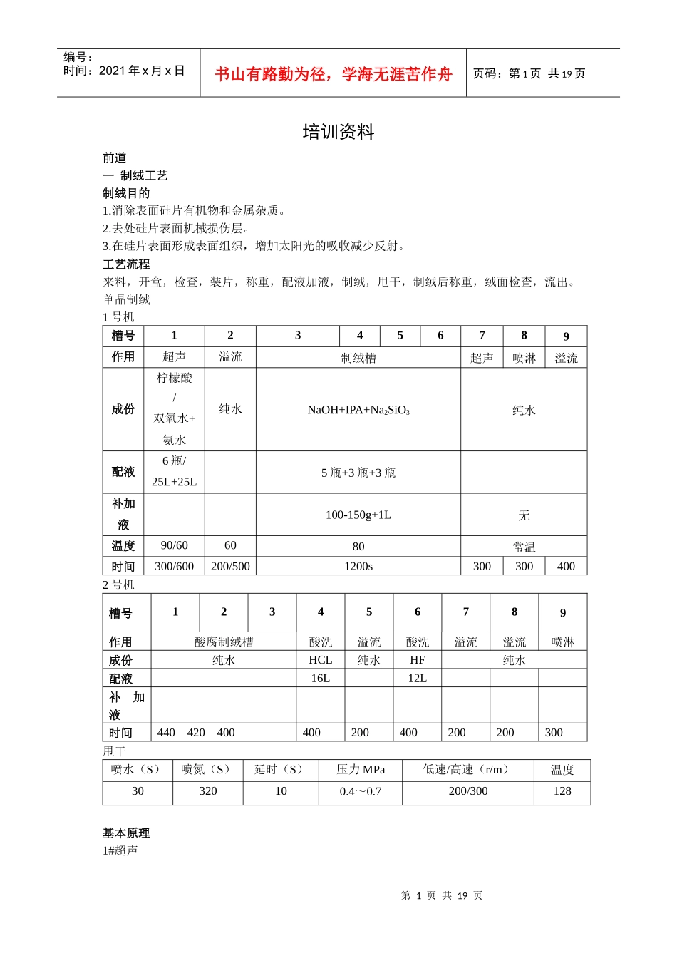
第1页共19页编号:时间:2021年x月x日书山有路勤为径,学海无涯苦作舟页码:第1页共19页培训资料前道一制绒工艺制绒目的1.消除表面硅片有机物和金属杂质。2.去处硅片表面机械损伤层。3.在硅片表面形成表面组织,增加太阳光的吸收减少反射。工艺流程来料,开盒,检查,装片,称重,配液加液,制绒,甩干,制绒后称重,绒面检查,流出。单晶制绒1号机槽号123456789作用超声溢流制绒槽超声喷淋溢流成份柠檬酸/双氧水+氨水纯水NaOH+IPA+Na2SiO3纯水配液6瓶/25L+25L5瓶+3瓶+3瓶补加液100-150g+1L无温度90/606080常温时间300/600200/5001200s3003004002号机槽号123456789作用酸腐制绒槽酸洗溢流酸洗溢流溢流喷淋成份纯水HCL纯水HF纯水配液16L12L补加液时间440420400400200400200200300甩干喷水(S)喷氮(S)延时(S)压力MPa低速/高速(r/m)温度30320100.4~0.7200/300128基本原理1#超声第2页共19页第1页共19页编号:时间:2021年x月x日书山有路勤为径,学海无涯苦作舟页码:第2页共19页去除有机物和表面机械损伤层。目前采用柠檬酸超声,和双氧水与氨水混合超声。3#4#5#6#制绒利用NaOH溶液对单晶硅片进行各向异性腐蚀的特点来制备绒面。当各向异性因子((100)面与(111)面单晶硅腐蚀速率之比)=10时,可以得到整齐均匀的金字塔形的角锥体组成的绒面。绒面具有受光面积大,反射率低的特点。可以提高单晶硅太阳能电池的短路电流,从而提高太阳能电池的光转换效率。化学反应方程式:Si+2NaOH+H2O=Nasio3+2H2↑影响因素1.温度温度过高,首先就是IPA不好控制,温度一高,IPA的挥发很快,气泡印就会随之出现,这样就大大减少了PN结的有效面积,反应加剧,还会出现片子的漂浮,造成碎片率的增加。可控程度:调节机器的设置,可以很好的调节温度。2.时间金字塔随时间的变化:金字塔逐渐冒出来;表面上基本被小金字塔覆盖,少数开始成长;金字塔密布的绒面已经形成,只是大小不均匀,反射率也降到比较低的情况;金字塔向外扩张兼并,体积逐渐膨胀,尺寸趋于均等,反射率略有下降。可控程度:调节设备参数,可以精确的调节时间。3.IPA1.协助氢气的释放。2.减弱NaOH溶液对硅片的腐蚀力度,调节各向因子。纯NaOH溶液在高温下对原子排列比较稀疏的100晶面和比较致密的111晶面破坏比较大,各个晶面被腐蚀而消融,IPA明显减弱NaOH的腐蚀强度,增加了腐蚀的各向异性,有利于金字塔的成形。乙醇含量过高,碱溶液对硅溶液腐蚀能力变得很弱,各向异性因子又趋于1。可控程度:根据首次配液的含量,及每次大约消耗的量,来补充一定量的液体,控制精度不高。4.NaOH形成金字塔绒面。NaOH浓度越高,金字塔体积越小,反应初期,金字塔成核密度近似不受NaOH浓度影响,碱溶液的腐蚀性随NaOH浓度变化比较显著,浓度高的NaOH溶液与硅反映的速度加快,再反应一段时间后,金字塔体积更大。NaOH浓度超过一定界限时,各向异性因子变小,绒面会越来越差,类似于抛光。可控程度:与IPA类似,控制精度不高。5.Na2SiO3SI和NaOH反应生产的Na2SiO3和加入的Na2SiO3能起到缓冲剂的作用,使反应不至于很剧烈,变的平缓。Na2SiO3使反应有了更多的起点,生长出的金字塔更均匀,更小一点Na2SiO3多的时候要及时的排掉,Na2SiO3导热性差,会影响反应,溶液的粘稠度也增加,容易形成水纹、花蓝印和表面斑点。可控程度:很难控制。4#酸洗HCL去除硅片表面的金属杂质盐酸具有酸和络合剂的双重作用,氯离子能与多种金属离子形成可溶与水的络合物。6#酸洗HF去除硅片表面氧化层,SiO2+6HF=H2[siF6]+2H2O。控制点第3页共19页第2页共19页编号:时间:2021年x月x日书山有路勤为径,学海无涯苦作舟页码:第3页共19页1.减薄量定义:硅片制绒前后的前后重量差。控制范围单晶125,硅片厚度在200±25微米以上,减薄量在0.5±0.2g;硅片厚度在200±25微米以上,减薄量在0.4±0.2g。单晶156,首篮减薄量在0.7±0.2g;以后减薄量在0.6±0.2g。2.绒面判断标准:成核密度高,大小适当,均匀。控制范围:单晶:金字塔尺寸3~10um。3.外观无缺口,斑点,裂纹,切割线,划痕,凹坑,有无白斑,赃污。异常处理问题原因解决方法硅片表面大部分发白,发白区域未...

1、当您付费下载文档后,您只拥有了使用权限,并不意味着购买了版权,文档只能用于自身使用,不得用于其他商业用途(如 [转卖]进行直接盈利或[编辑后售卖]进行间接盈利)。
2、本站所有内容均由合作方或网友上传,本站不对文档的完整性、权威性及其观点立场正确性做任何保证或承诺!文档内容仅供研究参考,付费前请自行鉴别。
3、如文档内容存在违规,或者侵犯商业秘密、侵犯著作权等,请点击“违规举报”。

碎片内容

电池片全工序基础工艺培训资料

确认删除?
VIP
微信客服
  • 扫码咨询
会员Q群
  • 会员专属群点击这里加入QQ群
客服邮箱
回到顶部